• Добро пожаловать на компьютерный форум Tehnari.ru. Здесь разбираемся с проблемами ПК и ноутбуков: Windows, драйверы, «железо», сборка и апгрейд, софт и безопасность. Форум работает много лет, сейчас он переехал на новый движок, но старые темы и аккаунты мы постарались сохранить максимально аккуратно.

    Форум не связан с магазинами и сервисами – мы ничего не продаём и не даём «рекламу под видом совета». Отвечают обычные участники и модераторы, которые следят за порядком и качеством подсказок.

    Если вы у нас впервые, загляните на страницу о форуме и правила – там коротко описано, как задать вопрос так, чтобы быстро получить ответ. Чтобы создавать темы и писать сообщения, сначала зарегистрируйтесь, а затем войдите под своим логином.

    Не знаете, с чего начать? Создайте тему с описанием проблемы – подскажем и при необходимости перенесём её в подходящий раздел.
    Задать вопрос Новые сообщения Как правильно спросить
    Если пришли по старой ссылке со старого Tehnari.ru – вы на нужном месте, просто продолжайте обсуждение.

Как подключить пять светодиодов?

  • Автор темы Автор темы bydytvoi
  • Дата начала Дата начала
diman86,дак Я не понял эти батарейки которые я собираюсь использовать они дадут мне максимальную яркость этих светодиодов?пожалуйста ответьте на этот вопрос прямо

и еще вопрос : а какие тогда батарейки посоветуете,видетели мне эти батарейки нужно закреплять в вилке велосипеда,а по 3v таблетки как раз туда в дырку залезают
 
bydytvoi;53271 у меня как бы от каждого светодиода свои провода сделаны но в конце перед соединением с батарейками они все скручены воедино т.е плюсы с плюсами и минусы с минусами и так подсоединены к батарейкам[/QUOTE написал(а):
Это не последовательное соединение
 
Мишок,какой вы умный,что больше блеснуть не чем,:tehnari_ru_935:
 
спасибо :-) мне кажется для такого дела нужно попробовать аккумуляторные батареи. И хватит на долго и зарядить можно без проблем
 
Мишок, дак батареи то идут по 1.5v батарейка все что в них хорошо это вместимость... это чтож мне на 4 диода по 2.7v нужно 8 аккамуляторов покумать чтоб добится нужной мощности,оно того не стоит
 
почему же? Если ты соединишь все диоды параллельно, напряжение будет одинаково на каждом диоде. тебе два аккумулятора по 1,5 вольта за глаза должно хватить
 
Мишок,хорошо,тогда объяснитесоединить парралельно
то как,что то я не понимаю...
Просто от одной батарейки же один диод не горит...
 
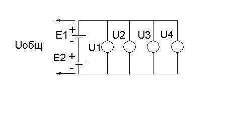
Теоретически так... E1 - первая батарейка 1,5 V
E2 - вторая батарейка 1,5 V
Uобщ - общее напряжение двух батареек (3 V)
U1 - напряжение на первом светодиоде
U2 - напряжение на втором светодиоде
U3 - напряжение на третьем светодиоде
U4 - напряжение на четвертом светодиоде

при параллельном соединении напряжения U1 = U2 = U3 = U4
т.е. 3 V на каждый светодиод,
а общий ток будет составлять сумму токов, протекающих через каждый светодиод. Если светодиоды одинаковые, то ток I1 = I2 = I3 = I4 = Iобщ/4 (а если токи через каждый светодиод одинаковые, то и яркость свечения должна быть одинаковой).
 

Вложения

  • 2222.webp
    2222.webp
    4.4 KB · Просмотры: 85
Мишок,собственно так у меня и сделано только с 3v батарейками типа таблетка
 
в чем проблема? Единственное - таблэтки устанешь покупать, а аккумуляторы заряжай хоть каждый день
 
да не знаю вот 2 дня уже горит и не садится,я не выключаю,яркотсь не менялась
 
ну тык... они ж почти ничего не хавают. доведи эксперимент до конца. на сколько хватит таблэток :popcorn1:
 
ну этим и занимаюсь,просто говорили что 10 часов макс,а тут столько на макс яркости,мне надо то иногда пару часов на велике когда норью катаюсь номерной знак подсветить
 
можно еще вопрос? а зачем на велике номерной знак?
 
ну я бы фотку скинул,да не знаю как тут это сделать.научишь покажу,у меня тюнингованный дорогой велик
 
под кнопкой 'отправить быстрый ответ' есть кнопка 'расширеный режим'. Нажимаешь на нее, там сверху появится кнопка 'вложения'. Зацени велик! Очень интересно посмотреть!
 

Вложения

  • DSC03673.webp
    DSC03673.webp
    21.7 KB · Просмотры: 89
  • DSC03674.webp
    DSC03674.webp
    27.7 KB · Просмотры: 137
  • DSC03675.webp
    DSC03675.webp
    93.9 KB · Просмотры: 254
  • DSC03679.webp
    DSC03679.webp
    38.7 KB · Просмотры: 173
  • DSC03682.webp
    DSC03682.webp
    76 KB · Просмотры: 137
Ссори за качество,на улице вид совершенно иной,охринитительный =)
 
Установлены колонки на 6 ватт с отдельным блоком питания,держит 8-10 часов на аккумуляторах на полной громкости,а орет пипец как,днем по трассе еду машин почти не замечаю и качество супер,а вечером и ночью настоящая дискотека =D ахха
 
даа... Зверь аппарат! Понравился. Хорошо получилось. Главное под дождь не попадать :-)
 
Назад
Сверху