Смотрите видео ниже, чтобы узнать, как установить наш сайт в качестве веб-приложения на домашнем экране.
Примечание: Эта возможность может быть недоступна в некоторых браузерах.
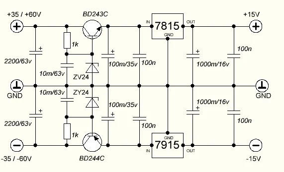
Спасибо, прочитал про неё. Греться правда пишут сильно будет из за большого падения напряжения. Попробую, поиграюсь.Очень просто. Есть целая серия стабилизаторов LM. Причем как по плюсу 78, так и по минусу 79.
7805 выдаст питание + 5 вольт, а 7812 соответственно + 12.
а схемка много потребляет? Показали бы схемку. А так то вариантов много, вам выше уже советовали.как можно запитать стабилизированным напряжением 5-12 вольт темброблок от питания унч 35 вольт?
Лучше по паре-тройке обычных диодов последовательно в каждое плечо. Заодно и от отрицательных импульсов по питанию оградит.перед стабом резистор ом на 47 паять
Спасибо за схему! Хотел попробовать собрать темброблок с буферными каскадами, но отказался. Достал свой эквалайзер гелиос 006 и подключил его от блока питания от ноутбука.Фон пропал. Так наверное и оставлю.Всеравно думаю переделать его. Переделаю корпус, вместо переменных резисторов постоянные поставлю под свой тембр настрою. Постоянно окраску звука нет привычки менять, один раз настроил и слушаю. Ввёл ещё в плату с буферн.каскадами, разностной сигнал, совсем чуть. Интереснее как-то играет, понадобился всего один ркзистор на 10кОм.@Р Владимирович, вот как вариант. Пользуюсь. Посмотреть вложение 492385
Хотел попробовать собрать темброблок с буферными каскадами, но отказался.

Добрый день. Не согласен от слова «СОВСЕМ». Увы, но мой маленький (НЕ?) подсказывает, что предельно высокое напряжение на подобные LM-изделия лучше не подавать. Опыт применения LM317 показал, что заявленное в даташите предельное входное напряжение в 40v это ничто иное, как маркетинговый ход. Уже при Uвх 38,5V многие экземпляры упомянутой LM317 начинали закипать, не смотря на радиатор и, соответственно, вести себя непредсказуемо. Так, что...Да не фига с ней не будет. Радиатор, конечно нужен.
Мне в таких случаях проще. Я подбираю или сам мотаю трансформатор на нужное конечное напряжение. А дальше... дальше по выбранной схеме. Но радиатор обязателен В ЛЮБОМ случае.Ну, в таких случаях, я просто ставлю на входе резистор.