• Добро пожаловать на компьютерный форум Tehnari.ru. Здесь разбираемся с проблемами ПК и ноутбуков: Windows, драйверы, «железо», сборка и апгрейд, софт и безопасность. Форум работает много лет, сейчас он переехал на новый движок, но старые темы и аккаунты мы постарались сохранить максимально аккуратно.

    Форум не связан с магазинами и сервисами – мы ничего не продаём и не даём «рекламу под видом совета». Отвечают обычные участники и модераторы, которые следят за порядком и качеством подсказок.

    Если вы у нас впервые, загляните на страницу о форуме и правила – там коротко описано, как задать вопрос так, чтобы быстро получить ответ. Чтобы создавать темы и писать сообщения, сначала зарегистрируйтесь, а затем войдите под своим логином.

    Не знаете, с чего начать? Создайте тему с описанием проблемы – подскажем и при необходимости перенесём её в подходящий раздел.
    Задать вопрос Новые сообщения Как правильно спросить
    Если пришли по старой ссылке со старого Tehnari.ru – вы на нужном месте, просто продолжайте обсуждение.

250 ватт на двух транзисторах, проще не бывает

Что то разговор не в той плоскости пошел.
 
Высокоомный вход ловит наводки гораздо легче...:)
Кто бы спорил. Я всего лишь Андрея перефразировал.

Вот обещанная плата на скорую руку. Вид со стороны печати.
Плата сырая, на скорую руку, не проверенная. Крупные отверстия 3,2 мм, мелкие 1 мм. Коллекторы транзисторов я считаю лучше подключать отдельными проводами к БП, а перемычки не впаивать. Но это дело вкуса.
Всегда использовал модуль без платы припаивая провода прямо к контактным площадкам.
Выявленный недостаток: выходные транзисторы слишком близко друг к другу. Будут друг друга греть, зато можно использовать общую прокладку и помещаются на один кулер.
 

Вложения

  • Плата для модуля.webp
    Плата для модуля.webp
    67.5 KB · Просмотры: 484
  • IMG_0677.webp
    IMG_0677.webp
    62 KB · Просмотры: 600
Где эти микры купить можно?
 
Серии начинающиеся на 200 это не микросхема в полном смысле того слова, а гибридные модули.
Гибридные интегрально-дискретные модули многие заводы делали в основном для своих нужд. Например для телевизоров Горизонт 257-й серии. Бердский радиозавод применял их в своих последних моделях. Широко были распространены 224-я, 237-я серии. Подобное практикуют и иностранные фирмы. Где-то в запчастях, остатках возможно можно найти.
Гугол Вам в подспорье.
 
к227ун1б это аналог PA7305?
 
Функционально и по параметрам вроде как да. По крайней мере с нее похоже передрали.
 
ВЫ бы дали схему гибридки ,а то неохота черный ящик обсуждать.
 
  • Like
Реакции: WHS
А что там собственно обсуждать? Они все одинаковы. Дифусилитель на полевиках на входе, потом усилитель напряжения.
Вот например PA61 Apex POWER OPERATIONAL AMPLIFIERS Документация и описания электронных компонентов | ChipFind.ru.
Качество естественно расчитано на моторы и никакой ни хайэнд. Но расчет, что многим 0,01% искажений для дискотеки вполне достаточно.
Другой вопрос, как повысить качество?
Это нужно по крайней мере обеспечить хороший ток покоя выходного каскада пожертвовав экономичностью, простотой и надежностью.
Поставить на выходе Дарлингтоны, чтобы разгрузить усилитель напряжения. Это, кстати, и мощность позволит повысить.
Но все это усложнение, а не упрощение и совсем другая тема, и таких проектов пруд пруди.
А в этой теме думаю как еще можно упростить схему в первом сообщении.
Пути видятся такие. Отказаться от одного источника. Соединить с корпусом коллекторы выходных транзисторов. Перейти в А-класс, оставив только один транзистор или два параллельных транзистора.
 
к227ун1б это аналог PA7305?
По случаю уточнил.
Аналог по параметрам и функциям.
Только рассчитана на подключение двух пар выходных транзисторов.
Но другое конструктивное исполнение для того чтобы:
- отпала необходимость изготовления печатной платы, провода паяются прямо к контактам модуля,
- и отпала необходимость использования радиатора и необходимость устанавливать модуль на радиатор.
Радиаторы нужны только для выходных транзисторов.
И цена в 5 раз дешевле.
 
Ну и ушлый у нас народ! Оригинал стоит 150 баксов, а копия всего 20. Да еще печатная плата и радиатор не нужны.
 
Это да. Да и будет эта копия работать,вопрос
 
Это думаю не вопрос. Работает же 155 серия, да и все остальные. А ведь все скопированы с зарубежных оригиналов.
 
Ладно. А смысл? Если даром,то можно,но покупать?
 
С этим трудно не согласиться.
Особенно если бы даром раздавали такие:

А 250 Вт можно легко на дискотеках или корпоративах отбить.
Особенно если штуки 4 в один корпус вставить.
 

Вложения

  • DSCN3398.webp
    DSCN3398.webp
    137.3 KB · Просмотры: 1,141
С этим трудно не согласиться.
Особенно если бы даром раздавали такие:

А 250 Вт можно легко на дискотеках или корпоративах отбить.
Особенно если штуки 4 в один корпус вставить.
И сколько в общем по цене выходит один канал?
 
Это вопрос в тему "Усилитель, дешевле не бывает".А здесь долларов двадцать выйдет наверное.Хотя на плате и потраченном времени сэкономить можно.А время нынче тоже денег стоит.
 

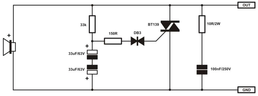
Вложения

  • защита с цобелем.webp
    защита с цобелем.webp
    9.7 KB · Просмотры: 952
Лишней будет. Там цобель встроенный есть. Так что Цобель в этой схеме не нужен, а вот предохранитель в цепь поставить можно, а то неизвестно чему гореть в случае чего.
 
Назад
Сверху