Смотрите видео ниже, чтобы узнать, как установить наш сайт в качестве веб-приложения на домашнем экране.
Примечание: Эта возможность может быть недоступна в некоторых браузерах.
Добро пожаловать на компьютерный форум Tehnari.ru. Здесь разбираемся с проблемами ПК и ноутбуков: Windows, драйверы, «железо», сборка и апгрейд, софт и безопасность. Форум работает много лет, сейчас он переехал на новый движок, но старые темы и аккаунты мы постарались сохранить максимально аккуратно.
Форум не связан с магазинами и сервисами – мы ничего не продаём и не даём «рекламу под видом совета». Отвечают обычные участники и модераторы, которые следят за порядком и качеством подсказок.
Если вы у нас впервые, загляните на страницу о проекте, чтобы узнать больше. Чтобы создавать темы и писать сообщения, сначала зарегистрируйтесь, а затем войдите под своим логином.
10 ватт))) А вообще какую микросхему можете посоветовать?! полярность питания роли не играет.Усилитель с телевизора,это ещё кошмарней,даташит не смотрел,но там выходная мощьность Ватт5,Вам это нужно?
В даташите есть варианты включения как с однополярным, так и сдвух полярным питанием, с двухполярным приедпочтительней. Выдает max 10 ватт на динамиках сопротивлением 8 Ом.вот ещё микра попалась с телевизора вместе с динамиками (возле подъезда стоял, выкинул кто то)тда7269, даташит на неё смотрел, непонятно было питание возле входа
10 ватт))) А вообще какую микросхему можете посоветовать?!
в смысле одно двухполярное:tehnari_ru_942:10 ватт))) А вообще какую микросхему можете посоветовать?! полярность питания роли не играет.
в смысле одно двухполярное:tehnari_ru_942:
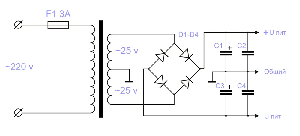
Вот как-то так. На TDA7294 у тебя двухполярное питание.
Кстати вот еще нашел хороший фильтр для сабвуфера: http://www.tehnari.ru/f114/t58657/#post602891
видел это сегодня. Надо сделать, чтоб сравнить. Хуже уже не будет))К стати я про него и говорил.
Сегодня закончил собирать. Подключил. За неимением некоторых деталей поставил близкие по значению. Вопрос, обязательно ли на входе фнч ставить конденсаторы ёмкостью 3,3 мкф и что это даёт.?? Завтра вечером испытаю на полную. Кстати, разница в плечах питания 0,6 вольта. Это нормально??К стати я про него и говорил.
В принцепи это нормально, но чем меньше разница тем лучше...:tehnari_ru_889:Кстати, разница в плечах питания 0,6 вольта. Это нормально??
Вы наверно не до конца читали тему,конденсаторы3.3мкф были заменены на 1мкф.Резисторы R7,R8-1кОм.Сегодня закончил собирать. Подключил. За неимением некоторых деталей поставил близкие по значению. Вопрос, обязательно ли на входе фнч ставить конденсаторы ёмкостью 3,3 мкф и что это даёт.?? Завтра вечером испытаю на полную. Кстати, разница в плечах питания 0,6 вольта. Это нормально??
да всё я прочитал. Просто хотелось бы разницу послушать.. После сегодняшнего прослушивания предлагаю переименовать тему в ,,Убийцу соседей,,:tehnari_ru_942: Звучит и правда здорово, хотя ЭТО слово здесь не к месту)) На Алтае 22,09 времени. Заменю детали сегодня, но послушать придётся завтра.....:tehnari_ru_121: Всем спасибо БОЛЬШОЕ!!!! зы: Средний переменник на 50 ком, так что возврат фазы пока не ощутил... Найду детальки , обязательно отпишусь + фото :tehnari_ru_889:Вы наверно не до конца читали тему,конденсаторы3.3мкф были заменены на 1мкф.Резисторы R7,R8-1кОм.