• Добро пожаловать на компьютерный форум Tehnari.ru. Здесь разбираемся с проблемами ПК и ноутбуков: Windows, драйверы, «железо», сборка и апгрейд, софт и безопасность. Форум работает много лет, сейчас он переехал на новый движок, но старые темы и аккаунты мы постарались сохранить максимально аккуратно.

    Форум не связан с магазинами и сервисами – мы ничего не продаём и не даём «рекламу под видом совета». Отвечают обычные участники и модераторы, которые следят за порядком и качеством подсказок.

    Если вы у нас впервые, загляните на страницу о проекте, чтобы узнать больше. Чтобы создавать темы и писать сообщения, сначала зарегистрируйтесь, а затем войдите под своим логином.

    Не знаете, с чего начать? Создайте тему с описанием проблемы – подскажем и при необходимости перенесём её в подходящий раздел.
    Задать вопрос Новые сообщения Как правильно спросить
    Если пришли по ссылке со старого Tehnari.ru – вы на нужном месте, просто продолжайте обсуждение.

Электронный ключ

  • Автор темы Автор темы sssvvv
  • Дата начала Дата начала
Уважаемый Derba, спасибо за развернутый ответ. Подскажите, пожалуйста какое напряжение и ток побежит на затвор полевика? Не будет ли теряться полезный ток от источника тока 10 В предназначенный потребителю (1 А)? Скажем потребитель цепь которого призван закрыть полевик имеет сопротивление 5 Ом. Скажите будет ли при замкнутом полевике сила тока на потребителе 2 А (10/5=2 или около того) или же существенная часть тока потеряется на компараторе и резисторах R2 и R3? Спасибо за Вашу помощь.

На R2, R3 и R4 и компараторе в сумме потеряется мало, обычно этим током пренебрегают.
Ток через нагрузку определяется тем током, что способен дать блок питания. Если он способен дать 2А, то практически такой ток получите на нагрузке.
Потери на R2 и R3, R4 и компараторе не превысят 10ма (или 0,5% от тока 2А), такой ток можно и не учитывать. Но, на компараторе можно получить малую частоту , до 1 кгц. На операционниках до 5 кгц, а выше только на специальных драйверах, т.к. емкости затворов значительны, и нужен ток в импульсе на высоких частотах, где то до 2А (иногда и выше) в импульсе, для зарядки емкости затвора, но такой ток ни ОУ ни компаратор дать не в состоянии.
 
Уважаемый Derba, спасибо за Вашу помощь и терпение. Очень благодарен Вам за разъяснения, спасибо. Подскажите, пожалуйста, почему на резисторах теряется такой маленький ток, они ведь по-сути параллельно соединены с основным потребителем (1 А) и откуда берется значение 0,5% на потери от силы тока источника. Спасибо Вам. Не смог своевременно ответить, извините.
 
Уважаемый Derba, спасибо за Вашу помощь и терпение. Очень благодарен Вам за разъяснения, спасибо. Подскажите, пожалуйста, почему на резисторах теряется такой маленький ток, они ведь по-сути параллельно соединены с основным потребителем (1 А) и откуда берется значение 0,5% на потери от силы тока источника. Спасибо Вам. Не смог своевременно ответить, извините.
Изучаем закон Ома и вспоминаем математику начальной школы.
Ещё раз перечитываем, что Вам написал derba в сообщении выше и вспоминаем элементарные соотношения.
На R2, R3 и R4 и компараторе в сумме потеряется мало, обычно этим током пренебрегают.
Потери на R2 и R3, R4 и компараторе не превысят 10ма (или 0,5% от тока 2А), такой ток можно и не учитывать.
 
Mr.Fix, спасибо за замечание! Что-то меня занесло (10 / 10кОм + 150Ом = 10мА, приблизительно). Подскажите, какова роль R4. Спасибо.
 
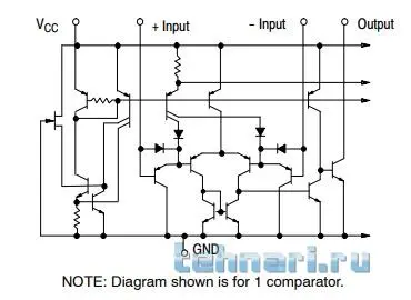
Выходной каскад компаратора выполнен по структуре "отрытый коллектор", смотрите рисунок, то есть внутри микросхемы отсутствует нагрузочный резистор коллектора выходного транзистора, в следствии этого нет условий для протекания тока в цепи коллектора и именно для этого нужен внешний резистор нагрузки, коим и является R4.
 

Вложения

  • Comp.webp
    Comp.webp
    8.9 KB · Просмотры: 118
Спасибо, буду разбираться. А чем обоснована величина резистора (1 кОм)? Еще хотел Вас спросить немножко не по теме: подскажите, можно ли как-нибудь увеличить напряжение источника постоянного тока (скажем, батарейки 3,7 или 9 В) с помощью конденсаторов, не использую генераторы частоты, трансформаторы и т.д? Спасибо Вам за помощь.
 
А чем обоснована величина резистора (1 кОм)?
Скоростью заряда ёмкости затвора.
подскажите, можно ли как-нибудь увеличить напряжение источника постоянного тока (скажем, батарейки 3,7 или 9 В) с помощью конденсаторов, не использую генераторы частоты, трансформаторы и т.д?
Вариантов много, один из самых простых: зарядите самодельный конденсатор и отключите его от источника тока, раздвинув пластины получите нужное напряжение.
 
Уважаемый Derba, спасибо за Вашу помощь и терпение. Очень благодарен Вам за разъяснения, спасибо. Подскажите, пожалуйста, почему на резисторах теряется такой маленький ток, они ведь по-сути параллельно соединены с основным потребителем (1 А) и откуда берется значение 0,5% на потери от силы тока источника. Спасибо Вам. Не смог своевременно ответить, извините.

Потому, что номиналы их малы. Вот и токи через резисторы малы. всего ок 0.5%.
С конденсатором, как увеличить напряжение: зарядить конденсаторы в параллель, и потом выставить их последовательно, Когда конденсаторы разрядятся, то операцию повторить. Так, кстати и работают умножители.
 
подскажите, можно ли как-нибудь увеличить напряжение источника постоянного тока (скажем, батарейки 3,7 или 9 В) с помощью конденсаторов, не использую генераторы частоты, трансформаторы и т.д? Спасибо Вам за помощь.
Без преобразования в переменный ток, и последующего преобразования снова в постоянный, не выйдет. Кстати, трансформаторы тоже работают на переменном токе
 
Подскажите, пожалуйста почему данная схема не работает? Все ведь подключено согласно даташиту компаратора. Спасибо.
 

Вложения

  • Схема.webp
    Схема.webp
    17.1 KB · Просмотры: 146
Из выхода out не подается напряжение на затвор полевого транзистора. Почему? Ведь напряжение на входе in1 - меньше напряжения на входе in1 + ? Напряжение на vcc равно 10 В, в чем дело? Помогите, пожалуйста разобраться. Очень нужно. Спасибо.
 
Первое.
Сток транзистора нужно обязательно включать через нагрузку!
Второе.
Все не задействованные входа компаратора необходимо посадить на общий провод.
Третье.
По питанию необходим конденсатор.
Четвёртое.
Какой применили транзистор? Если на выходе компаратора напряжение близкое к напряжению питания, то нужно применить транзистор с меньшим напряжением открывания, что нибудь из logic level, к примеру.
Пятое.
Здесь я дал схему http://www.tehnari.ru/f117/t262953/index2.html#post2629940 в которой нет лишних деталей...
 
Спасибо большое за помощь. Сток транзистора подключен через нагрузку (потребитель работой которого и нужно управлять), забыл указать на схеме. Подскажите, пожалуйста, как понимать "все не задействованные входа компаратора необходимо посадить на общий провод"? На какой общий провод? Зачем по питанию нужен конденсатор? Без него никак нельзя обойтись? Использовал транзистор irlz44n. Скажите какое напряжение и ток будет на выходе out1 при правильной работе схемы?Спасибо за терпение.
 
Транзистор выбрали правильно, достаточно ли напряжения 10 вольт для управления нагрузкой?
Управляющее напряжение на вывод №7 нужно подавать через резистор 4,7 - 10 кОм.
Выводы микросхемы №4, 5, 8, 9, 10, 11 соединить с выводом №12.
Конденсатор подключенный непосредственно между выводами 3 и 12, по питанию, обеспечит стабильную работу схемы.
Напряжение на выводе №1 будет либо 0, если вывод №7 соединить с 12 выводом, либо +10 вольт при подключении к нему источника как на Вашей схеме, о токе говорить не приходится, это не имеет значения.
 
Спасибо большое за Вашу помощь. Подскажите, пожалуйста зачем управляющее напряжение на вывод №7 нужно подавать через резистор 4,7 - 10 кОм и почему именно 4,7 - 10 кОм(как это рассчитать)? Помогите, пожалуйста, понять почему я собрал простейший ключ без компаратора, управляемый N-канальным полевым транзистором irlz44n соединив с затвором положительный контакт управляющего источника тока, отрицательный контакт этого же источника с истоком, положительный контакт питающего источника через потребитель со стоком, отрицательный контакт питающего источника с истоком, а схема работает не всегда корректно, а именно, даже когда на затвор не подается положительное напряжение на контактах потребителя бывает напряжение близкое 10 вольтам, причем сила тока может доходить до 0,17 - 0,25 А? Как это объяснить? Когда управляющий источник тока не подключен к затвору и истоку сила тока на потребителе может доходить до 0,4 А, а напряжение почти до 10 Вольт. Как так? Как можно предотвратить такую неконтролируемую работу? Спасибо за Ваше терпение.
 
Прилагаю схему на скорую руку.
 

Вложения

  • Безымянный.webp
    Безымянный.webp
    7.2 KB · Просмотры: 150
Резистор на неинвертирующем входе компаратора ограничивает входной ток.
Затвор транзистора не привязан к потенциалу истока, болтается в воздухе, именно по этой причине после снятия напряжения он не закрывается и подвержен внешним наводкам.
Для того, чтобы он работал корректно, нужно между затвором и истоком, в непосредственной близости от транзистора, поставить резистор номиналом около 100 кОм.
 
Спасибо, большое Вам спасибо, очень помогли. Единственное позвольте уточнить можно ли использовать резистор номиналом в 1 кОм? Спасибо.
 
Если это не сильно нагрузит источник напряжения, которым Вы управляете транзистором, то почему бы и нет.
 
Вы имеете ввиду, что часть тока от управляющего источника бесцельно убежит на сопротивление в 1 кОм, верно? Спасибо.
 
Назад
Сверху