Должна если ничего не сгорело.
Надеюсь)
Смотрите видео ниже, чтобы узнать, как установить наш сайт в качестве веб-приложения на домашнем экране.
Примечание: Эта возможность может быть недоступна в некоторых браузерах.
Должна если ничего не сгорело.
+ ещё транзисторы смени если не заработает то ты оконченик сполил
Выкинь тембрблок н*х он г*вн*
Некрасивый зато рабочий.
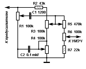
В у101 только на питании стоит керамика, а в звуке пленка.
вы чё ему усилитель то портите выкень то выкень это он потом некрасивый будет!
вы чё ему усилитель то портите выкень то выкень это он потом некрасивый будет!
Выкинь тембрблок н*х он г*вн*
Выкинь тембрблок н*х он г*вн*
вы чё ему усилитель то портите выкень то выкень это он потом некрасивый будет!
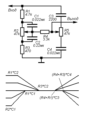
Так ведь можно тембр заменить на пассивный и не будет никаких уродств.
вот где темброблок :tehnari_ru_509:
в моём пасивный))):tehnari_ru_150: