• Добро пожаловать на компьютерный форум Tehnari.ru. Здесь разбираемся с проблемами ПК и ноутбуков: Windows, драйверы, «железо», сборка и апгрейд, софт и безопасность. Форум работает много лет, сейчас он переехал на новый движок, но старые темы и аккаунты мы постарались сохранить максимально аккуратно.

    Форум не связан с магазинами и сервисами – мы ничего не продаём и не даём «рекламу под видом совета». Отвечают обычные участники и модераторы, которые следят за порядком и качеством подсказок.

    Если вы у нас впервые, загляните на страницу о форуме и правила – там коротко описано, как задать вопрос так, чтобы быстро получить ответ. Чтобы создавать темы и писать сообщения, сначала зарегистрируйтесь, а затем войдите под своим логином.

    Не знаете, с чего начать? Создайте тему с описанием проблемы – подскажем и при необходимости перенесём её в подходящий раздел.
    Задать вопрос Новые сообщения Как правильно спросить
    Если пришли по старой ссылке со старого Tehnari.ru – вы на нужном месте, просто продолжайте обсуждение.

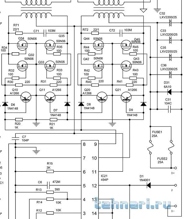
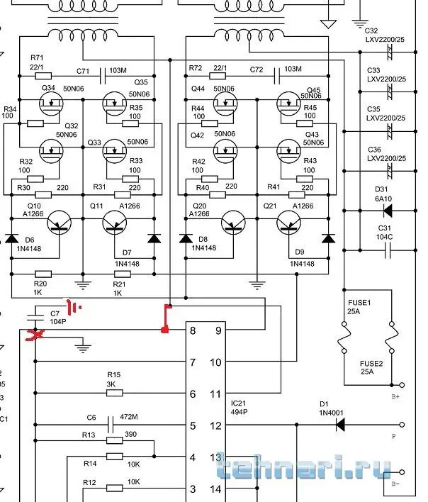
Греются драйвера на выходе усилителя

Есть ли ошибки в схемах?
 

Вложения

  • DLS 450.webp
    DLS 450.webp
    38.1 KB · Просмотры: 46
  • DLS 350.webp
    DLS 350.webp
    33.9 KB · Просмотры: 41
Слушай,это же ланзароподобное чудко,верно?
 
Ну что же,тогда все верно
 
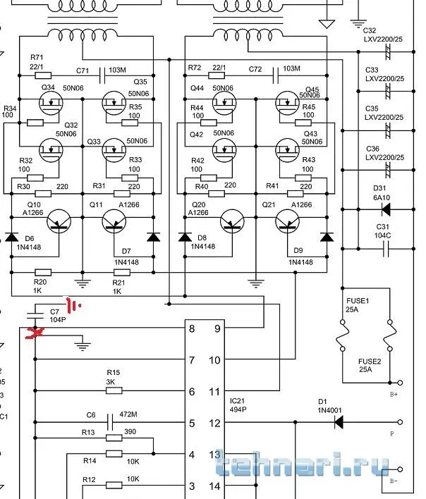
Встречал схемное уродство в автоусилителях, когда преобразователь стабилизированный, а дросселя на выходе вторичного выпрямителя нет
 
Так наверное правильней , да и в 650-м тоже подобные косяки
 

Вложения

  • DLS 450.webp
    DLS 450.webp
    39 KB · Просмотры: 31
  • DLS 350.webp
    DLS 350.webp
    35.3 KB · Просмотры: 26
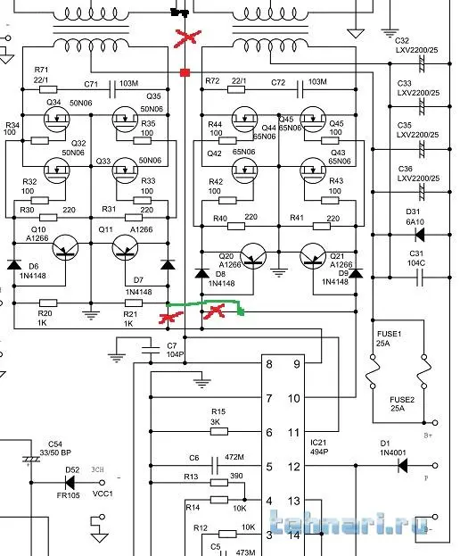
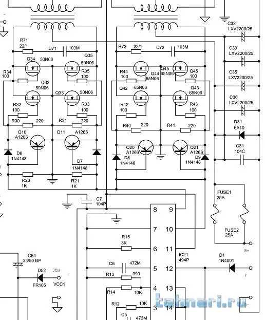
8 и 11 соединить ( забыл ))
 

Вложения

  • DLS 450.webp
    DLS 450.webp
    39.3 KB · Просмотры: 25
ТЕМА:closed:
 
Назад
Сверху