• Добро пожаловать на компьютерный форум Tehnari.ru. Здесь разбираемся с проблемами ПК и ноутбуков: Windows, драйверы, «железо», сборка и апгрейд, софт и безопасность. Форум работает много лет, сейчас он переехал на новый движок, но старые темы и аккаунты мы постарались сохранить максимально аккуратно.

    Форум не связан с магазинами и сервисами – мы ничего не продаём и не даём «рекламу под видом совета». Отвечают обычные участники и модераторы, которые следят за порядком и качеством подсказок.

    Если вы у нас впервые, загляните на страницу о проекте, чтобы узнать больше. Чтобы создавать темы и писать сообщения, сначала зарегистрируйтесь, а затем войдите под своим логином.

    Не знаете, с чего начать? Создайте тему с описанием проблемы – подскажем и при необходимости перенесём её в подходящий раздел.
    Задать вопрос Новые сообщения Как правильно спросить
    Если пришли по ссылке со старого Tehnari.ru – вы на нужном месте, просто продолжайте обсуждение.

Изолировать или нет?

если резисторы убираешь то тогда нормально работает
 
может резисторы не правилно поставил в разрыв провода отпеременника к усилку?
 
Не понятно? Мы разговаривает на пальцах, по какой конкретно схеме
собирал входные цепи ? ... :)
 
вот так подключенно:) только от среднего вывода переменника идёт резистор как на схеме Правильно или нет?
 

Вложения

  • 003.webp
    003.webp
    1.3 KB · Просмотры: 164
  • 005.webp
    005.webp
    4.5 KB · Просмотры: 75
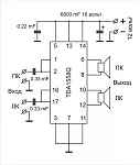
Не, мне схему всего усилителя по которой собирал, где посмотреть ? ... :)
 
Вот схема по которой собирал
 

Вложения

  • схема.webp
    схема.webp
    2.9 KB · Просмотры: 87
Вадик, или ты не правильно собрал или рассказываешь сказки?
По рисункам собрал все правильно, но это по рисункам?
Если переменник вывести на ноль, т.е. это значит соединится
с массой, то какой может быть звуковой сигнал, если на
проводе общий. Видимо не так собрал, как нарисовано ! ... :)
 
ну если к переменнику не ставить резисторы то работает нормально не слышно звука при выкручивании ручки на массу, а ставишь резистор как ты советовал, начинает слышен звук, сам не понимаю что за фантастика. Резистор я правильно поставил? Один конец резистора к переменнику другой к усилителю? Или между средней ножкой переменника и землёй надо?
 

Вложения

  • 003.webp
    003.webp
    1.3 KB · Просмотры: 78
  • 003df.webp
    003df.webp
    1.4 KB · Просмотры: 147
Назад
Сверху