• Добро пожаловать на компьютерный форум Tehnari.ru. Здесь разбираемся с проблемами ПК и ноутбуков: Windows, драйверы, «железо», сборка и апгрейд, софт и безопасность. Форум работает много лет, сейчас он переехал на новый движок, но старые темы и аккаунты мы постарались сохранить максимально аккуратно.

    Форум не связан с магазинами и сервисами – мы ничего не продаём и не даём «рекламу под видом совета». Отвечают обычные участники и модераторы, которые следят за порядком и качеством подсказок.

    Если вы у нас впервые, загляните на страницу о проекте и правила – там коротко описано, как задать вопрос так, чтобы быстро получить ответ. Чтобы создавать темы и писать сообщения, сначала зарегистрируйтесь, а затем войдите под своим логином.

    Не знаете, с чего начать? Создайте тему с описанием проблемы – подскажем и при необходимости перенесём её в подходящий раздел.
    Задать вопрос Новые сообщения Как правильно спросить
    Если пришли по старой ссылке со старого Tehnari.ru – вы на нужном месте, просто продолжайте обсуждение.

Как зарядить аккумулятор?

Вот нашел одну схемку.
Резистором R1 устанавливается зарядный ток, на его место поставить переменное сопротивление чтобы регулировать ток и в разрыв цепи поставить амперметр, а вместо 78L05
поставить КР142ЕН12.
Для заряда моего АКБ нужно 0,4А, значит резистор должен быть 30ом.
Я все правильно думаю, подойдет ли эта схема?
 

Вложения

  • 377573.webp
    377573.webp
    12.8 KB · Просмотры: 44,898
подцепи к тому-который регулируется....выстави нужный ток и оставь часа на 3....
 
Последнее редактирование:
снять с зарядки и пользоваться....но учти - если ток зарядки будет меньше требуемого то времени для зарядки нужно больше

Спасибо! Если куплю АКБ, то попробую:)
 
Не, все таки я буду делать зарядник по этой схеме Уникальное схемное решение - Технический форум
Проверенно и как раз подходит! Завтра буду искать детали. Потом отпишусь, что из этой идеи вышло!:)

несомненно George Smith как всегда даёт отличную схемотехнику....очень жаль последний месяц - второй его не видно на форуме
 
для аккумулятора 4а/ч ток зарядки 0.4а
сжечь такое зарядное практически не возможно,лампочка играет роль ограничителя тока и в случае замыкания просто будет светить ярче
 
несомненно George Smith как всегда даёт отличную схемотехнику....очень жаль последний месяц - второй его не видно на форуме

да не, почему, он тут, сегодня отписывался в темах.
 
Такс, нашел АКБ от бесперебойника, 12вольт 7,2Ач.
Бесперебойник даже не включается(может быть предохранители дохлые), на клеймах АКБ 2,4 вольта.
Аккумулятор жив?
Фотки сейчас выложу.
 

Вложения

  • DSC01640.webp
    DSC01640.webp
    67 KB · Просмотры: 370
  • DSC01641.webp
    DSC01641.webp
    42.7 KB · Просмотры: 274
  • DSC01643.webp
    DSC01643.webp
    46.2 KB · Просмотры: 480
Такс, нашел АКБ от бесперебойника, 12вольт 7,2Ач.
Бесперебойник даже не включается(может быть предохранители дохлые), на клеймах АКБ 2,4 вольта.
Аккумулятор жив?
Фотки сейчас выложу.

заряди...там видно будет..если разряжается быстро или вообще саморазряд происходит..это значит высох электролит...или осыпались пластинки...можно попробовать реанимировать если добавить в банки обычный автомобильный электролит(так чтобы наполнитель был влажный больше не надо) но это оживит батарею не больше чем на 1 -1,5 года потом дорога на утилизацию однозначно
 
Понятно, спасибо!:)
Предохранители рабочие! А что в них более часто ломается?
 
А каким током нужно заряжать АКБ 12в 7.2ач?
 
Ок:)
Еще нашел у себя БП от принтера. На корпусе написано +15V 233mA.
Я думаю он как раз подойдет. АКБ подключить напрямую к линии +15V и поставить заряжать. Можно ли его использовать?
 
Ок:)
Еще нашел у себя БП от принтера. На корпусе написано +15V 233mA.
Я думаю он как раз подойдет. АКБ подключить напрямую к линии +15V и поставить заряжать. Можно ли его использовать?
запросто....но ток лучше таки контролировать чтобы не был больше чем нужно, пластинки посыпятся иначе....меньше не страшно - просто дольше времени надо для подзарядки
 
понятно, это значит взять подключить этот БП через амперметр к АКБ?

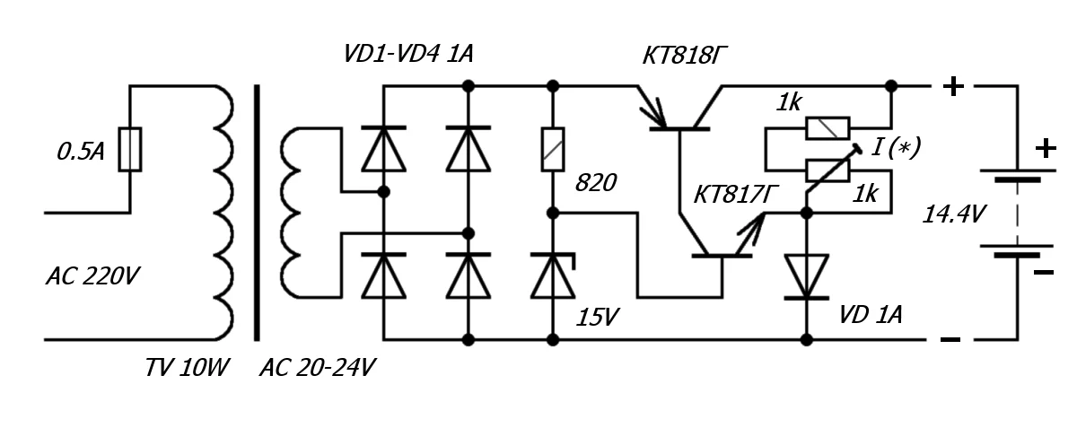
И к стати, чем можно заменить КТ818Г и КТ817Г в этой схеме?
 

Вложения

  • Рис.2.webp
    Рис.2.webp
    22.2 KB · Просмотры: 3,572
Последнее редактирование:
Вот какие транзисторы у меня есть:
КТ829Г, КТ803А, КТ217А, П215, КТ829Г, КТ815В и еще много транзисторов без названия в корпусах как КТ815. Можно ли какими нибудь из этих транзисторов заметить КТ818Г и КТ817Г?
 
Назад
Сверху