Хватит ли КРЕНки?

Есть что сказать .....говорите !
Нет .....лучше промолчите!tehno014
лично я то что есть уже сказал и считаю этот вариант единственным выходом с положения.
выбирать тс какой ему вариант использовать.
а дальше один треп уже идет.
 
Если серьезно то вариант DC_DC самый лучший, можно сделать в SMD исполнении и поместить в корпус сигнала.
Так давайте, предлагайте конкретное решение, с выходным током 5-10 ампер и чтобы вместе с сигналом это всё было дешевле (и по трудозатратам в том числе) сигнала на 24 вольт. Ждём.
 
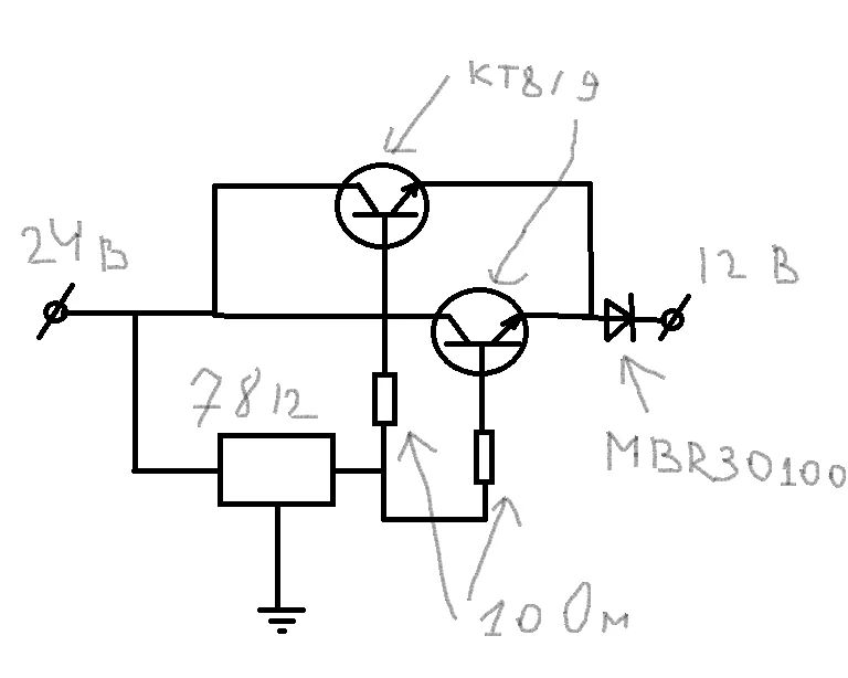
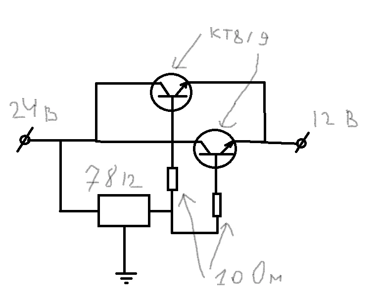
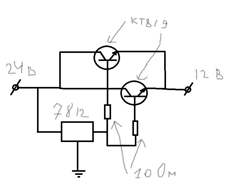
Ну стабилизатор 12 вольт (7812) 15 руб. 2 транзистора КТ819ГМ по 70-120 руб. (смотре где брать) обвязка 10-30 руб. Итого по максимуму 285 руб.
 
Схему щас гляну.
 
Ну стабилизатор 12 вольт (7812) 15 руб. 2 транзистора КТ819ГМ по 70-120 руб. (смотре где брать) обвязка 10-30 руб. Итого по максимуму 285 руб.

Что за звуковой сигнал используется?
Если есть катушка ,то необходимо зашунтировать сигнал обратным диодом ,иначе стабилизатор может "накрыться" .
 
Просьба не пинать (PAINT рулит)
 

Вложения

  • Безымянный.webp
    Безымянный.webp
    12 KB · Просмотры: 96
Упс диод забыл.
 
Во думаю так.
 

Вложения

  • Безымянный.webp
    Безымянный.webp
    14.4 KB · Просмотры: 218
а вообще купить сигнал на 24 вольта и радоватся жизни.я тут посмотрел за 700 р очень хорошие варианты есть.
 

Только КРЕН ка , не покатит ,и радиаторы на выходные транзисторы, тоже не помешали бы .
 

Вложения

  • 149642d1377634129t-aacuiyiiue.webp
    149642d1377634129t-aacuiyiiue.webp
    2.9 KB · Просмотры: 103
Чето я не понял,как лампами убрать лишние 12 вольт расскажите по подробнее,вы очевидно перепутали с током,вот ток лампами можно задать,21 ватт это будет ток в 1,75 Ампера.

Включая лампы параллельно можно задать нужный ток, а лишнее напряжение будет падать на лампах ,в виде тепла на их спиралях.
 
Включая лампы параллельно можно задать нужный ток, а лишнее напряжение будет падать на лампах ,в виде тепла на их спиралях.
Да полная хрень,чего там падать будет?это что диоды?Я вам 10 лампочек включу и покажу на вольтметре 12 вольт и что скажите?
 
Я вам приведу простой и наглядный пример.Наркоман потребляет что героин верно,так вот для лампы или еще чего нибудь нужны АМПЕРЫ тока а не шприц и иголка,так понятно.
 
блин я так и не понял про лампы.
Да всё правильно вы поняли. Лампы = резистор. Да, они будут ограничивать ток. И на них при этом будет падать напряжение. При сопротивлении этого резистора, равном сопротивлению сигнала, и падение напряжения на них будет одинаковое, то есть по 12 вольт при питающих 24.
ток лампами можно задать,21 ватт это будет ток в 1,75 Ампера.
А тут Вы поторопились. В данной ситуации такой ток будет, только если последовательно подключенный сигнал при 12 вольт питания имеет такую же мощность (21 ватт), а на самом деле его потребление значительно больше.
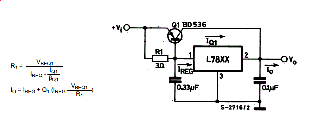
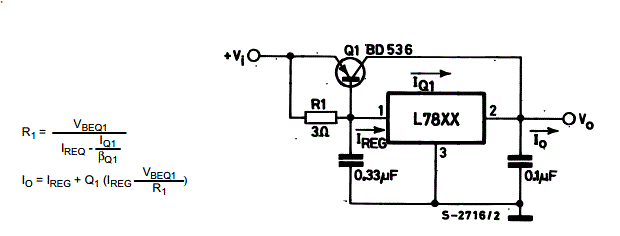
Спасибо, поржал. Можете объяснить, как работает Ваш стабилизатор? Ладно, не трудитесь. Вот типовая схема включения "умощняющего" транзистора. Как говорится - найдите разницу :)
78xx.GIF
 
Да всё правильно вы поняли. Лампы = резистор. Да, они будут ограничивать ток. И на них при этом будет падать напряжение. При сопротивлении этого резистора, равном сопротивлению сигнала, и падение напряжения на них будет одинаковое, то есть по 12 вольт при питающих 24.

А тут Вы поторопились. В данной ситуации такой ток будет, только если последовательно подключенный сигнал при 12 вольт питания имеет такую же мощность (21 ватт), а на самом деле его потребление значительно больше.

Спасибо, поржал. Можете объяснить, как работает Ваш стабилизатор? Ладно, не трудитесь. Вот типовая схема включения "умощняющего" транзистора. Как говорится - найдите разницу :)
Посмотреть вложение 149650
Ну и значит Андре Мари тоже поторопился со своими формулами.
 

Вложения

  • i.webp
    i.webp
    5.1 KB · Просмотры: 179
Да полная хрень,чего там падать будет?это что диоды?Я вам 10 лампочек включу и покажу на вольтметре 12 вольт и что скажите?

Очень интересно ваше умозаключение...:bravo:
Только последовательно с лампами включите сигнал ,а напряжение померяйте на лампах, когда подберете ток через них и сигнал 5А.

Успехов!:tehnari_ru_203:

P/S

Измерте сопротивление катушки сигнала, да подсчитайте сопротивление которое необходимо для получения тока в 5 А,
при 24 В.
Раз уж вы так любите формулы.
Да еще,сопротивление холодной лампы меньше разогретой
 
Последнее редактирование:
Назад
Сверху