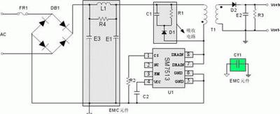
LED-драйвер на SM7513

  • Автор темы Автор темы Lastik
  • Дата начала Дата начала
Спасибо за наводку. Действительно, после установки конденсатора, указанного в даташите, проблема решилась. Схему-тотя прочёл, но даташит для своего драйвера я не нашёл. И только упоминание похожего драйвера в этой теме позволило мне попасть сюда через поисковик. Меня только беспокоит гальваническая развязка при таком включении.
 
Меня только беспокоит гальваническая развязка при таком включении.
Не переживай! Через такую маленькую ёмкость ни опасный ни смертельный ток не пройдёт! Тем более постоянный! Эта ёмкость работает на частоте ШИМа и борется с паразитной ёмкостью обмоток трансформатора.
 
Ради прикола коснулся радиатора светодиода щупом мультиметра, а вторым щупом ножки конденсатора - около 50в постоянки.. Огромное спасибо за "наводку".
 
Небольшая добавка: не всегда установка конденсатора помогает от помех. В сельской местности или при приеме программ тв на комнатную антенну (т.н. "усы") помехи на 1 канале тв (и не только) невозможно убрать, ничего не помогает. Такая беда.
IMG_20170304_221612.webp

IMG_20170304_221643.webp

IMG_20170304_221654.webp

IMG_20170304_221705.webp

1.gif
 
Итак продолжим... Оставил я идею с увеличением мощности данного драйвера, а возникла обратная задача по снижению мощности. Как уже было высказано решение в посте #17 (не мной), то я, на прошедших выходных, взялся за паяльник и стал увеличивать малоомный резистор R2. И вот результаты: при 3.6 Ома драйвер выдавал 270 мА, при 3,9-250 мА, 4,3-230, 4,7-200 мА.
Соответственно снизили мощность до 2 Вт. До переделки драйвер тянул 4 ЛЕДа по 1 Вт (последовательно). После переделки светодиоды стали светится на 5-10% своей яркости и при этом мерцали с частотой сети (примерно). Пришлось убрать один из светодиодов. Каждый ЛЕД теперь по 0,6 Вт потребляет. Других резисторов, для продолжения экспериментов, у меня не нашлось (5,1-5,6 Ом)...
 
Назад
Сверху