• Добро пожаловать на компьютерный форум Tehnari.ru. Здесь разбираемся с проблемами ПК и ноутбуков: Windows, драйверы, «железо», сборка и апгрейд, софт и безопасность. Форум работает много лет, сейчас он переехал на новый движок, но старые темы и аккаунты мы постарались сохранить максимально аккуратно.

    Форум не связан с магазинами и сервисами – мы ничего не продаём и не даём «рекламу под видом совета». Отвечают обычные участники и модераторы, которые следят за порядком и качеством подсказок.

    Если вы у нас впервые, загляните на страницу о форуме и правила – там коротко описано, как задать вопрос так, чтобы быстро получить ответ. Чтобы создавать темы и писать сообщения, сначала зарегистрируйтесь, а затем войдите под своим логином.

    Не знаете, с чего начать? Создайте тему с описанием проблемы – подскажем и при необходимости перенесём её в подходящий раздел.
    Задать вопрос Новые сообщения Как правильно спросить
    Если пришли по старой ссылке со старого Tehnari.ru – вы на нужном месте, просто продолжайте обсуждение.

Микрофон 6300

  • Автор темы Автор темы Schokk
  • Дата начала Дата начала
а если один контакт микрафона взять с массы телефона?
 
там вроде так и сделано....
 
Буду пытаться хоть один контактик спасать,:tehnari_ru_281:,ато жалко как то мобилку.
 
пожже выложу схемотехнику обвязки микрофона.., сам только в инэт вылез, моя ася сдохла по питалову, завернул по гарантии пока таковая имеется, ща данные вытащю и напишу
 
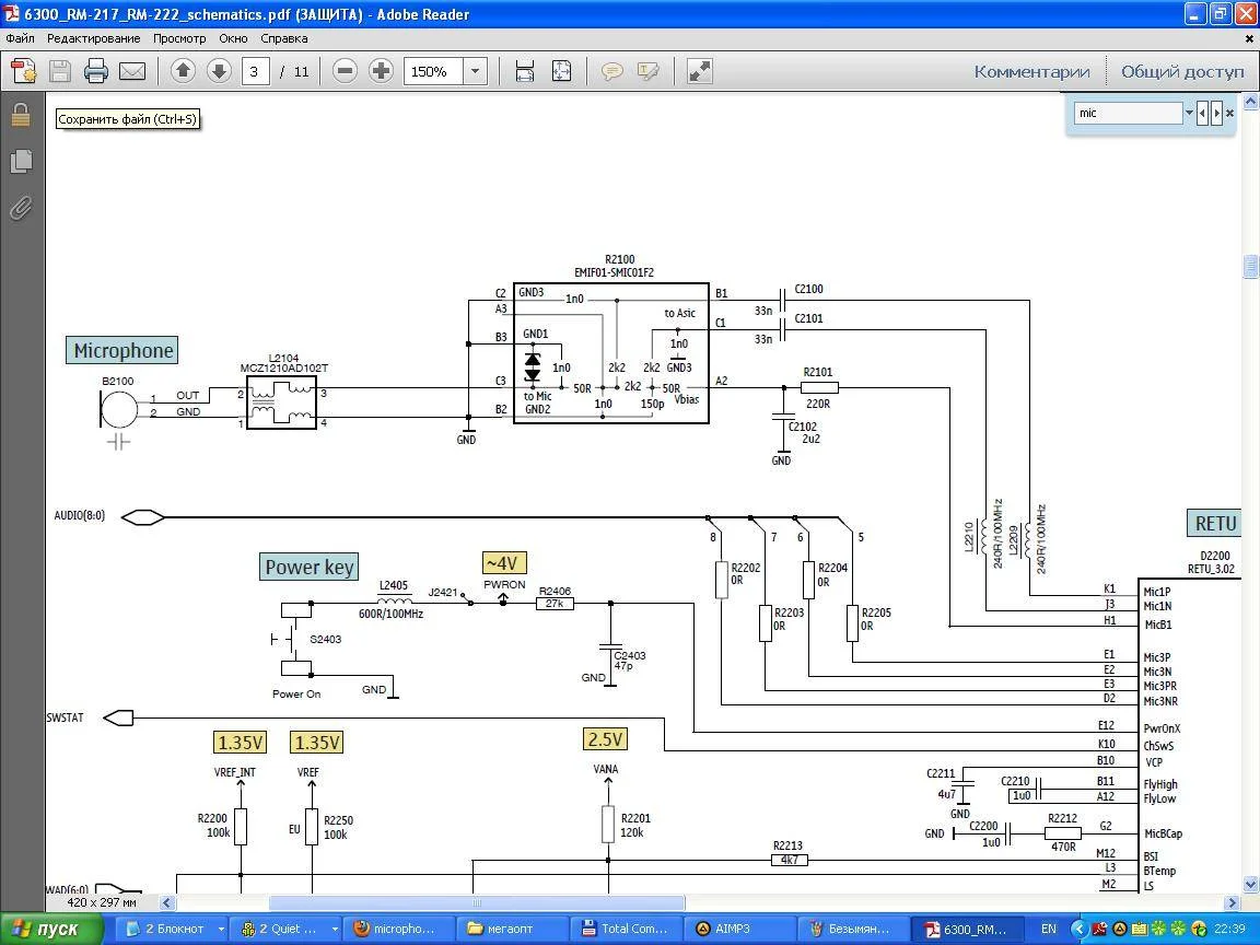
Схемотехника, обозначение

вот вся схемотехника, если будут вопросы - пишите
 

Вложения

  • Безымянный.webp
    Безымянный.webp
    92.3 KB · Просмотры: 208
  • Безымянный1.webp
    Безымянный1.webp
    75.8 KB · Просмотры: 340
  • Безымянный3.webp
    Безымянный3.webp
    98.3 KB · Просмотры: 295
  • Безымянный4.webp
    Безымянный4.webp
    126.4 KB · Просмотры: 368
спасибо,немного разобрался,надо фото платы с зади,один контакт возьму с массы,а вот откуда главный можно взять?
 
подскажите пожалуйста:tehnari_ru_244:
 
дак видно ж из схемы - с Рету минуя 2 дросселя, 3 конденсатора и 1 резюк - идет на еми фильтр, минуя его через 2в1 дроссель на микрофон., т.е при поврежденном дросселе L2104 1 контакт (gnd) в принципе масса., ну а (out) его нужно выковыривать либо с 3-го пина дросселя, либо брать с С3 контакта ЕМИ фильтра R2100., либо искать дорогу между ЕМИФ и Дросселем Л2104 (не могу сказать где она проходит)., ну и соответсвенно по аналоговой распайке R2100 пока тоже ничего не подскажу (на тот случай если изобретать велосипед)
 
(out) его нужно
выковыривать либо с 3-го
пина дросселя, либо брать с С3


можно попадробнее..там уменя вместо дроселя было 4контакта,а если смотреть спереди платы остались нижние два,кним как бы подпаяться?
 
мультиметр в руки прозванивай )))., выше все написано
 
а если будет,званиться,попаивать?(покачто подрукой нет тестеьра)
 
22.08.2011., я пьяненький был, если чо, извиняюсь, меня просто унесло., ну шо там с аппаратом то?

модератора надо попросить зачистку сделать ;) )))
 
Назад
Сверху