• Добро пожаловать на компьютерный форум Tehnari.ru. Здесь разбираемся с проблемами ПК и ноутбуков: Windows, драйверы, «железо», сборка и апгрейд, софт и безопасность. Форум работает много лет, сейчас он переехал на новый движок, но старые темы и аккаунты мы постарались сохранить максимально аккуратно.

    Форум не связан с магазинами и сервисами – мы ничего не продаём и не даём «рекламу под видом совета». Отвечают обычные участники и модераторы, которые следят за порядком и качеством подсказок.

    Если вы у нас впервые, загляните на страницу о проекте и правила – там коротко описано, как задать вопрос так, чтобы быстро получить ответ. Чтобы создавать темы и писать сообщения, сначала зарегистрируйтесь, а затем войдите под своим логином.

    Не знаете, с чего начать? Создайте тему с описанием проблемы – подскажем и при необходимости перенесём её в подходящий раздел.
    Задать вопрос Новые сообщения Как правильно спросить
    Если пришли по старой ссылке со старого Tehnari.ru – вы на нужном месте, просто продолжайте обсуждение.

Нужно сделать что-то типа электрошокера

  • Автор темы Автор темы Trezvon
  • Дата начала Дата начала
ну незнай откуда ты такую термоядерную жигу ншол вон у мен 2 штуки их одна от 2 батареек а другая от одной бьет так себе только есль мышцу немного сведет иногда даже для кайфа сам себя трес :))
 
вещь веселая сам собрал если от 0 до 10 я бы этой штуке больше 3 баллов не дал бы но тут не боль самое главное а неожиданность а вот 2 кроны туда пихать уже стрёмно
 
вещь веселая сам собрал если от 0 до 10 я бы этой штуке больше 3 баллов не дал бы но тут не боль самое главное а неожиданность а вот 2 кроны туда пихать уже стрёмно

2 кроны дрова жиге :) от 1й долго не роботает греется сильно :)
От 6 вольт норм бьет питал китайским блоком (он от 3 до 12 в)
Ну больше 3 баллов ему не Даш :)
Зато от неожиданности шарахнет норм :)

Sanekk : они все разные :) а во 2х я их переделывал на край сдела отвод 2 см ( расстояние между свинцовыми пластинами ) принцип електрофареза высота 1 см толщина где то 1 мм (+- 0.5мм) гораздо сильней бьет может и на 4 балла вытянет :)
 
у меня есть отсек для батареек на 4шт батарейки класса АА но еще не пробовал а к стати объясните как работает крона и трансформатор
 
у меня есть отсек для батареек на 4шт батарейки класса АА но еще не пробовал а к стати объясните как работает крона и трансформатор

У транса вольт меньше :)
В кроне 9 если 2 то 18 ... А он как бы на 3 вольта ...
Или что вы имел. Ввиду :)
З.Ы. Они от 12 вольт сразу згорают :) даж не 1сек не роботает :))
 
тут просто хотелось бы знать как эта штука работает ведь мы на сетьевую обмотку даем питание
 
тут просто хотелось бы знать как эта штука работает ведь мы на сетьевую обмотку даем питание

А той схеме я не Знаток :)
А предпологаю что простая статика принцип конденсатора
 
я такую штуку собирал короче вот эти батарейки и всю требуху из зажигалки вtоnx коробучку и от коробочке провода на коробочке тумблер ее в корман) п ровода пластырем приклеел по руке чтоб не болтались и вывел на ладонь) на ладонь приклеил изоленту с скотчем потом провода и сверху пластырем типа порез а где контакты проводов там прорези маленькие) когда в школу приходишь утром включаешь и начинаешь со всеми здороваться=) и веселое настроение на пол дня обеспечено=) такие лица у людей когда их шарахает=)
 
я такую штуку собирал короче вот эти батарейки и всю требуху из зажигалки вtоnx коробучку и от коробочке провода на коробочке тумблер ее в корман) п ровода пластырем приклеел по руке чтоб не болтались и вывел на ладонь) на ладонь приклеил изоленту с скотчем потом провода и сверху пластырем типа порез а где контакты проводов там прорези маленькие) когда в школу приходишь утром включаешь и начинаешь со всеми здороваться=) и веселое настроение на пол дня обеспечено=) такие лица у людей когда их шарахает=)

у меня такое было =)
тко я в перчатку ток подавал :D
один аж кайф поймал :))
 
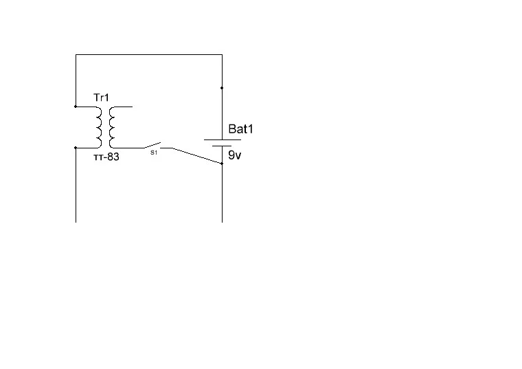
я слегка доработал схемку трансформатора поставил перемычку в качестве тумблера а трансформатор с надписями тт-83.11-88.отк-2 но у него 3 вывода 2 провода на 1 катушку с 2 выводами а перемычку на 3 вывод и из за этого бьет сильнее чем от обычной схемы фото с rusplan не получается выложить
 
да что ту я и так знаю я имею ввиду что не могу схему с rusplan сохранить как картинку
 
В sPlan: Файл =>Экспорт => Устанавливаешь формат, размер картинки => ОК
 
спасибо большое что объяснили вот фото
 

Вложения

  • пав.webp
    пав.webp
    3.1 KB · Просмотры: 143
Назад
Сверху