Осцилограф с 12 вольтового китайского телевизора

  • Автор темы Автор темы Wolltc
  • Дата начала Дата начала
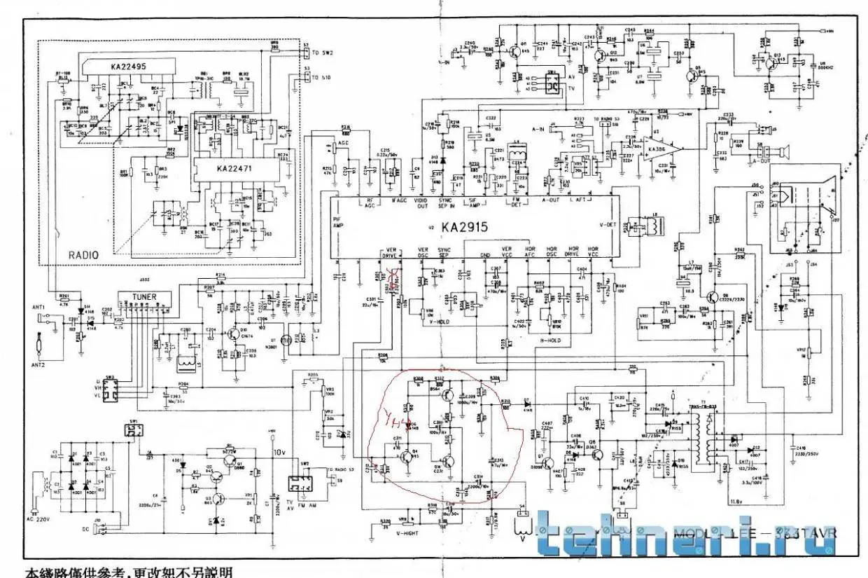
А какая реакция должна быть после отсоетинения дорожки между выводом микросхемы так ка отметели на схеме?
вертикальной развертки не должно быть - прямая линия
 
Нет всё как было так и осталось.
 
третья с низу, от ключа если смотреть на надпись,перевернул плату с веръху третья. и схемка как я думаю там есть готовый усилитель и отсоединить отсяда вот .
Может ли так быть?
Я конечно в телеках ни бум бум.
 

Вложения

  • china_lee-333tavr_ka2915_sch.pdf_12.webp
    china_lee-333tavr_ka2915_sch.pdf_12.webp
    115.5 KB · Просмотры: 441
ничего не понял. 26 ногу надо откинуть
 
сейчас попробуем 25 перерезать.
 
ничего не происходит.
Ранньше я просто отсоединял провод прямо от катушки вертикальной развёртки и оставалась только горизонтальная , и отсоединил провод от сетки (модулятора) ЭЛТ и только после дотрагивания пальцами руки появлялся на экране пунктир но очень слабого свечения
 
могу сфотать выложить если надо
 
26 ногу надо откинуть
 

Вложения

  • 1 KA2915.webp
    1 KA2915.webp
    52.2 KB · Просмотры: 83
Дошло спасибо отсоединил имею полоску по горизонтали дотрагиваюсь отвёрткой полоса чуть дребижит
 
Но ещё бы правильно отсоединить оставшееся ненужное, тюнер, звук, и куда всётаки подавать сигнал?
 
Сколько ват должен отдавать усилитель НЧ? ато чтото не выходит подавать на вертикалную развёртку сигнал только розширяется полоска гор. розвёр. со статикой:)
 
Зачем мучить телевизор – не проще собрать приставку?
 
Зачем мучить телевизор – не проще собрать приставку?
нет не проще. эта приставка рассчитана на рабочий телевизор, который используется по своему назначению, кроме того ее возможности ничем не лучше, а настройка будет намного сложнее. так что если телевизор не планируется использовать по прямому назначению то действия ТС правильные, собрать и настроить входной усилитель НЧ (при необходимости) намного проще
 
Назад
Сверху