• Добро пожаловать на компьютерный форум Tehnari.ru. Здесь разбираемся с проблемами ПК и ноутбуков: Windows, драйверы, «железо», сборка и апгрейд, софт и безопасность. Форум работает много лет, сейчас он переехал на новый движок, но старые темы и аккаунты мы постарались сохранить максимально аккуратно.

    Форум не связан с магазинами и сервисами – мы ничего не продаём и не даём «рекламу под видом совета». Отвечают обычные участники и модераторы, которые следят за порядком и качеством подсказок.

    Если вы у нас впервые, загляните на страницу о проекте, чтобы узнать больше. Чтобы создавать темы и писать сообщения, сначала зарегистрируйтесь, а затем войдите под своим логином.

    Не знаете, с чего начать? Создайте тему с описанием проблемы – подскажем и при необходимости перенесём её в подходящий раздел.
    Задать вопрос Новые сообщения Как правильно спросить
    Если пришли по ссылке со старого Tehnari.ru – вы на нужном месте, просто продолжайте обсуждение.

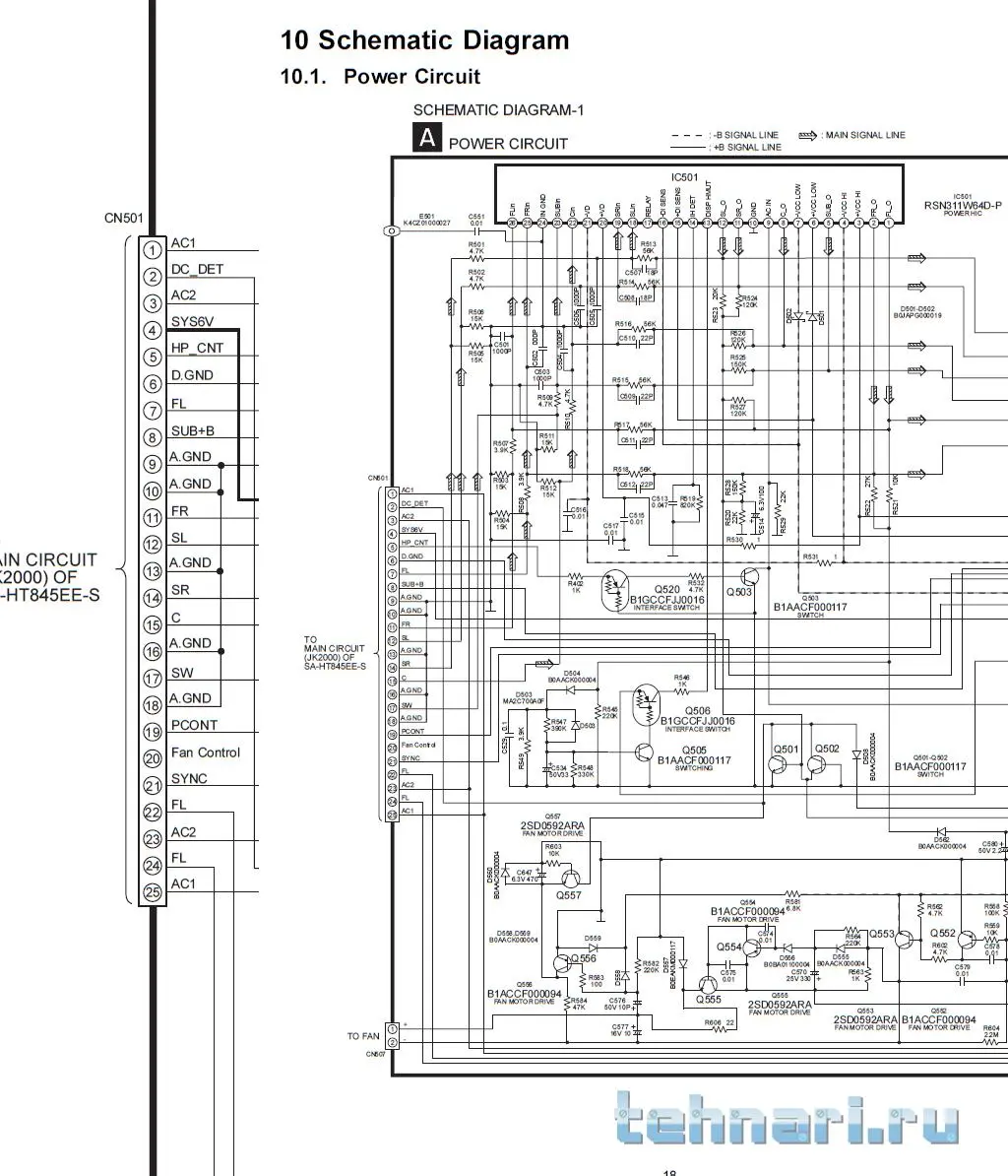
Panasonic SC-HT845, домашний кинотеатр

Первый восторг поутих и я я вернулся к намерению организовать у себя более качественное, чем до сих пор, звучание. Потому что формат 2.1, не говоря уж об 5.1 и более, никогда мне не нравился, классическое стерео - это мое. А переход на 2.1 был продиктован объективными обстоятельствами - пока шел ремонт у дочери, они жили у нас и пришлось "ужаться", что называется, по всем направлениям.
С усилителем я, в общих чертах, разобрался, теперь надо грамотно распорядится динамиками, попавшими ко мне - 2 НЧ, 6 СЧ и 5 ВЧ, попрошу помощи в соответствующем разделе.
 
Продаешь ресивер от него?
 
Неожиданно стал обладателем этой устаревшей аппаратуры.



Хочу избавится от управления через DVD-проигрыватель, оставить только саб и левый, правый фронт, но не хватает знаний. Управление и запуск осуществляется через видак, он соединен с сабом кабелем, по которому-же получает питание. Как я понимаю, мне надо определить как подать в саб сигнал пробуждения и какой, ну и как подать левый и правый канал (это вроде бы понятно , но мало-ли...)
Буду признателен за любую помощь.

Посмотреть вложение 330227 Посмотреть вложение 330228
Мне нужен dvd проигрыватель от этой модели. Не хочешь его продать?
 
Назад
Сверху