• Добро пожаловать на компьютерный форум Tehnari.ru. Здесь разбираемся с проблемами ПК и ноутбуков: Windows, драйверы, «железо», сборка и апгрейд, софт и безопасность. Форум работает много лет, сейчас он переехал на новый движок, но старые темы и аккаунты мы постарались сохранить максимально аккуратно.

    Форум не связан с магазинами и сервисами – мы ничего не продаём и не даём «рекламу под видом совета». Отвечают обычные участники и модераторы, которые следят за порядком и качеством подсказок.

    Если вы у нас впервые, загляните на страницу о проекте, чтобы узнать больше. Чтобы создавать темы и писать сообщения, сначала зарегистрируйтесь, а затем войдите под своим логином.

    Не знаете, с чего начать? Создайте тему с описанием проблемы – подскажем и при необходимости перенесём её в подходящий раздел.
    Задать вопрос Новые сообщения Как правильно спросить
    Если пришли по ссылке со старого Tehnari.ru – вы на нужном месте, просто продолжайте обсуждение.

Переделка колонок Radiotehnika S30

  • Автор темы Автор темы Ваня
  • Дата начала Дата начала
Вот что я надумал:
 

Вложения

  • Корпус динамика Сов_1.webp
    Корпус динамика Сов_1.webp
    7.2 KB · Просмотры: 976
  • Корпус динамика Сов_2.webp
    Корпус динамика Сов_2.webp
    6.9 KB · Просмотры: 331
  • Корпус динамика Сов_3.webp
    Корпус динамика Сов_3.webp
    6.7 KB · Просмотры: 497
  • Корпус динамика Сов_4.webp
    Корпус динамика Сов_4.webp
    6.8 KB · Просмотры: 1,051
Это совершенно другие динамики, а в посте #21 ссылка на чертеж акустики как раз на динамиках от S-30
 
так в том то и проблема. что динамики другие у меня, не как в оригинале, а похожие. А я не понял там в чертеже не указана толщина корпуса(самая маленькая у меня на рисунках)
я так понял, что размеры это 24х24х?
квадратный=)
 
На том чертеже указаны внутренние размеры, поэтому для себя надо считать размеры заготовок с учетом толщины материала из которого будешь делать колонки.
 
Понятно, спасибо, но сколько все таки в ширину делать?
 
Если я ничего не путаю, то они квадратные 240*240*240 мм.
 
Совсем квадратные...:tehnari_ru_1019:
Хотя... примерил 24х24х24, не шибко большие получаются, можно попробовать...
Просто в моем представлении как-то не укладывается квадрат
Как говорится лишь бы не Овальные.:))
 
Здесь размеры:
 

Вложения

  • Салтыков_корпус.webp
    Салтыков_корпус.webp
    179.4 KB · Просмотры: 513
Опа! А вот текстового описания я как раз нигде и не встречал, везде только чертеж. ВНЗ, спасибо!
 
Присоединяюсь, спасибо. Исходя из вышеуказанного текста появилось вот это:
Боковые стенки от пола до потолка(условно:D), но внутри передней и задней
Передняя и задняя Сбоку лицевые(имея в виду швы). сверху и снизу - внутри.
Верхняя и нижняя сбоку внутри, а спереди и сзади снаружи...Как-то так О_о
 

Вложения

  • Динамик.webp
    Динамик.webp
    6.7 KB · Просмотры: 1,216
Ну что ж, первый шаг сделан: я выпилил электро лобзиком все стенки(Ужас как криво, но под_шкурим):tehnari_ru_853:, послезавтра выпилю дырки и об_ровняю края, и может быть скручу уже.
Вопрос на будущее: чем нужно обшивать внутренность, как я понял фильтр это вот это. Как сделать катушку??:tehnari_ru_837:
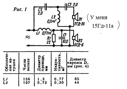
вот схема:
 

Вложения

  • Фильтр..webp
    Фильтр..webp
    16.8 KB · Просмотры: 14,231
И все таки, как сделать фильтр?
Из схем я понял, что там 2 катушки, 3 конденсатора и 1 резистор.
Вопрос: как сделать катушку? просто намотать проволоку на что-либо? И какой диаметр катушек? на схеме его нету, или это последний столбец?
НА что наматывать проволоку, и нужен ли там магнит??
 
Магнит не нужен и сердечник тоже, катушку расчитать нужно, но для нч фильтр и не нужен вовсе, соответственно отпадает необходиимость в индуктивности
 
Так вроде на схеме(#33) все дано, и кол-во витков, и толщина и все, только не знаю, подойдет это к 15ГД-11а или нет?
намотать можно на что угодно?(катушку из под ниток, нечто круглое)
То есть делать только для ВЧ головки?Просто я не знаю ,у меня по Омам не схдится. НА динамике 8 ом написано, на ВЧ 16ом, а усилитель для 4х ом
 
15 гд - 11а - это среднечастотник
 
Вот, значит делать только для ВЧ(6Гд-6-...)
и там все дано для него, так?
А как подключать эти 2 динамика и фильтр?
Параллельно Средние частоты, и параллельно вч и фильтр?
 
да, так, схема же есть
 
Назад
Сверху