• Добро пожаловать на компьютерный форум Tehnari.ru. Здесь разбираемся с проблемами ПК и ноутбуков: Windows, драйверы, «железо», сборка и апгрейд, софт и безопасность. Форум работает много лет, сейчас он переехал на новый движок, но старые темы и аккаунты мы постарались сохранить максимально аккуратно.

    Форум не связан с магазинами и сервисами – мы ничего не продаём и не даём «рекламу под видом совета». Отвечают обычные участники и модераторы, которые следят за порядком и качеством подсказок.

    Если вы у нас впервые, загляните на страницу о проекте, чтобы узнать больше. Чтобы создавать темы и писать сообщения, сначала зарегистрируйтесь, а затем войдите под своим логином.

    Не знаете, с чего начать? Создайте тему с описанием проблемы – подскажем и при необходимости перенесём её в подходящий раздел.
    Задать вопрос Новые сообщения Как правильно спросить
    Если пришли по ссылке со старого Tehnari.ru – вы на нужном месте, просто продолжайте обсуждение.

Помогите сделать питание от сети для беспроводных наушников

  • Автор темы Автор темы 123312
  • Дата начала Дата начала
Отними от 5 4*0.6...
Останется 2.6
1.3 вольта для батарейки - довольно глубокий разряд, может не завестись железка. Кстати, по той же причине и аккумуляторы могут не заработать.
Вчера менял литий в весах, не включались. Тестер показал 2.88, в материнке заработала без вопросов, а в весах ...
 
Делов на 5 минут, а шуму навели... :)

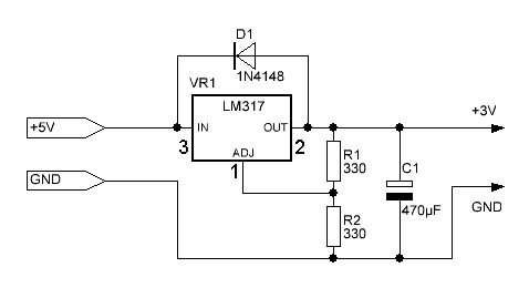
Стаб 3В.GIF
 
Делов на 5 минут, а шуму навели... :)
Ну ещё один. Лень искать даташит, да и сеть опять тормозит, но ты делишь выход ровно пополам, а человеку нужно 3 вольта.
И мы не знаем, известно ли ему, за какой конец берут паяльник. В первом посте он ясно говорит, что познания слабые.
 
За ТАКОЕ решение- двойка. Задача СЕТЕВОГО питания не решена. Очень бы хотелось увидеть клеммы с напряжением 220 Вольт.
Я за тобой больше выгребать спам не буду, и предупреждать снова тоже.
 
там можно и без паяльника
На макетке?
Ну поставь ты подстроечник, и пусть мультиком регулирует, сколько нужно. Но надёжность... Не верю я в долгую жизнь таких систем.
 
Кенгуру, бан на неделю.
 
А платка на XL4015? Готовое устройство, вход-выход, паять не надо. Стоит копейки и вообще в хозяйстве пригодится.
Я все равно не пойму, почему никто не советует простейшие схемы- стабилитрон с гасящим резистором, просто стабилитрон 2 В включенный в разрыв питающего провода.
 
Я все равно не пойму, почему никто не советует простейшие схемы- стабилитрон с гасящим резистором, просто стабилитрон 2 В включенный в разрыв питающего провода.
Для начала потому, что нигде не указано, какой ток потребляет эта
база, которая принимает сигнал от беспроводных наушников
и не ясно, будут ли корректно работать эти
простейшие схемы
Кроме того, вопрошающий заявил, что
В электрике очень слабо разбираюсь,
и сомнения берут, что он сумеет реализовать, даже эти простейшие схемы.
 
А платка на XL4015? Готовое устройство, вход-выход, паять не надо. Стоит копейки и вообще в хозяйстве пригодится.
Я все равно не пойму, почему никто не советует простейшие схемы- стабилитрон с гасящим резистором, просто стабилитрон 2 В включенный в разрыв питающего провода.

post20
Почему никто? А вот здесь разве не о таком способе стабилизации и выведении на нужный уровень?
 
Я все равно не пойму, почему никто не советует простейшие схемы- стабилитрон с гасящим резистором, просто стабилитрон 2 В включенный в разрыв питающего провода.
При токе нагрузки, для примера 1 А, прикиньте рассеиваемую мощность для простейших схем и подберите с необходимыми параметрами элементы...
 
Примерно прикинул потребление, ведь вводные ТС дал.
база от сети не питается, работает от ДВУХ батареек ААА 1.5 вольт
батарейки покупай каждые 2 дня.
У нормальных батареек ААА емкость 1000 мАч. Раз база работает постоянно, то можно ориентироваться на ток примерно в 20 мА. Ну пусть даже 60 мА, если работает примерно 8 часов в сутки. Пусть даже 100 мА. И если стабилитроном включенным в цепь срезать 2 В, то рассеивая им мощность будет 0.2 Вт. Вполне приемлемо.
 
Люди копья ломают.... А посмотреть бы, на чем эта база собрана.... Может она и от 5 вольт работать сможет, тогда просто или в юсб телика, или любой бп от телефона, планшета....
 
Назад
Сверху