nkbri555
Новые
- Регистрация
- 18 Фев 2012
- Сообщения
- 60
- Реакции
- 5
- Баллы
- 0
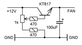
С этим я согласен, но что делать когда на матери один регулируемый разъём, а кулеров четыре. Вот для этого эту схему и разработали.Плата сама может регулировать без этой примочки.
Можно схемку что бы можно было регулировать 4 кулера?Поставили бы LM7805 и регулировали от 5 до 12 вольт
