- Регистрация
- 27 Апр 2014
- Сообщения
- 10,504
- Реакции
- 290
- Баллы
- 0
Тут на форуме есть спец по готовке 35 ГДНа-WOLF, он не даст соврать.
Смотрите видео ниже, чтобы узнать, как установить наш сайт в качестве веб-приложения на домашнем экране.
Примечание: Эта возможность может быть недоступна в некоторых браузерах.
Добро пожаловать на компьютерный форум Tehnari.ru. Здесь разбираемся с проблемами ПК и ноутбуков: Windows, драйверы, «железо», сборка и апгрейд, софт и безопасность. Форум работает много лет, сейчас он переехал на новый движок, но старые темы и аккаунты мы постарались сохранить максимально аккуратно.
Форум не связан с магазинами и сервисами – мы ничего не продаём и не даём «рекламу под видом совета». Отвечают обычные участники и модераторы, которые следят за порядком и качеством подсказок.
Если вы у нас впервые, загляните на страницу о проекте, чтобы узнать больше. Чтобы создавать темы и писать сообщения, сначала зарегистрируйтесь, а затем войдите под своим логином.





Это примерно так:там же критикуют молвь лучше это делать с помощью реле.

Посмотреть вложение 206542Еще вариант на STK
В поисковиках забанили?извините, но не могли бы Вы поделиться печатной платой
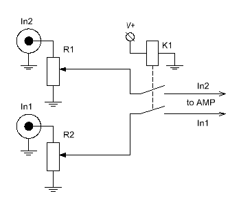
Этот вариант для меня более понятен. Я так понял что так отключается 1 канал, то есть ее надо продублировать?На реле вот так
Вопрос остается, схема отключает один канал?На реле вот так