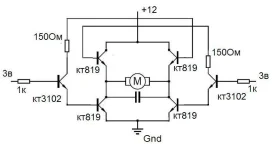
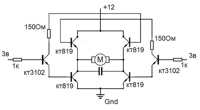
Силовой драйвер двигателя

Вложения

  • H-bridge.webp
    H-bridge.webp
    14.5 KB · Просмотры: 7,653
Значит вот такая же плата у моей машинки, только провода все на месте. Фото я нашел в интернете просто.
DSCN0275.webpDSCN0277.webp
Получается сделанная мною схема тут неприменима. Как ее переделать
под однополярное напряжение? Или все же L293 ?
 
Помогите мне:) в субботу пойду в радиодетали, на выходных поделаю.
Насчет L293 еще, я однажды ее искал для робота что на ик-диодах, так и не нашел...
 
Назад
Сверху