• Добро пожаловать на компьютерный форум Tehnari.ru. Здесь разбираемся с проблемами ПК и ноутбуков: Windows, драйверы, «железо», сборка и апгрейд, софт и безопасность. Форум работает много лет, сейчас он переехал на новый движок, но старые темы и аккаунты мы постарались сохранить максимально аккуратно.

    Форум не связан с магазинами и сервисами – мы ничего не продаём и не даём «рекламу под видом совета». Отвечают обычные участники и модераторы, которые следят за порядком и качеством подсказок.

    Если вы у нас впервые, загляните на страницу о проекте и правила – там коротко описано, как задать вопрос так, чтобы быстро получить ответ. Чтобы создавать темы и писать сообщения, сначала зарегистрируйтесь, а затем войдите под своим логином.

    Не знаете, с чего начать? Создайте тему с описанием проблемы – подскажем и при необходимости перенесём её в подходящий раздел.
    Задать вопрос Новые сообщения Как правильно спросить
    Если пришли по старой ссылке со старого Tehnari.ru – вы на нужном месте, просто продолжайте обсуждение.

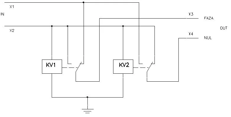
Схема для перенаправления фазы

Конечно, встает в полный рост вопрос электробезопасности, но без заземления этот вопрос можно решить только с помощью УЗО.
А разве не при замыкании земли с фазой срабатывает узо? Сработае ли оно корректно, если в качестве заземления - человек?

Заземление... А как его проверить? Контакты есть, на сетевом фильтре горит индикатор наличия заземления, а вот есть ли оно на самом деле - неизвестно. Может зануление... :?
 
Для работы УЗО заземление не нужно, оно работает по принципу сравнения токов в фазном и нулевом проводах. Если в одном из них ток становится больше или меньше чем в другом, УЗО срабатывает. При замыкании фазы с землей должен сработать токовый автомат из-за перегрузки, чем обеспечивается обесточивание неисправного оборудования и защита персонала от поражения током.

Насчет проверки заземления ничего не скажу. Сам испытываю затруднения в вопросе - как отличить ноль от земли?
 
Использовать например такую вилку. Перепутать невозможно.
 

Вложения

  • 576px-LethalSocket.webp
    576px-LethalSocket.webp
    33.2 KB · Просмотры: 1,162
Розетку что ли менять? Да боюсь еще таких розеток днем с огнем не сыщешь.

Ладно, пока вариант - пометить фломастером Наиболее рационален. :/
 
Кусочек из вики:
"Вилки и розетки типа J
SEV 1011 (Швейцарский тип 10 А/250 В)
В Швейцарии есть свой стандарт, описанный в документе SEV 1011. (ASE1011/1959 SW10A-R) Эта вилка похожа на Евровилку типа C (CEE 7/16), за исключением того, что у неё имеется смещённый заземляющий контакт, и полюсные контакты не изолированы у основания, так что вилки, не полностью вставленные в неутопленные розетки, представляют опасность электрического удара. Розетки, используемые на кухнях, в ванных комнатах и других влажных помещениях, имеют утопленное исполнение, в других же местах — нет. Некоторые вилки и переходники имеют клиновидные концы и могут быть использованы везде, другие же подходят только к неутопленным розеткам. Швейцарские розетки принимают швейцарские вилки и Евровилки (CEE 7/16). Существует также вариант вилки без заземления, похожий на вилку CEE 7/16, но рассчитанный на ток силой до 10 А, а также заземлённая вилка на 16 А с квадратными штырями."
----------------
Текста много, но смысл в том, что в такую розетку можно включить при необходимости обычную вилку.
Мне кажется, что сейчас можно найти любую розетку или вилку. Все делают братья китайцы. На их сайтах есть все. Стандарт указан.
 
Привет!
Не подскажете, как подключить электронное устройство(с определенными контактами под Фазу/ноль) в розетку?

Можно ли сделать простую схемку, чтобы при любом подключении фаза шла в фазный контакт, а ноль-в нулевой? Или хотя бы - при неправильном подключении - устройство не включалось бы(чтоб не испортилось).

Привет, вот примерно так, потребуется третий провод - заземление, т.е.
реальная земля. Тут фаза будет всегда на Х3 а ноль на Х4, как бы Вы
не вставили вилку.
Это просто как пример, реле на 220 В переменка, в паралель обмоткам
желательно RC цепочку, я их не нарисовал.
 

Вложения

  • 112.webp
    112.webp
    5.1 KB · Просмотры: 84
Powertronic PTI 150 По непонятной мне причине имеет четкое разграничение на фазный и нулевой контакт.
Вы имеете в виду обозначение на корпусе прибора (L/N)? Так эта маркировка присутствует практически на каждом устройстве, предусматривающем заземление. Даже просто провод или удлинитель - посмотрите на трёх-полюсную евро-вилку со стороны ножей - там также обозначены фаза и ноль. Короче, есть некий стандарт (не могу сейчас найти его, чтобы точно указать), обязующий делать такие обозначения. Это может быть важным для устройств, в которых отсутствует гальваническая развязка между входом и выходом (и то - не для всех). Также такой подход позволяет производителям экономить на входных фильтрах за счёт конденсаторов и варисторов по нулевому проводу (лично встречал такое в APC Back-UPS). Но обычно означает лишь то, что к этим контактам подключается сеть :)
 
Вы имеете в виду обозначение на корпусе прибора (L/N)? Так эта маркировка присутствует практически на каждом устройстве, предусматривающем заземление. Даже просто провод или удлинитель - посмотрите на трёх-полюсную евро-вилку со стороны ножей - там также обозначены фаза и ноль. Короче, есть некий стандарт (не могу сейчас найти его, чтобы точно указать), обязующий делать такие обозначения. Это может быть важным для устройств, в которых отсутствует гальваническая развязка между входом и выходом (и то - не для всех). Также такой подход позволяет производителям экономить на входных фильтрах за счёт конденсаторов и варисторов по нулевому проводу (лично встречал такое в APC Back-UPS). Но обычно означает лишь то, что к этим контактам подключается сеть
Вроде бы да, но я читал англоязычный Technical Guide к powertronic балластам. Там говорилось про необходимость использования предохранителя.
Для примера - в балластах серии quicktronic маркировка другая - там нет разницы, где подключать фазу.

Позвонил я, кстати, в свою любимую OSRAM для разъяснения этого момента. Мои вопросы передали компетентным лицам. Обещали скоро ответить.
Тоже говорили, что, скорее всего, разницы нет и ничего страшного, если я перепутаю фазу/ноль. Но! В technical Guide же говориться про использование предохранителя?! Поэтому приняли вопросы к рассмотрению. Жду ответа.

Вообще всегда приятно звонить напрямую производителю. :)
 
1.Подключение фазного и нулевого провода показано чисто условно- разницы нет и они с корпусом не связаны ( элементарно проверяется тестером).
2.С корпусом связан контакт "заземление" - здесь 2 средних.
3.Кто придумал ставить предохранитель на "ноль" ? При его сгорании остается одна гуляющая фаза ,что опасно для человека
 
Да, тоже думал. А вдруг перепутаю? Предохранитель может поставить какой-нибудь?
?
Дома. Долго думал, как бы осветить. :) Люминисцентные длинные хороши, но большие. вот и родилась идея с прожекторами металлогалогеновыми.
ДА как его перепутать можно переменный ток причем фаза ноль как хочеш вставь то плюс то минус с частотой 50 ГЦ не один прибор ращитанный на переменку фазировки не требует воще ЛЮБОЙ мож че путаеш есть фаза есть ноль есть земля прошу землю и ноль не путать это разные вещи А вот при отмотке счетчика назад трансформатором там фазировка необходима Есть схема
 
Без заземления никак не определить, где ноль, а где фаза. Грубо говоря на фазном проводе присутствует напряжение относительно линии заземления, на нулевом напряжения нет. Если нет точки, относительно которой можно контролировать наличие напряжения, мы не сможем узнать где фазный провод, где нулевой.
извините в ноле тоже есть напряжение подключите к земле и замерьте
 
Вроде бы да, но я читал англоязычный Technical Guide к powertronic балластам. Там говорилось про необходимость использования предохранителя.
Для примера - в балластах серии quicktronic маркировка другая - там нет разницы, где подключать фазу.

Позвонил я, кстати, в свою любимую OSRAM для разъяснения этого момента. Мои вопросы передали компетентным лицам. Обещали скоро ответить.
Тоже говорили, что, скорее всего, разницы нет и ничего страшного, если я перепутаю фазу/ноль. Но! В technical Guide же говориться про использование предохранителя?! Поэтому приняли вопросы к рассмотрению. Жду ответа.

Вообще всегда приятно звонить напрямую производителю. :)
да нет разницы вот ноль с землей не путайте
 
Назад
Сверху