Схема фонокорректора

  • Автор темы Автор темы andrus
  • Дата начала Дата начала
Последнее редактирование:

Вложения

  • Kenwood-KRA-10.png.webp
    Kenwood-KRA-10.png.webp
    42.2 KB · Просмотры: 255
Ответ вопросом на ответ.....это схема с интегральника тошиба ,но может ваша правда ,и ещё где-то использовалась.
 
может ваша правда ,и ещё где-то использовалась.
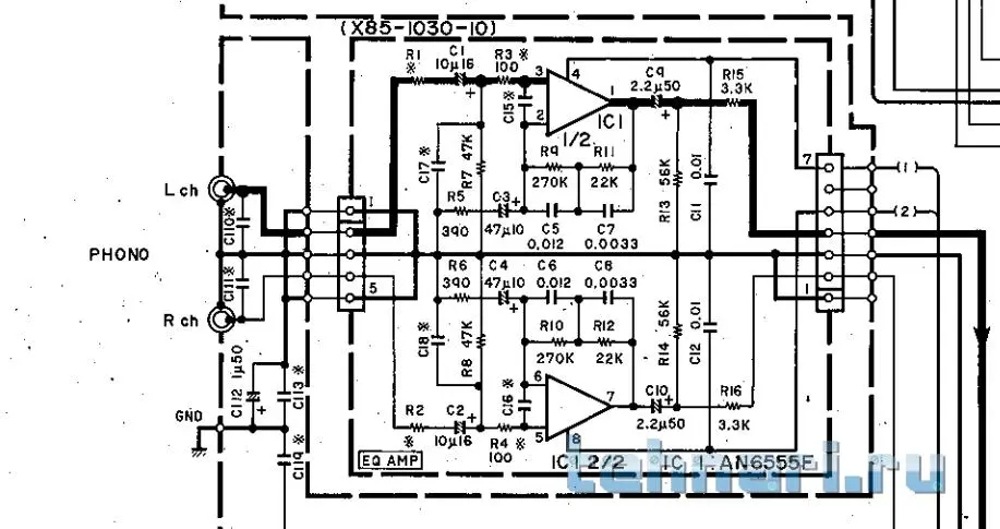
Этот фонкорректор является унифицированным модулем, имеющим свой децимальный номер X85-1030-10 , поэтому применялся во многих аппаратах того времени.
Кстати, необходимо обратить внимание, что и микросхемы в нём могли применяться разные. Поэтому и вопрос
.Что можете сказать в общих чертах
абсолютно не корректен.
 

Вложения

  • модуль.png.webp
    модуль.png.webp
    60.6 KB · Просмотры: 169
  • модуль1.webp
    модуль1.webp
    45.8 KB · Просмотры: 163
Последнее редактирование:
Фото я прикрепил , там видно что за микросхема видимо не внимательно смотрели. Имелось ввиду как он схемотехнически и что можно ожидать по звучанию. Вопрос корректен .
 
Имелось ввиду как он схемотехнически
И что, чьё-то мнение будет определяющим ???
что можно ожидать по звучанию.
а самому включить и послушать - не, не судьба ? Тем более, что уже есть готовая плата, судя по
Фото я прикрепил
 
Послушайте ,если бы можно было послушать да и ещё сравнить с чем-то то наверное я мнение авторитетных и компетентных в этом деле людей не спрашивал , вы извините конечно но вы по сути не слова не написали ,а так, от не чего делать наверное....... А если спросил на то есть свои причины .
 
Последнее редактирование:
Посоветуйте хорошую схему фк.с печатной платой .
 

Вложения

Спасибо за предложенные варианты но это слишком сложные ,платы двухсторонние нет возможности изготавливать.
 
Спасибо за предложенные варианты но это слишком сложные ,платы двухсторонние нет возможности изготавливать.
Сложного ни чего в этом нет, а самый простой и хорошо звучащий вариант - OP37, схема прямо в даташите.
https://www.tehnari.ru/f156/t82765/index38.html#post2582623
 
Обратил внимание на эту схему ,вот только с печатной платой туго ,может кто поможет с печатной платой. Есть ещё два фк.от феникс 50у-008 слушал их кто?
 

Вложения

  • 1325930686_12.webp
    1325930686_12.webp
    31.1 KB · Просмотры: 237
А почему именно на эту схему, в чём именно её эксклюзивность?
 
Немного переформулирую вопрос. Почему именно её? И почему на этом ОУ?
И напоследок, а кто советует, если не секрет?
 
В посту 377 ниже в той ссылке что Вы давали. ОР37 не представляется возможности купить
 
Назад
Сверху