• Добро пожаловать на компьютерный форум Tehnari.ru. Здесь разбираемся с проблемами ПК и ноутбуков: Windows, драйверы, «железо», сборка и апгрейд, софт и безопасность. Форум работает много лет, сейчас он переехал на новый движок, но старые темы и аккаунты мы постарались сохранить максимально аккуратно.

    Форум не связан с магазинами и сервисами – мы ничего не продаём и не даём «рекламу под видом совета». Отвечают обычные участники и модераторы, которые следят за порядком и качеством подсказок.

    Если вы у нас впервые, загляните на страницу о форуме и правила – там коротко описано, как задать вопрос так, чтобы быстро получить ответ. Чтобы создавать темы и писать сообщения, сначала зарегистрируйтесь, а затем войдите под своим логином.

    Не знаете, с чего начать? Создайте тему с описанием проблемы – подскажем и при необходимости перенесём её в подходящий раздел.
    Задать вопрос Новые сообщения Как правильно спросить
    Если пришли по старой ссылке со старого Tehnari.ru – вы на нужном месте, просто продолжайте обсуждение.

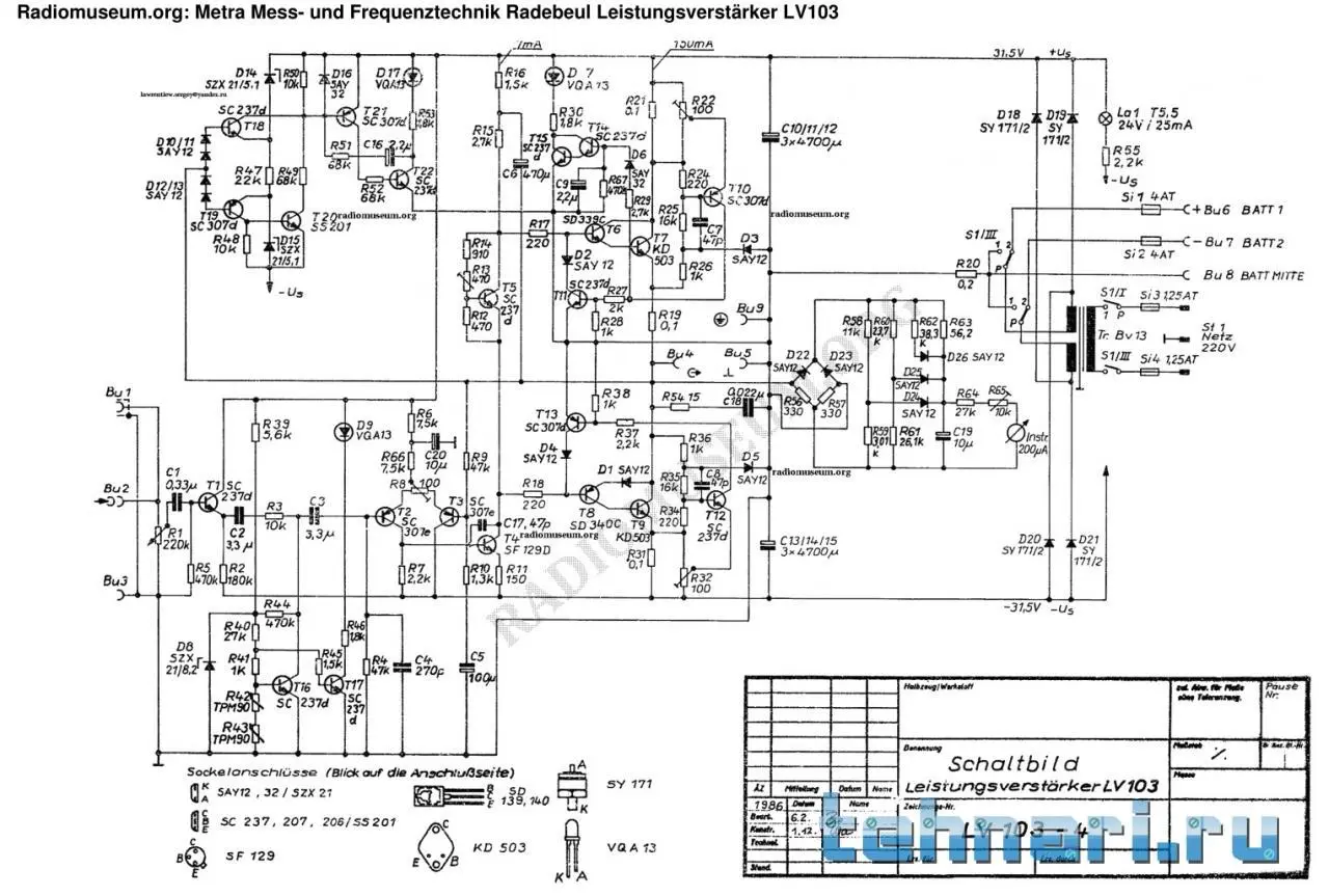
Софт старт БП с использованием NTC

  • Автор темы Автор темы MITRON
  • Дата начала Дата начала
От трансформатора это всё заряжается до +530V, никаких проблем.
Так и должно быть, потому что транец имеет R внутр. Я вот и хочу такое послед-но с транцем повесить-ток ограничить!
 
А с каких ЩЕЙ там ПЕРЕМЕННЫЙ ТО ТОК??????????????????????????

В Бабруйск:hohot:

Так и должно быть, потому что транец имеет R внутр. Я вот и хочу такое послед-но с транцем повесить-ток ограничить!

Осталось тебе только со временем заряда разобраться. Выбрать оптимальное значение.
 
Разряженные конденсаторы в БП, особенно большой емкости, для переменного тока - короткое замыкание.
.НУУУУУУУУУУ в той электронике , которую изучал Я кондёры ставят в ЛБП после диодного моста, а там ток ПУЛЬСИРУЮЩИЙ, Подскажи там своим в БОБРУЙСКЕ, чтоб правильную ТРАВКУ КУРИЛИ!!!!!!!!!!!!!!!!!!!!!!!!!!!
 
.НУУУУУУУУУУ в той электронике , которую изучал Я кондёры ставят в ЛБП после диодного моста, а там ток ПУЛЬСИРУЮЩИЙ, Подскажи там своим в БОБРУЙСКЕ, чтоб правильную ТРАВКУ КУРИЛИ!!!!!!!!!!!!!!!!!!!!!!!!!!!

А электроника везде одинаковая, т.к. закон Ома для всех един. Когда конденсатор разряжен - то он пока ничего не сглаживает, и с выпрямительного моста на него приходит переменный ток 100Гц (или 120Гц).

У буржуев не зря в даташитах для диодов есть параметр, максимальный ток одной полуволны, длительностью 8,3мкс или 10мкс, 60гц и 50гц соответственно.
 

Вложения

  • Снимок экрана 2021-12-23 143242.webp
    Снимок экрана 2021-12-23 143242.webp
    14 KB · Просмотры: 19
Что плохого тебе сделал этот славный городок? За что ты его так-то? :tehnari_ru_138:
У них, полагаю, и своих достаточно. :lol:
В данном конкретном случае, полагаю, достаточно ограничиться и Тюменью. :JS:
 
Ну ка объясните всем своим бАбруйском назначение резистора R20 в этой схеме
По сути защита акустики или БП при пробое одного из выходных транзисторов. Как правило этот резистор маломощный, например в Амфитонах они установлены мощностью 0,5 ватта, и сопротивлением 1 Ом
 
Проверено не защитил!Это ограничение тока заряда-см. Атаев-Болотников!
Толку ноль от этого резистора. Резистор 0.2 ом при заряде 15000мкф - слону дробина в плане ограничения тока заряда. А токи там до 10А.
 
Конечно в Метра-месс сплошные придурки работали, ставили резисторы где попало!!!!!!!!!!!!!!!!

Ну не обманешь физику. И закон Ома тоже. Вчера в мультисиме пробовал блок питания этой схемы погонять. Что 0.2 ом, что 0 ом - ударный ток заряда не меняется. В пределах 10А максимум. А диоды в этой схеме держат 25А, с запасом. И при этом я не учитывая сопротивление обмоток трансформатора!
Какое-то иное предназначение у этого резистора.
 
Какое-то иное предназначение у этого резистора.
Скорее всего ДА, Так как при включении то же ударчик слышно у транса значит то же придётся как то софт старт придумывать. места в корпусе там практически-нет.
 
Чё парни скажете про ТАКОЕ???
 

Вложения

  • 1365565446_Soft-Start.GIF.8b1f430ec36397b5cc8c2647a3e1ab52.gif
    1365565446_Soft-Start.GIF.8b1f430ec36397b5cc8c2647a3e1ab52.gif
    12.3 KB · Просмотры: 200
Для 2000 мкф в фильтре городить софт-старт???
Ню-ню!
 
Назад
Сверху