• Добро пожаловать на компьютерный форум Tehnari.ru. Здесь разбираемся с проблемами ПК и ноутбуков: Windows, драйверы, «железо», сборка и апгрейд, софт и безопасность. Форум работает много лет, сейчас он переехал на новый движок, но старые темы и аккаунты мы постарались сохранить максимально аккуратно.

    Форум не связан с магазинами и сервисами – мы ничего не продаём и не даём «рекламу под видом совета». Отвечают обычные участники и модераторы, которые следят за порядком и качеством подсказок.

    Если вы у нас впервые, загляните на страницу о проекте, чтобы узнать больше. Чтобы создавать темы и писать сообщения, сначала зарегистрируйтесь, а затем войдите под своим логином.

    Не знаете, с чего начать? Создайте тему с описанием проблемы – подскажем и при необходимости перенесём её в подходящий раздел.
    Задать вопрос Новые сообщения Как правильно спросить
    Если пришли по ссылке со старого Tehnari.ru – вы на нужном месте, просто продолжайте обсуждение.

TDA 2050 с транзисторами

  • Автор темы Автор темы GlaZZZ
  • Дата начала Дата начала
Тогда в ту схему, которая выше LM 1875 поставить возможно?

Раз при питании +-18 Вольт Мощность равна, то буду LM ставить
 
В Моем случае немного важнее будет мощность.

А звук, если честно, меня и так устраивает. Я не аудиофил.
TDA 2050 на мой взгляд тоже чисто и красиво играет.

Хотя при одинаковом напряжении 2030, 2050 и LM1875 играют одинаково??
Где-то я про это слышал
Все верно,при одном питании они выдают одну и тоже мощность в этот ряд еще и 386 можно поставить.Лично мне 2030 нравится очень и звук и мощность в самый раз,но для любителей долбежки 7294 помойму,точно не знаю.
 
но для любителей долбежки 7294 помойму,точно не знаю.
Как говорил мне DTS, в 7294 там какой-то коеф-т высокий, от которого диффузор динамика швыряет со стороны, в сторону сильно.

А что за 386???
 
Тогда в ту схему, которая выше LM 1875 поставить возможно? Раз при питании +-18 Вольт Мощность равна, то буду LM ставить

Нет. LM1875 хоть и имеет обвязку аналогичную 2050, но питания требует +/-25В.
Вот здесь очень приличный по качеству усилок на LM1875 с транзисторами, но он идет с предусилителем, а там сравнительно дефицитная микра EL2125.


Как говорил мне DTS, в 7294 там какой-то коеф-т высокий, от которого диффузор динамика швыряет со стороны, в сторону сильно.

Динамик начинается не управляемо болтаться когда усилитель перегружают и он уходит в клиппинг. Но так происходит с любым усилителем. Там речь шла несколько о другом, о том, что 7294 перегружается раньше чем Ланзар.
 
LM1875 Wide supply range 16V-60V
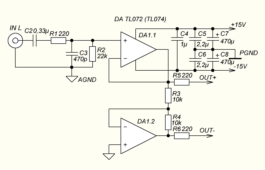
Вот схема для инвертирования сигнала.
 

Вложения

  • ФИ_ОУ.webp
    ФИ_ОУ.webp
    28.3 KB · Просмотры: 2,979
Как говорил мне DTS, в 7294 там какой-то коеф-т высокий, от которого диффузор динамика швыряет со стороны, в сторону сильно.

А что за 386???
Как?? LM 386 усилитель,обвязка копеешная,но звук отличный,мощность до вата.
 
Мощность до Ватта ? :D Издеваетесь? :D
 
Купил сегодня все детальки, выбил у продавцов оригмнальные по всем параметрам микросхемы(срез на фланце, рисунок сзади, клеймо качества и другие). Вообщем все, что подтверждает подлинность на корпусе имеется. После сессии буду собирать.
 
Теперь плату надо рисовать правильную и грамотный конструктив
 

Похожие темы

Назад
Сверху