TDA1552Q

  • Автор темы Автор темы Sony
  • Дата начала Дата начала
лучше подрубай их оба параллельно и будет еще лучше.
 
попробую
 
у меня есть идея сделать мега басна него поставить кондеры наминалом побольше и переключатель и 5 полоный экволайзер не надо
 
микра будет *захлёбываться*
всё должно быть в меру
 
ну это я решы как там и что потом схему выложу у меня есть такая проблема хочу приделать анализ спектр из мп7301 только у меня от него манитор и как его подрубить незнаю и есть микруха к нему какието микрухи: кр1534пп1, кр1534ие1 4шт, и к157уд2 (фото ниже) за качество извеняюсь фотал на тел.
 

Вложения

  • DSC00002.webp
    DSC00002.webp
    51.6 KB · Просмотры: 585
  • DSC00003.webp
    DSC00003.webp
    42 KB · Просмотры: 268
  • DSC00004.webp
    DSC00004.webp
    76.4 KB · Просмотры: 256
  • DSC00005.webp
    DSC00005.webp
    48.2 KB · Просмотры: 238
  • DSC00006.webp
    DSC00006.webp
    32.3 KB · Просмотры: 200
Счетчик от магнитофона м-201.
 
нет смысла с этой схемой возиться, если нет платы на которой это все смонтированно
 
почему можно печатку купить и как нибудь сделать только чтоб сётчик не светился
 
не стоит шкурка выченки
 
почему хотя да у меня тут вопрос дайте самую простую схему тембро блока как на старых мафонах
 
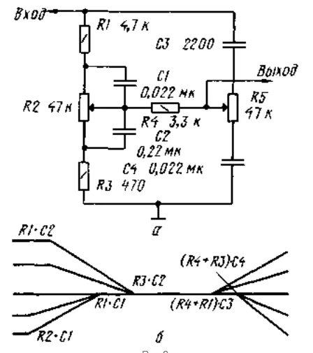
Такая подойдёт?
 

Вложения

  • рег_тембра.webp
    рег_тембра.webp
    17.7 KB · Просмотры: 3,579
Пассивный термоблок? А микросхема чувствительная?
 
самая простая на тда1524(стоит она 12гривен,обвязка и кусок текстолита+припой 4-5гривен)
 
подойдёт маио то а печатку можете зделать
 
я чёто недогоняю а как его подрубить
 
На схеме все написано и ставится он перед усилителем.
 
и чё таких две надо
 
Конечно.
 
блин а запарелелить незя
 
Назад
Сверху