Смотрите видео ниже, чтобы узнать, как установить наш сайт в качестве веб-приложения на домашнем экране.
Примечание: Эта возможность может быть недоступна в некоторых браузерах.
Добро пожаловать на компьютерный форум Tehnari.ru. Здесь разбираемся с проблемами ПК и ноутбуков: Windows, драйверы, «железо», сборка и апгрейд, софт и безопасность. Форум работает много лет, сейчас он переехал на новый движок, но старые темы и аккаунты мы постарались сохранить максимально аккуратно.
Форум не связан с магазинами и сервисами – мы ничего не продаём и не даём «рекламу под видом совета». Отвечают обычные участники и модераторы, которые следят за порядком и качеством подсказок.
Если вы у нас впервые, загляните на страницу о проекте, чтобы узнать больше. Чтобы создавать темы и писать сообщения, сначала зарегистрируйтесь, а затем войдите под своим логином.
Попробуйте сигнал с компьютера подать на усилитель через ФНЧ, как пример:
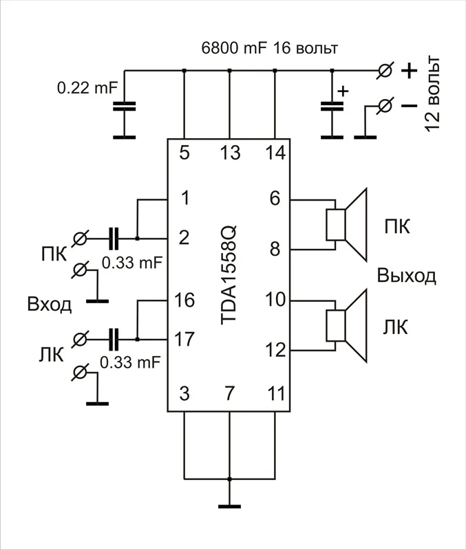
думаю качество микросхем TDA1558Q можно разделять только так - работает, хорошее....дохлая не работает, плохоеа по качеству звучания нормальный усилок получился???
Смотря как сделать (т.е. все завсит от собирателя).... Да и сам производитель думаю на качестве сильно не заморачивался - она ведь для автомагнитол, а в машине и других шумов хватает, так что.... А в принципе звук у неё неплохой. Если брать по соотношению цена - доступность..а по качеству звучания нормальный усилок получился???
а по качеству звучания нормальный усилок получился???:tehnari_ru_038:
Разбиратель со стажем, ты можешь написать все элементы для схемы, чтоб пошел в магазин и набрал деталей..тоже такой усилитель хочется собрать..и схему принципиальную тоже не помешало бы, именно твоюпожалуйста
![]()