• Добро пожаловать на компьютерный форум Tehnari.ru. Здесь разбираемся с проблемами ПК и ноутбуков: Windows, драйверы, «железо», сборка и апгрейд, софт и безопасность. Форум работает много лет, сейчас он переехал на новый движок, но старые темы и аккаунты мы постарались сохранить максимально аккуратно.

    Форум не связан с магазинами и сервисами – мы ничего не продаём и не даём «рекламу под видом совета». Отвечают обычные участники и модераторы, которые следят за порядком и качеством подсказок.

    Если вы у нас впервые, загляните на страницу о проекте, чтобы узнать больше. Чтобы создавать темы и писать сообщения, сначала зарегистрируйтесь, а затем войдите под своим логином.

    Не знаете, с чего начать? Создайте тему с описанием проблемы – подскажем и при необходимости перенесём её в подходящий раздел.
    Задать вопрос Новые сообщения Как правильно спросить
    Если пришли по ссылке со старого Tehnari.ru – вы на нужном месте, просто продолжайте обсуждение.

Уменьшил корпуса ПК

Статус
В этой теме нельзя размещать новые ответы.
Валерий Михайлович, не в обиду, но замечание на будущее: них..чего не вижу в твоих схемах.
Такие вещи лучше запаковывать и выкладывать в виде архива.
 
первый вариант
 

Вложения

  • sab3.png.webp
    sab3.png.webp
    200.2 KB · Просмотры: 241
эта уже вполне читаема
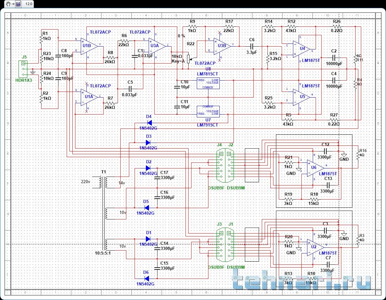
и хорошо. Диоды по месту, вместо lm 1875 стоят TDA2050 самые китайские какие есть. Помех не ловит (от мобильников и прочего), усилитель колонки подключаются кабелем, 5 метров витой пары. Шума и фона нет.
 
Небольшой комент почему так (схема). Комната в которой это живет 15м2: проходная, общая, имеет 4 двери и огромное окно. В этом году дому и комнате о которой идет речь будет 60 лет. За это долгое время, многое пробовалось, но жил телевизор (разные за это время) и диван перед ним. Поставить колонки как нужно, невозможно и некуда. Сабы гудят, куда не ставь. Полная безнадега. Получилось все в противоречии правилам и устоям, но работает и всех устраивает.
Между правым и левым полочником 350 см, левый на высоте 170 см, а правый 140 см, до дивана 200 см. Полная ерунда, но по другому никак.
Решение было такое, повесить звуковую сцену на всю ширину без провала в центре и глубиной до дивана.
Решить проще чем реализовать. Первое убрать все фильтры, они крутят фазу, остался один в сабике. Полочники и так имеют завал по низким, а в них поставить усилители с внешним питанием. Усилитель инверт, на ТДА2050 (самый китайский) КУ=3, стоит на внешней стороне задней стенки. Самое интересное этого средней паршивости хватает за глаза, можно и лучше, но этого не заметно, погоду делают не они. Все решает саб. Без него провал в середине и плоская сцена, что совершенно верно. Пришлось перебором вариантов добиться нужного, все стало на свои места. Именно так как на схеме, это единственный удачный. Все решает он и то как стоят динамики. Вряд ли стоит это повторять, проект привязан к месту и ситуации. Хотя все может быть. Удачи.
 
Есть время, продолжу. Источников звука два, телевизор сони (он имеет выход после регулятора громкости) и комп, медиа сервачек (встроенная звуковая карта). Регуляторы тембра удалены в окончательной версии, как и регулятор громкости, не нужны. Дабы не раздражать народ, просто напишу, что МР3 не приговор и это может порадовать, как и ютуб.
 
Все, что интересно только одному, не должно занимать место в другом.
Да в теме есть над чем поразмыслить... Просто в данной ветке мало активности в принципе. Да к тому же про уменьшенный корпус совсем мало сказано. Дальше тема съехала на "звук"... Это лучше обсудить в другой ветке, хотя что тут непонятного!? Вопросы возникают у начинающих...
Я лично сам случайно на эту тему забрёл. Идея уменьшения корпуса мне понравилась.
 
Купив материнскую плату микроATX, я тоже задумался об уменьшении размеров компьютера.
Самый простой способ просто обрезать корпус. Это уже будет ощутимо.
Передняя декаоративная панель в принципе не нужна, в случае необходимости можно без неё обойтись.
Что касается шума вентилятора при включении компьютера (упоминается в начале темы), то этот шум устраняется. Он возникает из-за осевого люфта крыльчатки и люфта оси в подшипнике. В момент включения крыльчатка начинает ползать по оси, пока её не прижмёт к одной стороне.
Надо поставить на ось более толстую упорную шайбу и смазать подшипник скольжения. После этих действий у меня вентиляторы 10летней давности работают совсем тихо.
 
Он возникает из-за осевого люфта крыльчатки и люфта оси в подшипнике.
Это не так, уж поверьте, это особенность управления вентиляторами ( они разгоняются до максимума, но это 2-3 секунды) и это даже хорошо, понятно, что они живы и все в порядке.
 

Вложения

  • DSC_0150.webp
    DSC_0150.webp
    29.4 KB · Просмотры: 234
Если нужно уменьшить корпус пк
Задача была сделать, уменьшить корпус, да так чтобы не шумел (стоит под носом), но работал надежно, не пару минут, а потом шумел как пылесос и перезагружался.
Это решено и работает надежно. Мать ASRocK H67M-ITX/M/ASR, Проц стоит i3-2120@3,30GHz 3,30GHz, память 4,00 ГБ, Win10 Pro 32 разрядная, диск INTEL SSDSC2W120A. Это не игрушка на атоме, не последнее, что может быть, работает давно и мне хватает на все.
 
Продолжу. На снимке видна черная круглая коробочка, это звук, Подключен шнурком в гнездо телефона на передней панели системника. Называется iHome IBN26, прижился. Много чего может сам. Снимать звонки с мобильного телефона (блютуз), хорошую громкую связь (встроен микрофон) и играть музон. Но по шнурку качество звука заметно лучше.
 
Продолжение к посту 14. В свое время была статья : "Лампочка Ильича" (подробности читаем там), но там она была использована для вч динамика, тут для обоих. Попутно решилась проблема низкоомности 3,3 ом для ТДА слишком мало.
Использована лампа автомобильная 12V 21W.
 

Вложения

  • DSC_0191.webp
    DSC_0191.webp
    114.7 KB · Просмотры: 259
Да к тому же про уменьшенный корпус совсем мало сказано.

Идея проста, в обоих корпусах сохранены два вентилятора, корпусной и процессора, но последний еще охлаждает блок питания, который находится над ним. Реализация в корпусах немного отличается, но принцип один. Блоки питания использовались стандартные для корпусов, которые подверглись переделке. После того как стало ясно, что это устойчиво работает, можно еще уменьшить размерчик, но смысла не вижу, пока устраивает.
 
с наступлением осени появляется больше свободного времени. Склоняюсь к постройке нового комлекта звука на основе опробованных идей. LM3886TF будет основной, а с динамиками надо будет пробовать.
 
Есть ряд проблем.
Первая и главная, существующий устраивает на все 100% и проще не бывает.
Остается только менять компоненты, из чистого любопытства, такие варианты есть.
Оптимизировать название темы с содержанием (если можно это сделать).
Немного о крамольном. Склоняюсь к варианту без фокусов стерео, которых в жизни не бывает, думаю над этим.
 
не все вечно. Первоначальный вид активной колонки в посте 8, там виден снизу порт фазоинвертора. В посте 14 вид другой, сменилась передняя панель, а ее обратная сторона в 34 посте, фазоинвертор остался, но стал кольцевым. Подробности можно найти в инете: Акустическое оформление с низкими линейными и нелинейными искажениями.
Забавная штука, пишут разное, но в моем случае получилось идеальное согласованность сабика и полочников. Звук к ним не привязан и обычно спрашивают, а где колонки? Хотя они на виду, но впечатление, что они непричем, звук висит в объемном пространстве. Это не утомляет, слушать можно долго.
 
Весь пар ушел в гудок, лень победила, ничего делать не хочется, ставлю жирную паузу, а может и точку.
 
В качестве разминки убавил размерчик корпуса еще на 2 сантиметра в ширину, резерв еще два, но это потребует пересмотра крепления передней панели.
На сей момент, высота 21,5 см. ширина 22 см. толщина 10 см.
 

Вложения

  • DSC_0258.webp
    DSC_0258.webp
    36.5 KB · Просмотры: 258
Статус
В этой теме нельзя размещать новые ответы.
Назад
Сверху