• Добро пожаловать на компьютерный форум Tehnari.ru. Здесь разбираемся с проблемами ПК и ноутбуков: Windows, драйверы, «железо», сборка и апгрейд, софт и безопасность. Форум работает много лет, сейчас он переехал на новый движок, но старые темы и аккаунты мы постарались сохранить максимально аккуратно.

    Форум не связан с магазинами и сервисами – мы ничего не продаём и не даём «рекламу под видом совета». Отвечают обычные участники и модераторы, которые следят за порядком и качеством подсказок.

    Если вы у нас впервые, загляните на страницу о проекте, чтобы узнать больше. Чтобы создавать темы и писать сообщения, сначала зарегистрируйтесь, а затем войдите под своим логином.

    Не знаете, с чего начать? Создайте тему с описанием проблемы – подскажем и при необходимости перенесём её в подходящий раздел.
    Задать вопрос Новые сообщения Как правильно спросить
    Если пришли по ссылке со старого Tehnari.ru – вы на нужном месте, просто продолжайте обсуждение.

Усилитель JLH 2005

  • Автор темы Автор темы esau
  • Дата начала Дата начала
Надо бы на схемку взглянуть

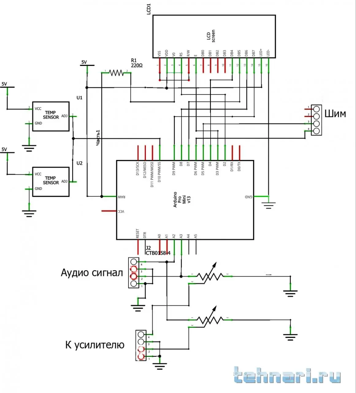
А схемы как таковой нет,ток печатка, на вход A2/A3 подается сигнал. Шум в колонках слышен что с контролера ,отсоединяю ,пропадает , как бы их развязать. Ну или подружить без шума ,спиртом пробовал ,не помогло :)
 

Вложения

  • Снимок.webp
    Снимок.webp
    62 KB · Просмотры: 110
Обвес продолжается ,собрал электронный дроссель, ранее уже стоял CRC фильтр 40 000 на плечо , но было впечатление что недостаточно. Короче подключив дроссель я убедился в его необходимости .
 

Вложения

  • IMG_20170428_125644.webp
    IMG_20170428_125644.webp
    30.9 KB · Просмотры: 354
  • post-159743-0-94950500-1416645780.gif
    post-159743-0-94950500-1416645780.gif
    11.1 KB · Просмотры: 1,011
  • EDrosel.rar
    EDrosel.rar
    9.2 KB · Просмотры: 126
А я писал! Я предупреждал, о необходимости этой приблуды! Ну, а что фон то, пропал?

Приблуда замечательная , осцила к сожалению нет (прицениваюсь),но даже на слух слышно что низы стали чище , без ЭД было впечатление что динамики резонировали от НЧ ,хз если смог объяснить. А по шуму от контролера щас сижу воюю , думаю выдрать из этих схем,но скорей остановлюсь на варианте с транзистором , мне провод аудио придется тянуть через весь усиль от задней стенки к контролеру , не хочется всяких наводок.
 

Вложения

  • Снимок.webp
    Снимок.webp
    17.8 KB · Просмотры: 215
  • Снимок2.webp
    Снимок2.webp
    7.6 KB · Просмотры: 151
А ты попробуй отвязать цифру, от аналога, тем же самым способом. Собери транзисторный фильтр ( ЭД ), и питай через него цифру.
 
  • Like
Реакции: esau
Еще есть момент сигнальные дорожки очень близко проходят с цифровыми, а там и шум цифровой, еще как вариант общая земля атмега очень любит мусорить там, как вариант но не панацея можно феритовую бусину воткнуть иногда помогает.
 
Наткнулся в старой плате на LM358, аккуратненько выпаял , собрал на макетке по типовой из даташита . Помирил короче цифру с аналогом без шума. В колонках тишина и покой.
 

Вложения

  • схема преда.webp
    схема преда.webp
    18.8 KB · Просмотры: 230
Назад
Сверху