- Регистрация
- 1 Янв 2015
- Сообщения
- 10,841
- Реакции
- 513
- Баллы
- 0
Это щиты , в них стоят Уфимцы.\Значит ты так и не был на моём канале в ютубе/ Глянь ,и всё поймёшь:fellow:А что за ящики литров на 200 по краям на фото?
Смотрите видео ниже, чтобы узнать, как установить наш сайт в качестве веб-приложения на домашнем экране.
Примечание: Эта возможность может быть недоступна в некоторых браузерах.
Добро пожаловать на компьютерный форум Tehnari.ru. Здесь разбираемся с проблемами ПК и ноутбуков: Windows, драйверы, «железо», сборка и апгрейд, софт и безопасность. Форум работает много лет, сейчас он переехал на новый движок, но старые темы и аккаунты мы постарались сохранить максимально аккуратно.
Форум не связан с магазинами и сервисами – мы ничего не продаём и не даём «рекламу под видом совета». Отвечают обычные участники и модераторы, которые следят за порядком и качеством подсказок.
Если вы у нас впервые, загляните на страницу о проекте, чтобы узнать больше. Чтобы создавать темы и писать сообщения, сначала зарегистрируйтесь, а затем войдите под своим логином.
Это щиты , в них стоят Уфимцы.\Значит ты так и не был на моём канале в ютубе/ Глянь ,и всё поймёшь:fellow:А что за ящики литров на 200 по краям на фото?







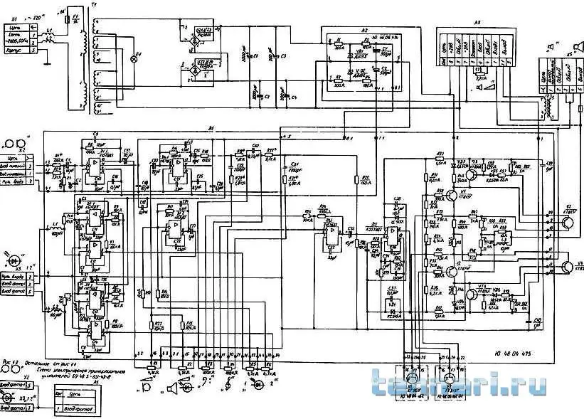
да УНЧ тут чистый Б класс, т.к. изначально его цель - озвучка киношек, да усиление речи с трибун, но никак не для музыкиИнтересен лишь сетевой транс ТП-100-7
А как в А класс перевести? В транзисторах я ещё слабее, чем в лампах.чистый Б класс,
что там на выходе?А как в А класс перевести?