• Добро пожаловать на компьютерный форум Tehnari.ru. Здесь разбираемся с проблемами ПК и ноутбуков: Windows, драйверы, «железо», сборка и апгрейд, софт и безопасность. Форум работает много лет, сейчас он переехал на новый движок, но старые темы и аккаунты мы постарались сохранить максимально аккуратно.

    Форум не связан с магазинами и сервисами – мы ничего не продаём и не даём «рекламу под видом совета». Отвечают обычные участники и модераторы, которые следят за порядком и качеством подсказок.

    Если вы у нас впервые, загляните на страницу о форуме и правила – там коротко описано, как задать вопрос так, чтобы быстро получить ответ. Чтобы создавать темы и писать сообщения, сначала зарегистрируйтесь, а затем войдите под своим логином.

    Не знаете, с чего начать? Создайте тему с описанием проблемы – подскажем и при необходимости перенесём её в подходящий раздел.
    Задать вопрос Новые сообщения Как правильно спросить
    Если пришли по старой ссылке со старого Tehnari.ru – вы на нужном месте, просто продолжайте обсуждение.

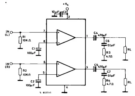
Усилитель на схеме TDA 2822

  • Автор темы Автор темы xFOXpp
  • Дата начала Дата начала
Все понял, это не картинка, это файл формата *.pdf, его надо
скачать себе на комп и открыть допустим прогой Фоксид Реадер ...
Уже не надо вот нормальная картинка >>>
 

Вложения

  • TDA2822m.webp
    TDA2822m.webp
    10.9 KB · Просмотры: 501
я думаю тему можно ап. Давно зделал уже. http://www.tehnari.ru/f114/t51727/
Уже туда всунул 2 канальный 10 втный усилок. Скоро выкладу.
 
ребят помогите! у кого есть печатка для для колонок стерео 4ОМ 3 Ватт на 7вольт с выходом под наушники? выложите пожалуйста. зарание благодарен
 
Назад
Сверху