• Добро пожаловать на компьютерный форум Tehnari.ru. Здесь разбираемся с проблемами ПК и ноутбуков: Windows, драйверы, «железо», сборка и апгрейд, софт и безопасность. Форум работает много лет, сейчас он переехал на новый движок, но старые темы и аккаунты мы постарались сохранить максимально аккуратно.

    Форум не связан с магазинами и сервисами – мы ничего не продаём и не даём «рекламу под видом совета». Отвечают обычные участники и модераторы, которые следят за порядком и качеством подсказок.

    Если вы у нас впервые, загляните на страницу о проекте, чтобы узнать больше. Чтобы создавать темы и писать сообщения, сначала зарегистрируйтесь, а затем войдите под своим логином.

    Не знаете, с чего начать? Создайте тему с описанием проблемы – подскажем и при необходимости перенесём её в подходящий раздел.
    Задать вопрос Новые сообщения Как правильно спросить
    Если пришли по ссылке со старого Tehnari.ru – вы на нужном месте, просто продолжайте обсуждение.

Усилитель на TDA7377

  • Автор темы Автор темы bar7uk
  • Дата начала Дата начала
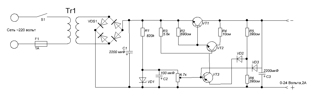
Собрал питание по схеме из поста №16, кондёр взял 16 вольт 3300 мкф, получаю на выходе 21 вольт постоянного тока, мне кажется много для данной микросхемы, у неё максимум 18 вольт, что скажете по этому поводу, как это можно исправить ( не разбирая трансформатор) Трансформатор даёт 14,5 вольт переменного тока.
 
автор создаёт себе проблему, а потом пытается её решить.
вот чем не устраивала тда2030?
захотелось воткнуть кусок ujdyf , зато с заоблачными планами по получению 2*35Вт.
вспомните мультик про 7 шапок из овечьей шкурки!
вместо того ,чтобы городить огород, лучше бы доработал питание твоего усилителя, заявляю со всей ответственностью -tda2030 очень даже хорошо звучащая микросхемка, а то что насмотревшись всякой фигни от криворуких lt,bkjd с ютюба , которые только и умеют лампочку в комповый питальник влепить да разлохматить рабочий усилок воткнув туда тда7294 ( в лучшем случае), при этом купив уже готовую плату у *чиподёров* или подобных.
так что давай фото своего усилителя который *не устраивает*.
возможно банально не хватает питания и усь клипует под нагрузкой, если так, то какой смысл в смены оконечника, если питальник один и тот же.
 
какой смысл в смены оконечника, если питальник один и тот же. __________________
Смысл в том что всю эту байду ( тда 2030) ремонтировали человек десять, не меньше, потом досталось мне, я решил всё сделать с чистого листа!
 
Вопрос остаётся тот же, есть способы уменьшить напряжение не перематывая трансформатор, или нет?
 
теперь ситуация немного прояснилась, способ безусловно есть, но понадобиться сделать стабилизатор напряжения линейного типа.
С одной стороны это хорошо, так как напряжение питания будет стабильным , но с другой стороны на силовом транзисторе будет выделяться тепло, хоть не много, но всё же будет. К примеру если входное напряжение будет 20в, а выходное 14.4в(рекомендованное даташитом), то при максимальной выходной мощности усилителя (70Вт на два канала в клиппе), составит около 35Вт , но это при долговременной нагрузке, если слушать музыку на приемлемом уровне громкости то нагрев будет значительно меньше.
вот тебе схема , по которой нужно собрать такой стабилизатор напряжения, микросхема усилителя и транзистор стабилизатора , устанавливаются на один общий радиатор БЕЗ изолирующих прокладок, но с использованием тепло проводящей пасты
базу VT3 соединить с анодом стабилитрона VD1, а переменный резистор исключить из схемы.
 

Вложения

  • 26093193.gif
    26093193.gif
    9.9 KB · Просмотры: 7,019
А попроще никак нельзя уменьшить напряжение?

можно, но эффективность снижается.
простейший из вариантов это цепочка из мощных диодов типа кт202 или д242, они подключаются последовательно в количестве 4 штук через плюс питания, на каждом из диодов напряжение будет понижаться на 0.7-1в, таким образом при использовании 4 диодов последовательно , мы получим падение напряжения около 2.8-4в, чего хватит для нормальной работы твоей микросхемы, так как она сохраняет работоспособность до напряжения 18в.
 

Вложения

  • 5-491.webp
    5-491.webp
    7.1 KB · Просмотры: 63
Доброе утро! Диодов пришлось добавить 4 шт. КТ 202 и 6 шт. 1n4001 (т.к. других не было) чтобы получить напряжение 16,5 вольт. Далее собрал полностью всю схему, всё работает! Качеством звука доволен не очень. Раньше я делал усь на этой же микросхеме для модернизированной мной акустики Radiotehnika S30, так там качество звука в разы лучше, но оставим всё как есть, всем спасибо за помощь!
Подскажите простенькую схему усилителя для Radiotehnika S90.
 
Подскажите простенькую схему усилителя для Radiotehnika S90.
Виталь, ты с 2030 не справился, я даже не знаю что тут посоветовать... 729х серию если, так она в разы капризнее 2030... Если 2030 с умощнением, так опять же ты с ней с "голой" не совладал, а с транзисторами и подавно...
 
ты с ней с "голой" не совладал
Потому что я начинал не с нуля, там до меня куча "мастеров" лазила, если бы я делал с самого начала то думаю разобрался бы, так что давайте схему!
 
Не буду плодить темы. Задам вопрос в этой, профильной.
Понабилось собрать усилитель на TDA7377 с конфигурацией 2.1.
Вопрос.
Работоспособна ли эта схема ?
 

Вложения

  • TDA7377 2.1.png.webp
    TDA7377 2.1.png.webp
    44.8 KB · Просмотры: 1,374
  • Безымянный.png.webp
    Безымянный.png.webp
    52 KB · Просмотры: 267
И что, ни у кого, никаких мыслей по поводу заданного вопроса ?
 
Здравствуйте.Пришла в голову идея сделать усилитель итун на микросхеме TDA7377, вроде никто ещё не делал.Помогите довести до ума. Где не спрошу везде облом.Лет 5 назад пробовал собирать , микросхема сгорела, больше не пробовал, не врублюсь где ошибка.
 

Вложения

  • Z1JmvB1Y7hc.webp
    Z1JmvB1Y7hc.webp
    38.4 KB · Просмотры: 465
Назад
Сверху