• Добро пожаловать на компьютерный форум Tehnari.ru. Здесь разбираемся с проблемами ПК и ноутбуков: Windows, драйверы, «железо», сборка и апгрейд, софт и безопасность. Форум работает много лет, сейчас он переехал на новый движок, но старые темы и аккаунты мы постарались сохранить максимально аккуратно.

    Форум не связан с магазинами и сервисами – мы ничего не продаём и не даём «рекламу под видом совета». Отвечают обычные участники и модераторы, которые следят за порядком и качеством подсказок.

    Если вы у нас впервые, загляните на страницу о форуме и правила – там коротко описано, как задать вопрос так, чтобы быстро получить ответ. Чтобы создавать темы и писать сообщения, сначала зарегистрируйтесь, а затем войдите под своим логином.

    Не знаете, с чего начать? Создайте тему с описанием проблемы – подскажем и при необходимости перенесём её в подходящий раздел.
    Задать вопрос Новые сообщения Как правильно спросить
    Если пришли по старой ссылке со старого Tehnari.ru – вы на нужном месте, просто продолжайте обсуждение.

Вопрос - ответ

  • Автор темы Автор темы WHS
  • Дата начала Дата начала
Есть у меня одна идейка... Но это только пока далёкая мысль, запилить для дома АС с ВЧ Alphard Audio Extreme GR-37PRO
 
У сенона есть еще пищи, но там чуйка за сто, резать надо от 8000гц, боюсь родной средник не дотянет, а тот что я предложил, по отзывам, самый оптимум.
 
Василий, пара ГДН-35+Alphard? На 3-3,5 раздел?
 
Давно окна не стеклил?
 
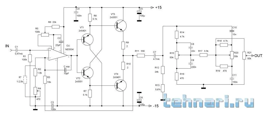
Всем доброй ночи! Вот нарисовал ПП предварительного усилителя Солнцева на NE5534. Хотелось бы услышать совет по разводке ПП, может что-то не так развел, а также по елементной базе, может что-то убрать или добавить.
 

Вложения

  • ПУ Солнцева - копия (2).webp
    ПУ Солнцева - копия (2).webp
    20.9 KB · Просмотры: 243
  • ПУ Солнцева.rar
    ПУ Солнцева.rar
    57.1 KB · Просмотры: 53
У меня в "Корвет"ах на СЧ стоят 6ГДШ (4 Ома). Оба рваные. Есть вариант заменить их на китайский аналог YD125-6RU (8 Ом, 91 dB) или ALPHARD ETP-120-1 (4 Ома, 90 dB). Оба по цене 320 руб. за штуку. Есть ещё ETP-130 (8 Ом, 86 dB), но по 420 руб. Что посоветуете?
 
Бери 4омные, что б с фильтром не морочиться.
 
Брал я почти всю линейку китайских ЙАД но не покупал а так тестировал. Снимал пораметры ТС параметры разбросанны в очень широком диапазоне. А звучание у них ужасное единственное, что понравилось из этой серии так это yd-450 более менее звучащий.
 
звучание у них ужасное
И что даже на СЧ не покатит? Если честно то глядя на характеристику 6ГДШ мне многое не нравится... 500-700 Гц всплеск на 90-92 дБ, на 1кГц то-же с 86-90 дБ, а после 2 кГц начинается завал ниже 86 дБ. Может это и есть причина "Рупорности" в звучании с которой я никак не могу побороть?
Однозначно подобную ветку надо в "Акустике" создавать... А то съехали с усилителей. Да простит меня "Всевидящее ОКО"...
 
Подключение

Добрый день вопрос таков, есть усилитель к нему подключены 5.1 колонки + микрофонная станция + микшер + ноутбук + компьютер , как правильно все подключить?
 
Добрый. Как подключено,так пусть и будет подключено. Вопрос в чем? Или чудеса русского языка опять?
 
есть усилитель к нему подключены
Акустика подключается к выходам... Микшерный пульт наверно к линейному входу... Ноут, комп и микрофон наверно сначала заводятся микшер...(это по логике так должно выглядеть) Вобщем много "плюсиков" и никакой конкретики! Абракадабра какая-то! :jazik:
 
у меня усилитель романтика у-120 стерео Hi-Fi 1987 года выпуска в идеальном состоянии , за сколько его можно его продать
 
Всем привет! Вопрос такой: есть головка 3ГД31, сможет ли она воспроизводить частоты выше 20кГц, мне мужно 22-25 кГц: делаю для тестя отпугиватель собак, а то огород без забора и они ломают помидоры и другую живность) Схема уже собрана и настроена, но вот не знаю, можно ли использовать эту ВЧ головку, или нужно искать пьезоизлучатель
 
Не сможет. Она 14 килогерц то едва вытягивает. Одно название что ВЧ головка.
 
19 кгц я отчетливо слышал только что
 
Назад
Сверху