Смотрите видео ниже, чтобы узнать, как установить наш сайт в качестве веб-приложения на домашнем экране.
Примечание: Эта возможность может быть недоступна в некоторых браузерах.
Какие соображения могут быть?Никаких соображений больше нет
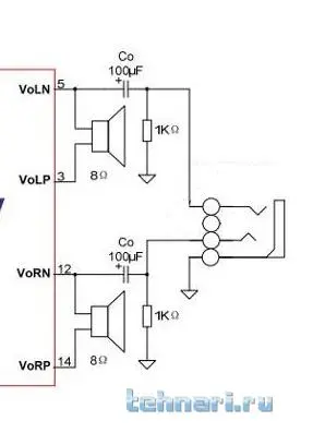
Это так обозначены выходы левого и правого каналов.Что такое VoRP, VoRN, VoLP
А инструкцию на центр прочитать - не ? :tehnari_ru_203:И где контакты плюсовые центра?
При подключении наушников к мостовому усилителю не имеет значения куда подключать, к "+" или к "-". Важно, чтобы оба канала были подключены одинаково, для соблюдения фазировки.Подключаешь, что плюс\минус, что минус\плюс одно и то же.
В муз. центре, по выходу, ничего общего нет.У них общий минус?
Да. Именно к общему проводу, т.е. к массе, к шасси центра, а не к выходным клеммам.оба резистора с обоих каналов цепляются к общему проводу?
На схеме же указана полярность конденсаторов. "+" к муз.центру, а "-" к наушникам.расположение конденсаторов - без разницы полярность?
А если так?На схеме, как понимаю, "+" конденсатора идет к наушнику?
Ошибок нетесть ошибки?