• Добро пожаловать на компьютерный форум Tehnari.ru. Здесь разбираемся с проблемами ПК и ноутбуков: Windows, драйверы, «железо», сборка и апгрейд, софт и безопасность. Форум работает много лет, сейчас он переехал на новый движок, но старые темы и аккаунты мы постарались сохранить максимально аккуратно.

    Форум не связан с магазинами и сервисами – мы ничего не продаём и не даём «рекламу под видом совета». Отвечают обычные участники и модераторы, которые следят за порядком и качеством подсказок.

    Если вы у нас впервые, загляните на страницу о проекте и правила – там коротко описано, как задать вопрос так, чтобы быстро получить ответ. Чтобы создавать темы и писать сообщения, сначала зарегистрируйтесь, а затем войдите под своим логином.

    Не знаете, с чего начать? Создайте тему с описанием проблемы – подскажем и при необходимости перенесём её в подходящий раздел.
    Задать вопрос Новые сообщения Как правильно спросить
    Если пришли по старой ссылке со старого Tehnari.ru – вы на нужном месте, просто продолжайте обсуждение.

Яуза 221 1С. Сквозной канал

  • Автор темы Автор темы moon0
  • Дата начала Дата начала
Если начнёте осуществлять задуманное сами, самое главное не торопитесь. Лучше несколько раз спросите, а уж затем... С установкой головок, что решили?
 
Если начнёте осуществлять задуманное сами, самое главное не торопитесь. Лучше несколько раз спросите, а уж затем... С установкой головок, что решили?

Сверлил отверстия в каретке,но думаю искать где нибудь укороченную головку,чтобы на родное крепление..
 
Вернулся к организации сквозного канала на Яузе 220.
Работает УВ в режиме воспроизведения,переключатель source tape работает.
Запись не проверял,нужно собирать и высчитывать контур для гз,вряд ли можно использовать один контур для гз и гв при их одновременной работе.
При записи УВ не работает,хотя на нем дорожка "Ком. Запись" обрезана
 
Укороченная головка тоже не подойдёт, вылет меньше чем у стирающей, вчера замерял.
По 220, выложите пожалуйста схему, по которой переделываете, постараюсь Вам помочь.
 
Укороченная головка тоже не подойдёт, вылет меньше чем у стирающей, вчера замерял.
По 220, выложите пожалуйста схему, по которой переделываете, постараюсь Вам помочь.

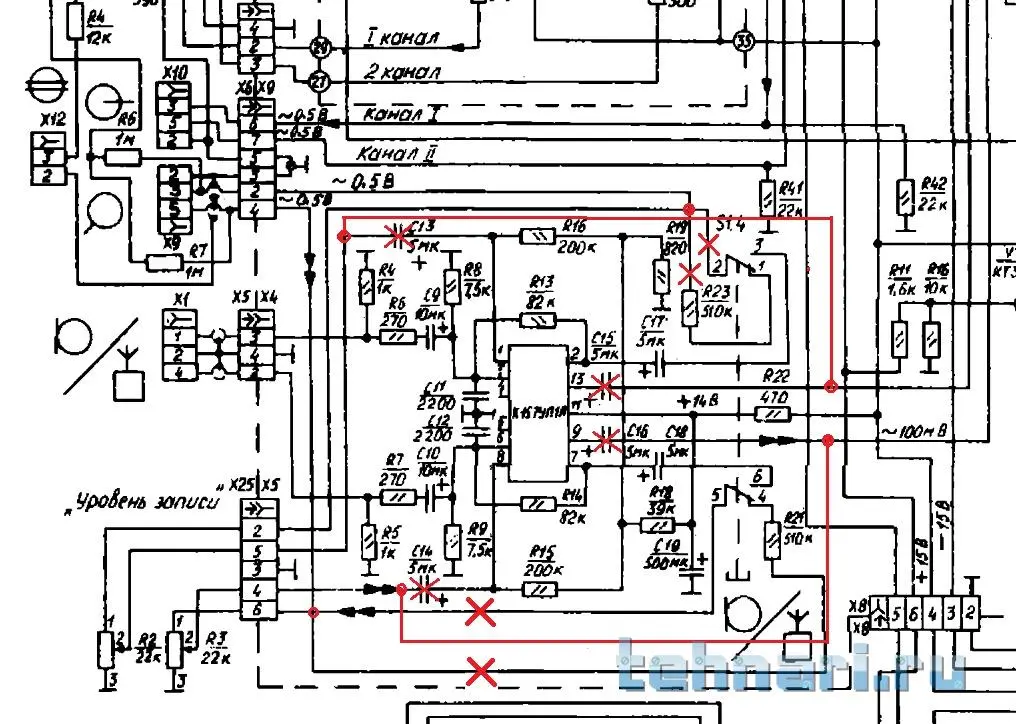
Схема самопал,приду домой и нарисую свою коммутацию поверх официальной схемы.
А что тогда с головкой делать ? сендвич думаю щас проблемно найти ...
 
Да не проблемно,скорее дороговато...
 
Делайте как задумали, результат будет лучше из-за геометрии головок. Стирать можно дросселем. При адекватной настройке канала записи воспроизведения и при более менее одинаковых лентах при эксплуатации подстройки режимов не потребуется. Головки рекомендую 752 - запись, 751, 750 воспроизведение.
Схема интересует именно заводская, а не то, что Вы сотворили.
 
Схема интересует именно заводская, а не то, что Вы сотворили.
Вот и заводская, и то что я сотворил.

Изображение не понял как прикрепить,а ссылки от 20 постов только...
пару пробелов уберите..
Оригинал
ht tp://s-x-e-m-a. ru/prom-tech/magnitofon/%D0%AF%D1%83%D0%B7%D0%B0-220%D0%A1.png
моя
ht tp://radikal. ru/lfp/s018.radikal.ru/i511/1710/da/9cfea024396a.png/htm
 
Рисунки можете вставлять прямо здесь http://www.tehnari.ru/f8/t32642/, а так же открыть в своём профиле личные сообщения.
 
Звуковой тракт практически копия "Маяк-232,233". Для повышения качества записи (и если не планируете писать с микрофона) нужно полностью исключить предварительный усилитель записи на 157УП1. Освободившийся переключатель можно будет использовать для сквозного режима.
 

Вложения

  • УПЗ_220.webp
    УПЗ_220.webp
    93.1 KB · Просмотры: 865
Звуковой тракт практически копия "Маяк-232,233". Для повышения качества записи (и если не планируете писать с микрофона) нужно полностью исключить предварительный усилитель записи на 157УП1. Освободившийся переключатель можно будет использовать для сквозного режима.
А остальную коммутацию оставить как есть?
Вы видели мою схему ?
 
А остальную коммутацию оставить как есть?
Вы видели мою схему ?
Давайте начнём по порядку.
Вы не с того начали. Первое, что нужно сделать, это нормализовать, привести к единому уровню, знаменателю выходной уровень усилителя воспроизведения и входной усилителя записи. Сейчас с УВ номинальный 0,1 В, а УЗ - 0,8. Чувствуете разницу?
На мой взгляд самое оптимальное начать переделку с УВ, тем более он на отдельной плате, оптимизировав его и принять номинальное выходное напряжение каким ни будь компромиссным, например 0,5 вольта.
И уж только после этого заняться УЗ и всем остальным, работа не маленькая...
 
В предыдущем сообщении опечатка. Номинальным напряжением принять 0,25 вольта.
 
Переделал на своей Яузе коммутацию на реле РЭС-60, ничего сложного, всё чётко работает, фото смогу сделать немного позже, т.к. фотоаппарат уехал далеко...
 
Для Т.С.-могу сказать, что я на своём аппарате сквозной канал реализовал, всё работает четко, еще предстоят некоторые эксперименты, но уже костяк работает.
Отдельное спасибо Mr.Fix, за упорное тыкание меня в АЧЗ УВ! собака там порылась!
 
извиняюсь-очепятка- АЧХ...естесно..
 
Специально для любителей раздельных головок студия Техникс представляет )))
IMG_2957[1].webp

IMG_2958[1].webp
 
Думаю, что в данной ветке мои опыты будут уместнее, если уважаемый ТС будет не против. Вот как выглядит сейчас моя Яуза...
IMG_2972.webp

IMG_2973.webp

IMG_2974.webp
 
Назад
Сверху