• Добро пожаловать на компьютерный форум Tehnari.ru. Здесь разбираемся с проблемами ПК и ноутбуков: Windows, драйверы, «железо», сборка и апгрейд, софт и безопасность. Форум работает много лет, сейчас он переехал на новый движок, но старые темы и аккаунты мы постарались сохранить максимально аккуратно.

    Форум не связан с магазинами и сервисами – мы ничего не продаём и не даём «рекламу под видом совета». Отвечают обычные участники и модераторы, которые следят за порядком и качеством подсказок.

    Если вы у нас впервые, загляните на страницу о проекте, чтобы узнать больше. Чтобы создавать темы и писать сообщения, сначала зарегистрируйтесь, а затем войдите под своим логином.

    Не знаете, с чего начать? Создайте тему с описанием проблемы – подскажем и при необходимости перенесём её в подходящий раздел.
    Задать вопрос Новые сообщения Как правильно спросить
    Если пришли по ссылке со старого Tehnari.ru – вы на нужном месте, просто продолжайте обсуждение.

Зарядка конденсатора

Да, амплитудное значение напряжения в сети 310 вольт, именно такое получим на конденсаторе после выпрямления (без нагрузки).

220 вольт это действующее (среднеквадратичное) значение синусоидального напряжения в сети. Амплитудное в 1,41 раза больше.
 
спасибо.А как намотать повышающий транс до 360-380вольт?
 
Ах да, забыл, после выпрямление я же больше будет:D Насчёт трансформатора незнаю, попробуйте воспользоваться поиском, очень много таких тем.
 
я имел ввиду не технологию намотки,а параметры,тоесть кольчество витков первичной и вторичной обмотки,толщина проводов
 
Можно взять какой-нибудь ТС-180/ТС-200 от лампового телевизора, там много вторичных обмоток, можно подобрать нужную комбинацию обмоток и получить требуемое напряжение. Только опасно все это, мощный трансформатор, 400 вольт постоянки, эксперименты всякие... Случись что, не откачают...

Преобразователь небольшой мощности питаемый от батареи или от низковольтного сетевого адаптера здесь больше подойдет.
 
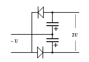
Можно собрать удвоитель напряжения,
потом делитель.
220-620-360
 

Вложения

  • Image70.gif
    Image70.gif
    2.1 KB · Просмотры: 434
  • 220px-Spannungsteiler.svg.webp
    220px-Spannungsteiler.svg.webp
    1.9 KB · Просмотры: 146
Последнее редактирование:
Удвоитель можно но слишком он опасный, убиться можно. Попробой всё таки от розетки через диодный мост, думаю 310в хватит, я 2 кондёра на 200в так заряжал, тупо поискить, мощно было, да и с катушкой и шариком работало.
 
Удвоитель можно но слишком он опасный, убиться можно. Попробой всё таки от розетки через диодный мост, думаю 310в хватит, я 2 кондёра на 200в так заряжал, тупо поискить, мощно было, да и с катушкой и шариком работало.

И это еще удвоитель опасен?:D
 
Не, на самом деле, какой нибудь строчник гораздо безопаснее удвоителя, тут ток очень большой.
 
соберу такую схемку и будет мне счастье?
пара вопросов:
1) к каким из трех контактов нужно подключать конденсатор?
2) какие резисторы,диоды,конденсаторы понадобятся?
http://imageshack.us/photo/my-images/41/90075044.jpg/
 
Не, на самом деле, какой нибудь строчник гораздо безопаснее удвоителя, тут ток очень большой.

про строчники смотрел в гугле - там вроде как слишком большое напряжение,даже дуги 3-4 см дает,это слишком много
 
1.Это смотря какие резисторы будут, их надо рассчитать исходя из потребляемого тока и нужного напряжения. Формулу не знаю (физика 8 класс) Примерно: нижний резистор 75к, верхний 100к. Тогда к нижним выводам.
2.Резисторы, их мощность рассчитывается, но она будет большой--быстрее заряд будет.Конденсоры 10-50 мкф, боюсь предлагать по больше (можно), но если удар током будет, то сильный. Диоды с обратным напряжением 400в и более, ток так же надо рассчитывать.
 
Да.................................
 
Назад
Сверху