Зарядное для авто АКБ

  • Автор темы Автор темы ming
  • Дата начала Дата начала
значит нужно отремонтировать полностью, а не только тиристоры менять
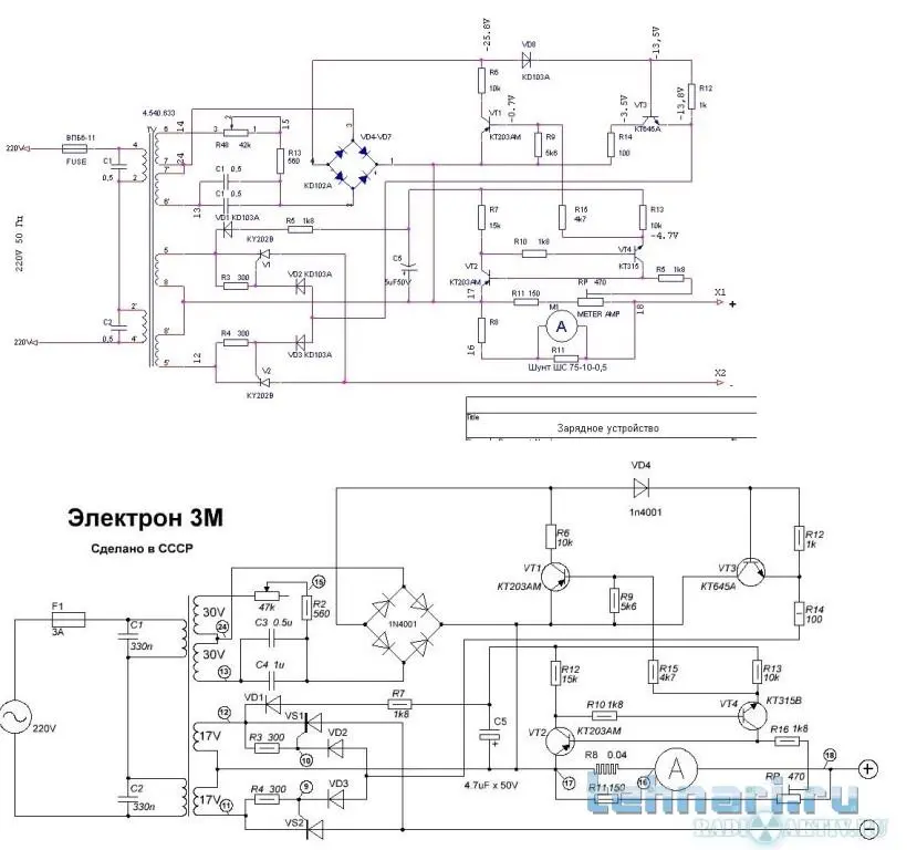
Полностью согласен. ЗУ "Электрон 3М" (работоспособное) имеет необходимые "защиты", разработано и сделано в СССР. АКБ заряжает прекрасно. Принципиальные схемы (несколько модификаций) на это ЗУ без напряга можно найти в инете.
Просто нужны элементарные желание, знания и мат. база (особенно рабочий трансформатор).
 

Вложения

  • Электрон 3М.webp
    Электрон 3М.webp
    36.3 KB · Просмотры: 86
Назад
Сверху