- Регистрация
- 25 Сен 2012
- Сообщения
- 25,332
- Реакции
- 587
- Баллы
- 113
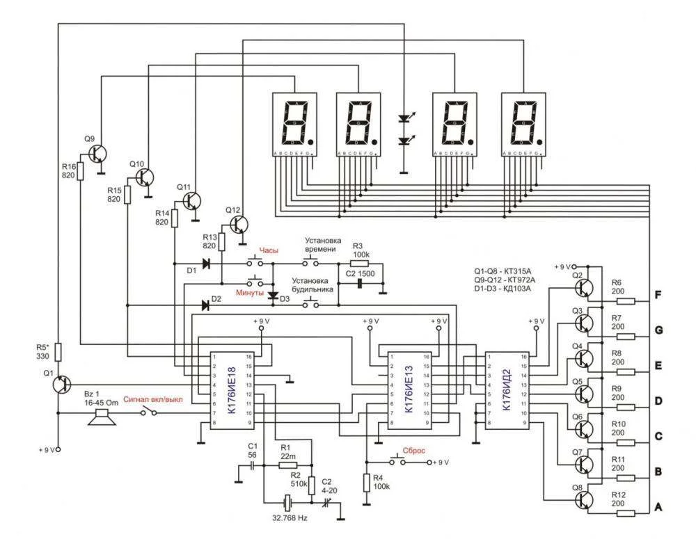
Не говорите глупостей. Счетчиков вообще с открытыми стоками не бывает, а дешивратор применен с закрытым стоком.А подтяжку выводам ИЕ18 по Т1,Т2,Т3,Т4 и Сек сделал? Там выводы у микры ИЕ18 "открытые". Предназначеные для ВЛИ индикаторов
Читаем тут.
Динамическую индикацию замыканием на корпус проверять бесполезно - она ведь динамическая!
Пока не запустите ИЕ18, дальше двигаться бессмысленно!
Осцилл есть, говорите... Осциллограмму на выходе кварца - в студию!

