• Добро пожаловать на компьютерный форум Tehnari.ru. Здесь разбираемся с проблемами ПК и ноутбуков: Windows, драйверы, «железо», сборка и апгрейд, софт и безопасность. Форум работает много лет, сейчас он переехал на новый движок, но старые темы и аккаунты мы постарались сохранить максимально аккуратно.

    Форум не связан с магазинами и сервисами – мы ничего не продаём и не даём «рекламу под видом совета». Отвечают обычные участники и модераторы, которые следят за порядком и качеством подсказок.

    Если вы у нас впервые, загляните на страницу о проекте, чтобы узнать больше. Чтобы создавать темы и писать сообщения, сначала зарегистрируйтесь, а затем войдите под своим логином.

    Не знаете, с чего начать? Создайте тему с описанием проблемы – подскажем и при необходимости перенесём её в подходящий раздел.
    Задать вопрос Новые сообщения Как правильно спросить
    Если пришли по ссылке со старого Tehnari.ru – вы на нужном месте, просто продолжайте обсуждение.

Что это такое?

  • Автор темы Автор темы STK
  • Дата начала Дата начала
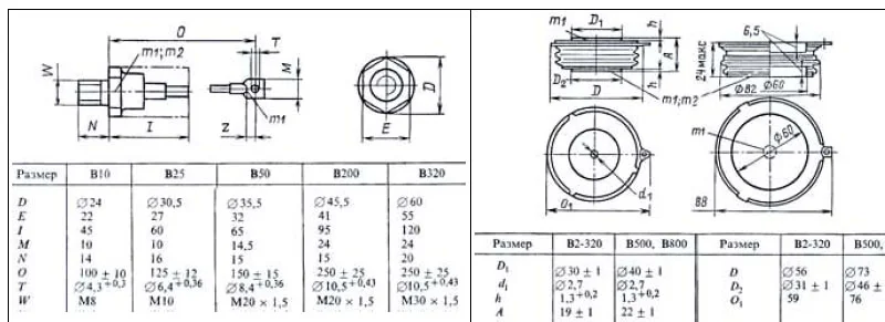
Применение:
• неуправляемые и полууправляемые выпрямительные мосты
• размагничивающие диоды
• транспорт
• электропривода для промышленности и транспорта
• сварка
• гальваника
Тип - В50
U rrm V - 150-1600
I rrm mA - 5
I f(av)(TcoC) A - 50(100)
I fsm10ms кA - 2.20
U fm / Ifm V/А - 1.35/157
Tjmax oC - 140
RthicoC/W - 0.600
Weight kg - 0.190
вентиль В50.webp
 
Назад
Сверху