• Добро пожаловать на компьютерный форум Tehnari.ru. Здесь разбираемся с проблемами ПК и ноутбуков: Windows, драйверы, «железо», сборка и апгрейд, софт и безопасность. Форум работает много лет, сейчас он переехал на новый движок, но старые темы и аккаунты мы постарались сохранить максимально аккуратно.

    Форум не связан с магазинами и сервисами – мы ничего не продаём и не даём «рекламу под видом совета». Отвечают обычные участники и модераторы, которые следят за порядком и качеством подсказок.

    Если вы у нас впервые, загляните на страницу о проекте, чтобы узнать больше. Чтобы создавать темы и писать сообщения, сначала зарегистрируйтесь, а затем войдите под своим логином.

    Не знаете, с чего начать? Создайте тему с описанием проблемы – подскажем и при необходимости перенесём её в подходящий раздел.
    Задать вопрос Новые сообщения Как правильно спросить
    Если пришли по ссылке со старого Tehnari.ru – вы на нужном месте, просто продолжайте обсуждение.

Что можно собрать на транзисторах?

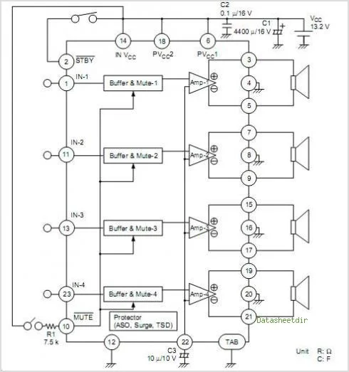
вопщем я понил что на транзисторах я ничего толковова не соберу и я решил взять микросхему HA13155 вот её схема,вот вопросы всё чо обозначкно красным это земля?всё что обозначено синим это резисторы?и ещё что такое обозначено зелёным?и ещё я выложил схему без всего вдруг что непонятно там
 

Вложения

  • HA13155-circuits.webp
    HA13155-circuits.webp
    42.5 KB · Просмотры: 2,077
  • HA13153A-circuits.webp
    HA13153A-circuits.webp
    23.6 KB · Просмотры: 571
Да, все правильно. А что обозначено зеленым это внутренности микросхемы, они не должны вас беспокоить. Достаточно знать, где вход, выход и питание.
 
а вход это IN-1 IN-2 IN-3 IN-4 ЭТО + А МИНУС НА ЗЕМЛЮ,ДА?
 
а все конденсаторы обозначаны в мкф?
 
Да, µ - это микрофарады.
 
буду отписываться при сборке,жаль что фотки с несмогу выложить
 
а нет смогу буду выкладывать ещё и фото)))
 
д нет есть проста без флешки он не принимает комп,я щас научился без флешки
 
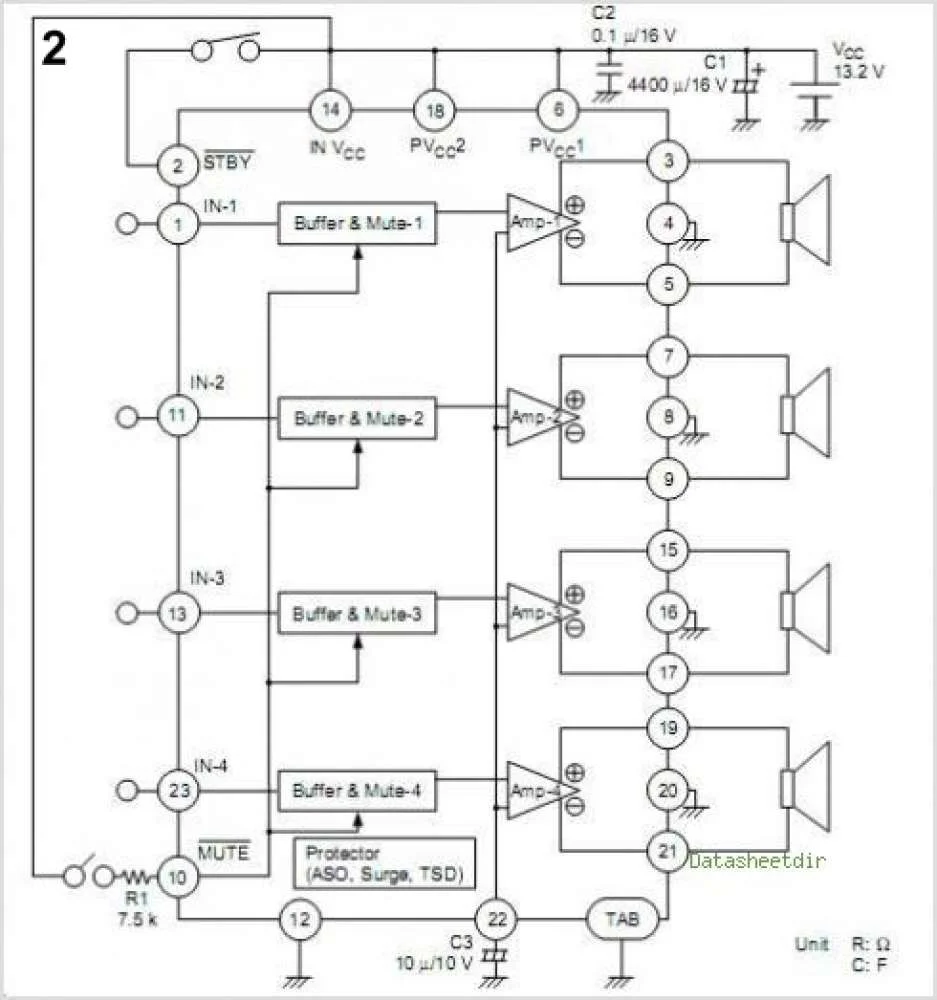
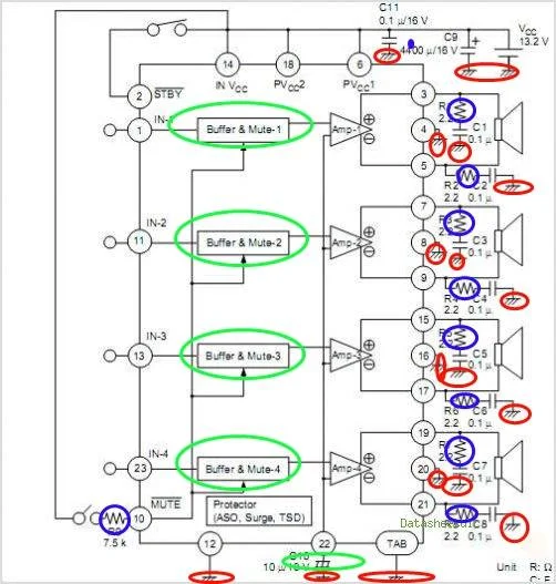
блин только щас заметил что схемы разные которые я выкладывал вот они,можна ли собрать по 2 схеме?она полегче
 

Вложения

  • HA13155-circuits.webp
    HA13155-circuits.webp
    41.8 KB · Просмотры: 558
  • HA13153A-circuits.webp
    HA13153A-circuits.webp
    51.4 KB · Просмотры: 413
ну вторая схема другая пригледись где выходы
 
Там же где и у первой, только там еще частотная навеска, делай как в даташит ... :)
 
тоесть без разницы какую делать?
 
Одинаковые, только у первой антивозбудные цепи на выходах. А какую делать, уже сказали...
 
Назад
Сверху