• Добро пожаловать на компьютерный форум Tehnari.ru. Здесь разбираемся с проблемами ПК и ноутбуков: Windows, драйверы, «железо», сборка и апгрейд, софт и безопасность. Форум работает много лет, сейчас он переехал на новый движок, но старые темы и аккаунты мы постарались сохранить максимально аккуратно.

    Форум не связан с магазинами и сервисами – мы ничего не продаём и не даём «рекламу под видом совета». Отвечают обычные участники и модераторы, которые следят за порядком и качеством подсказок.

    Если вы у нас впервые, загляните на страницу о форуме и правила – там коротко описано, как задать вопрос так, чтобы быстро получить ответ. Чтобы создавать темы и писать сообщения, сначала зарегистрируйтесь, а затем войдите под своим логином.

    Не знаете, с чего начать? Создайте тему с описанием проблемы – подскажем и при необходимости перенесём её в подходящий раздел.
    Задать вопрос Новые сообщения Как правильно спросить
    Если пришли по старой ссылке со старого Tehnari.ru – вы на нужном месте, просто продолжайте обсуждение.

Два раза в одну воду, только теперь на LM3886

Статус
В этой теме нельзя размещать новые ответы.
Транзисторы попробуйте подкинуть на выход.
не это не проходит, больно грубо и слишком заметны искажения, даже на тугой ух. Для дискотеки, неплохо.

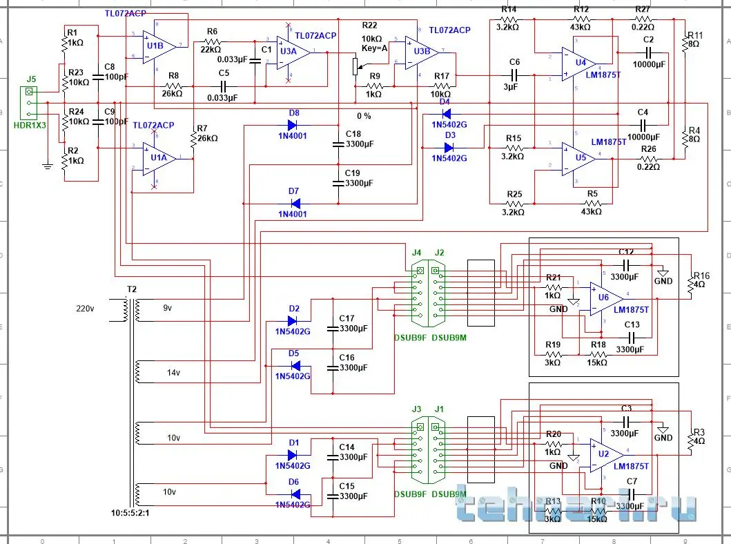
Условная схема, как это в общем выглядит, названия деталей условны.
 

Вложения

  • схема (условная).png.jpg
    схема (условная).png.jpg
    153.6 KB · Просмотры: 404
По Тимофеевичу!
Слепить макетик, по быстрому да на картоночке или в ламповом варианте на стоечках, милое дело, в прошлом веке. Понятие оптимально, эфимерно, особо в любительстве. Достаточно чтобы работало без проблем, а как это выглядит, важно, но дело десятое. Печатные платки далеких времен, калька навесного монтажа и это работало.
 
Транзисторы попробуйте подкинуть на выход.
Добавлю про мощность. В свое время, когда был очень молодым, была радиола веф, там был всего один динамк 4ГД4 и мощи, вата полтора, но всю округу ставила на уши, аж до автобусной остановки.

Теперь в активных колонках стоит чистый Китай, но не с чувствительностью не как у утюга, цитатка:

Сегодня при приобретении головок обычно смотрят только на их мощность и диапазон частот. Сравним для примера 35ГДН-1 и 6ГД1- РРЗ. Первая по названию в 6 раз мощнее. Сравним с учетом чувствительности. 25 Ватт номинальной мощности 35ГДН-1 при чувствительности 84 дБ/Вт/м что соответствует 0,1 н/кв.м. При номинальной мощности 25 Вт уровень звукового давления будет, как у 6ГД1- РРЗ при мощности 1,5 Вт. В первом случае потребуется транзисторный усилитель мощностью в десятки ватт, во втором маломощный ламповый усилитель. Кроме того, на 6ГД1- РРЗ можно подать мощность в 4 раза выше, и уровень звукового давления (громкости) будет на 6 дБ выше.
 
реалии. Поужинал, решил музон на сладкое послушать. Жена, сразу все испортила, уже поздно, давай потише, сделал на уровне громкости телевизора (которая бывает вечером). Осликом посмотрел сколько сигнальчика на сабчеке и на колонках. Маловато будет...

На днях померю сколько будет на обычной для меня громкости, похоже затеянное на лм3886, суета на ровном месте, обидно стало за себя (самокритика).
 
Мерить смысла нет, надо сделать паузу, делать все заново, в планы не входило. Статейка про сабик (донор) которую читал, но видимо не внимательно. То, что он хорош это не так, а вот цифры интересные.:dubinka:

Тест JetBalance JB-160 – надо уметь готовить
16.12.2006 JB-160 – очень хороший сабвуфер, позволяющий за небольшие деньги сделать на базе средненьких колонок качественный трифоник. Только важно понимать, что заиграет он далеко не со всеми АС.

Два года назад кому-то в JetBalance пришло в голову предложить компьютерщикам альтернативу покупке новой АС – мультимедийный сабвуфер, который можно было бы подключить к старой системе. Логика такая: сателлиты большинства недорогих трифоников недалеко ушли от маломощных чебурашек; если человек хочет обзавестись недорогой системой 2.1, почему бы ему не сэкономить и не докупить к старым колонкам саб – стереопара то уже есть? Тем более, что при подключении к старым АС саба качество звучания старых колонок возрастет – частоты ниже 150 Гц будут перенаправлены на саб, снизится количество искажений, возрастет качество звучания. Есть один не маловажный момент: сабвуфер не должен стоить дороже бюджетных трифоников, чтобы в его покупке был смысл.

Через год в России появились JB-140 и JB-160 ценой в 50 и 70 долларов соответственно. В линейке существуют еще две модели, JB-120 и JB-180, но на территории нашей страны они до сих пор встречаются исключительно в виде штучных пресс-семплов. Сегодня мы рассмотрим старшую модель, за год своего существования получившую много противоречивых отзывов.


Параметры Тиля-Смолла:
Qes 0.5 N/A Mms 6.14 g
Qms 3.31 N/A Cms 1136 um/N
Qts 0.44 N/A Sd 45 Sm2
Fo 60.3 Hz Bl 5.23 TM
Vas 3.3 l Re 5.9 Ohm
SPLo 83.4 dB/W*m Znom 8 Ohm
Pmx 30 W Xmx 4.5 mm

Причина этого в специфичности саба. JB-160 играет очень качественно: график частотной характеристики демонстрирует ровную «полку» до 50 Гц (рабочий диапазон по уровню -3 дБ – почти до 40 Гц), но при этом АС развивает не слишком высокое давление. Динамик чувствительностью 83,4 дБ и усилитель мощностью 25 Вт не смогут выдать больше 96-97 дБ (хотя динамиков в JB-160 две штуки, и при подведении 1 ватта на каждый получится в сумме 86 дБ, драйверы исчерпают запас мощности усилителя вдвое быстрее). Это обязательно надо учитывать.

Исходя из эмпирического правила – саб должен иметь хотя бы двукратный запас мощности над сателлитами – делаем вывод, что сателлиты к JB-160 должны развивать не более 93-94 дБ. То есть, каждый в отдельности - 90-91 дБ. Необходимое условие удвоения SPL, полную синфазность обеих колонок во всем частотном диапазоне, оставим для простоты за скобками. Также опустим некоторые моменты, связанные с расстановкой, хотя все-таки не плохо иметь в виду, что установленный на полу саб получает перед инсталлированными на стойках и в некоторых случаях, на столе, колонками, хорошую фору по давлению.

Хорошим же вариантом для JB-160 будут активные АС с чутьем около 83 дБ и 10-ваттным усилителем. На вскидку – младшие модели JetBallance (JB-331, JB-341), младшие модели Defender линейки Mercury (30A, 40A). Хороший прирост качества с JB-160 получат Solo 2 первой модификации, как и недавно протестированные нами Creative Gigaworks T20. Выбор есть, главное правильно оценить стереопару, к которой будет докупаться сабвуфер.



Не забываем о таком замечательном бонусе, как встроенный двухканальный усилитель 2 х 15 Вт. К нему можно подключать пассивные АС любой разумной омности, от 4 до 8 – с такими нагрузками усилитель справится. То есть, с JB-160 в качестве сателлитов можно использовать, например, акустику от старого музыкального центра, или пылящиеся в шкафу советские АС вроде S30. Получится приятный вариант бюджетного трифоника.



Выводы:
JB-160 – очень хороший сабвуфер, позволяющий за небольшие деньги получить из посредственных колонок качественный трифоник. Использование JB-160 со стереосистемами, играющими до 50 Гц, имеющими чувствтельность 85-86 дБ и оснащенными усилителями 2 х 25 Вт не кажется нам целесообразным. Оптимальная стереопара для JB-160 – пассивные АС с чувствительностью около 83 дБ, или активные мультимедийные колонки с нижней рабочей частотой около 70 Гц, чувствительностью 83-84 дБ и 10-ваттным усилителем.
 
Стоп,это планируется приобрести?
 
Стоп,это планируется приобрести?
нет, это было куплено очень давно и использовать было невозможно, долго писать почему. Но потом, был использован корпус и его динамики которые установлены по другому. Усилительная часть заново и трансформатор тоже.
Это самое тупое (по чуйке звено), что видно из статьи и требует значительно большей мощности, чем для колонок правого и левого канала, там чуйка динамиков под 92. Два вата для них, очень громко, слишком.
Когда делаешь из того, что есть и по месту, меньше всего думаешь о цифрах, теперь когда решил применить lm3886, выяснилось, что в этой комнате смысла нет, если только перестроить дом и тогда может быть это понадобится. Тупик.
 

Вложения

  • 1517712804864.jpg
    1517712804864.jpg
    10.7 KB · Просмотры: 249
Понятно,я уж было испужался :tehnari_ru_509:Просто ремонт этого чудка вспомнил...бррррtehno015
 
Ну..видишь..все в порядке :tehnari_ru_159:
 
продолжение о цифрах. Усилитель не последнее звено в цепочке. Крайнее динамик и это мрак. Отбросив эстетику и красоту, смотрим чуйку и искажения, тут самое оптимистичное 0,5% в среднем диапазоне частот, чуйка 94-97. Продолжаю и изучать этот вопрос.

Попутно подумал, какой процент искажений дает рояль или орган (натуральный)?
Труба, кларнет, скрипка...
 
А рояль какой? Steinway & Sons или китайский Astor? Кем настроен, где стоит - в миланской опере или в ДК Мухосранска?
Лампа с 1-3% искажений и ширик с неравномерностью 12-14дб- мечта многих аудиофилов...
 
А рояль какой? Steinway & Sons или китайский Astor? Кем настроен, где стоит - в миланской опере или в ДК Мухосранска?
Неважно. Тут все упирается в усилитель + акустика и если они позволяет их отличать, кто и где, то это удачный вариант.
 
Рано или поздно, все превращается в прах. Не, все тихо и без дыма, пробило выход обоих тда на минус питания. Они стояли через прокладки на корпус, причина тоже понятна, локальный перегрев, ослабли винты крепления к радиатору, хоть и был гровер . Теперь, прижимать только планкой, микросхем нет совсем, нужно покупать.
Повторить или на другом замутить?
 
Повторить или на другом замутить?
На сателлиты 1875 в параллель, на саб 3886.
причина тоже понятна, локальный перегрев, ослабли винты крепления к радиатору, хоть и был гровер
Металлические лепестки которые подкладываются под винт и давят на корпус микроба было бы неплохо использовать тогда.
 
У меня активные колонки и с ними все в порядке.
Так вы же не написали где у вас ТДАшки вылетели :) Да и в любом случае, вы вроде переделку хотели сделать, сами только что просили предложений, Вот я и предложил. И мощность поднять можно и другого производителя послушать.
 
Сабик работал на сдвоенной тда2050. После разборки, внешний вид прокладки, под одной из тда явно с дефектом. Учитывая, что все питается от раздельных источников питания, удалю их, получится выходник с землей на минус.
 
Получил интересный опыт. Вылетели два китайца тда 2050. Лениво тащиться за новыми. Порылся в загашнике и нашел оригинал, он старый, тогда китайцы этого не делали, но отломаны три ноги (неаккуратная разборка), подпаял и вставил вместо двух. Заработало сразу. Схема прежняя, микроб через прокладку (старую) на корпус, но одна, вместо двух.
Нагрев незначительный, на привычной громкости, звук другой, более глубкий и более резкий. Забавно. Видимо от трех китайцев как раз и будет как от одной оригинальной.
 
Статус
В этой теме нельзя размещать новые ответы.
Назад
Сверху