Взаимно, тёзка!У меня есть тёзка? буду рад знакомству :beer2:
Товарищи, прошу прощения, сегодня никак не вышло заниматься этим делом
Смотрите видео ниже, чтобы узнать, как установить наш сайт в качестве веб-приложения на домашнем экране.
Примечание: Эта возможность может быть недоступна в некоторых браузерах.
Добро пожаловать на компьютерный форум Tehnari.ru. Здесь разбираемся с проблемами ПК и ноутбуков: Windows, драйверы, «железо», сборка и апгрейд, софт и безопасность. Форум работает много лет, сейчас он переехал на новый движок, но старые темы и аккаунты мы постарались сохранить максимально аккуратно.
Форум не связан с магазинами и сервисами – мы ничего не продаём и не даём «рекламу под видом совета». Отвечают обычные участники и модераторы, которые следят за порядком и качеством подсказок.
Если вы у нас впервые, загляните на страницу о проекте, чтобы узнать больше. Чтобы создавать темы и писать сообщения, сначала зарегистрируйтесь, а затем войдите под своим логином.
Взаимно, тёзка!У меня есть тёзка? буду рад знакомству :beer2:
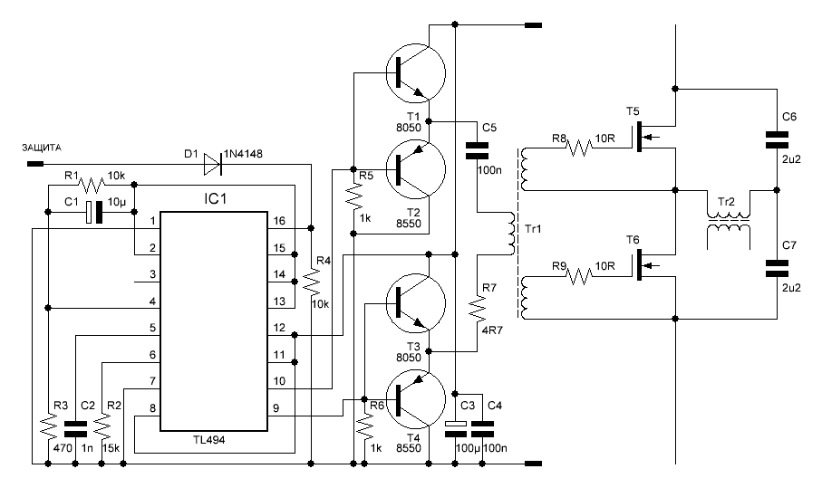
Чёй -то у нас не сходится , 494 - инверторная .Подкиньте проверенную простую схему двухполярного сетевого (не инвертора)
А автор просил не инвертор , толи лыжи не едут , толи я еб ...ый .это не ИИп, это инвертор
Дежурка стоит, естественно. Простой блокинг генератор по схеме старичка, на биполяре. Мне не нравится на биполяре, греется ключ сильно, даже на х.х. Теерь собираю блокинги на полевых, они так не греютсяТимур, это не ИИп, это инвертор, а меня интересует организация питания TL494,
а тут 12В и все ?...![]()
В любом импульсном блоке питания сетевое напряжение выпрямляется и... поступает на инверторЧёй -то у нас не сходится , 494 - инверторная . А автор просил не инвертор , толи лыжи не едут , толи я еб ...ый .
Тоже собирал на биполярных, нормально, но с натягом ...Дежурка стоит, естественно. Простой блокинг генератор по схеме старичка, на биполяре. Мне не нравится на биполяре, греется ключ сильно, даже на х.х.
Естественно , сопротивление канала меньше .они так не греются
Потом я разобрался в чём дело, и научился их правильно готовить, но неприязнь к блокингам на биполярах осталась всё равноЕстественно , сопротивление канала меньше .
Мне они бесплатно обходятся, и в ремонте проще для меня. Да и неубиваемые они выходят. Делаю сейчас на дросселях от электронных балластов ЛДС. Габаритом чуток побольше, где-то 3,5х6 см, но ватт 10-15 уже можно выжать. Ну и на любое напряжение могу намотать, даже на два выхода, если надоТоже собирал на биполярных, нормально, но с натягом ...))
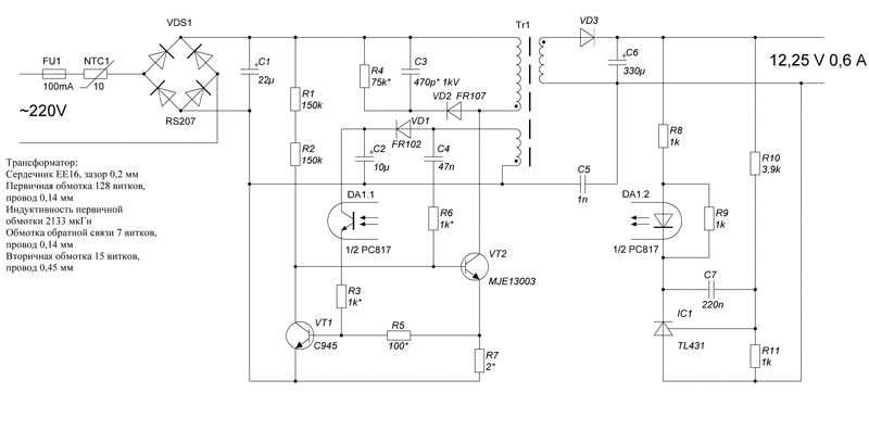
А сейчас просто покупаю на Али, фото выкладывал выше. Две штуки в спичечный коробок вмещаются. Данные такие же как у тебя 12В 0.6А ...))
Возьми за основу схему Тимура, она должна туда влезть, а трансформаторов иЯ последнее время занимаюсь переделкой зарядок от старых патифонов , вот к примеру корпус большой , а параметры - так себе , можно туда что-нибудь по конкретнее внедрить .
Просто маску нанес с лицевой стороны, ну и текстолит зеленоватый, я использую "рыжий" (закупил когда то давно на алике, была скидка процентов 90 на него у продавца одного.Только не понятно, почему
плата на заводскую похожа ?...
А понятно, просто никогда не наносил ...Просто маску нанес с лицевой стороны
Ну на два выхода смысла нет пока, или 2 х 7 Вт. Мне тоже интересно использовать куда нибудь, то что валяется под ногами. А этих балластов просто не мерЯннно, на производстве. Летит как правило один из ключей, второй остается (последовательно). Хлопцы из двух один собирают. Я тоже под эту дудку мудрю всякие мульки. Вот у меня в голове сидит одна идейка. Смысл тот же самый ...Делаю сейчас на дросселях от электронных балластов ЛДС. Габаритом чуток побольше, где-то 3,5х6 см, но ватт 10-15 уже можно выжать. Ну и на любое напряжение могу намотать, даже на два выхода, если надо
