• Добро пожаловать на компьютерный форум Tehnari.ru. Здесь разбираемся с проблемами ПК и ноутбуков: Windows, драйверы, «железо», сборка и апгрейд, софт и безопасность. Форум работает много лет, сейчас он переехал на новый движок, но старые темы и аккаунты мы постарались сохранить максимально аккуратно.

    Форум не связан с магазинами и сервисами – мы ничего не продаём и не даём «рекламу под видом совета». Отвечают обычные участники и модераторы, которые следят за порядком и качеством подсказок.

    Если вы у нас впервые, загляните на страницу о проекте, чтобы узнать больше. Чтобы создавать темы и писать сообщения, сначала зарегистрируйтесь, а затем войдите под своим логином.

    Не знаете, с чего начать? Создайте тему с описанием проблемы – подскажем и при необходимости перенесём её в подходящий раздел.
    Задать вопрос Новые сообщения Как правильно спросить
    Если пришли по ссылке со старого Tehnari.ru – вы на нужном месте, просто продолжайте обсуждение.

Электропривод сидений

Может еще что-то нужно сфоткать?
 

Вложения

  • Bнутри.webp
    Bнутри.webp
    34.8 KB · Просмотры: 126
  • Внутри.webp
    Внутри.webp
    70.6 KB · Просмотры: 104
  • Входы.webp
    Входы.webp
    20.6 KB · Просмотры: 175
  • Выходы.webp
    Выходы.webp
    21.2 KB · Просмотры: 92
  • Метки фишек.webp
    Метки фишек.webp
    23.6 KB · Просмотры: 89
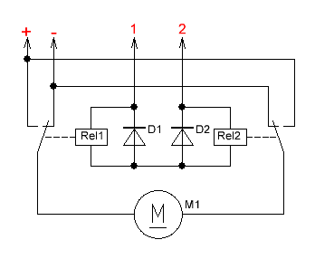
Усилить такую кнопку тоже можно с помощью пары реле, добавив ещё пару диодов (должны держать ток обмотки реле):
1.GIF
В Вашем блоке, судя по компонентам, уже есть всё, что нужно для управления моторами. Осталось только найти управляющие входы, для этого нужна схема блока (а лучше - схема его подключения :) ).
 
Усилить такую кнопку тоже можно с помощью пары реле, добавив ещё пару диодов
Считаю эту схему оптимальной, применял много раз. Однако и просто кнопки работают нормально даже без отсекателей по току . Проверено.
 
Может не там вопрос задаю: за два дня сел путевый акб, как обнаружить утечку. когда клемму одеваю она искрит, думается где-то замыкает?
 
Предохранители по очереди повынимать.
 
А как понять что именно на этом предохранителе неисправность?
 
Это что значит?
когда клемму одеваю она искрит
Укажите марку авто, для многих современных моделей это норма.
А как понять что именно на этом предохранителе неисправность?
При выключенном зажигании возможно искрение.
Надежнее всего - в разрыв массы включить амперметр, картина сразу станет ясной. Удачи.
 
Назад
Сверху