• Добро пожаловать на компьютерный форум Tehnari.ru. Здесь разбираемся с проблемами ПК и ноутбуков: Windows, драйверы, «железо», сборка и апгрейд, софт и безопасность. Форум работает много лет, сейчас он переехал на новый движок, но старые темы и аккаунты мы постарались сохранить максимально аккуратно.

    Форум не связан с магазинами и сервисами – мы ничего не продаём и не даём «рекламу под видом совета». Отвечают обычные участники и модераторы, которые следят за порядком и качеством подсказок.

    Если вы у нас впервые, загляните на страницу о проекте, чтобы узнать больше. Чтобы создавать темы и писать сообщения, сначала зарегистрируйтесь, а затем войдите под своим логином.

    Не знаете, с чего начать? Создайте тему с описанием проблемы – подскажем и при необходимости перенесём её в подходящий раздел.
    Задать вопрос Новые сообщения Как правильно спросить
    Если пришли по ссылке со старого Tehnari.ru – вы на нужном месте, просто продолжайте обсуждение.

Фонит TDA7293

  • Автор темы Автор темы Lahti
  • Дата начала Дата начала
diman86 не путайте экранировку с топологией. Соедините общий провод регуляторов громкости с общей точкой блока питания отдельным проводом, точки станут эквипотенциальные. А с регуляторов общие провода к каждой плате через низкоомные резисторы, для сигнального тока они не видны в виду его малости.
 
не путайте экранировку с топологией.
Ничего не путаю. Вы писали конкретно про экран проводника, я ответил.

Есть два варианта, как с одним блоком питания избавиться вообще (т.е. совсем) от земляной петли. И никаких резисторов не потребуется. Но не будем флудить, если интересно, в личку.
 
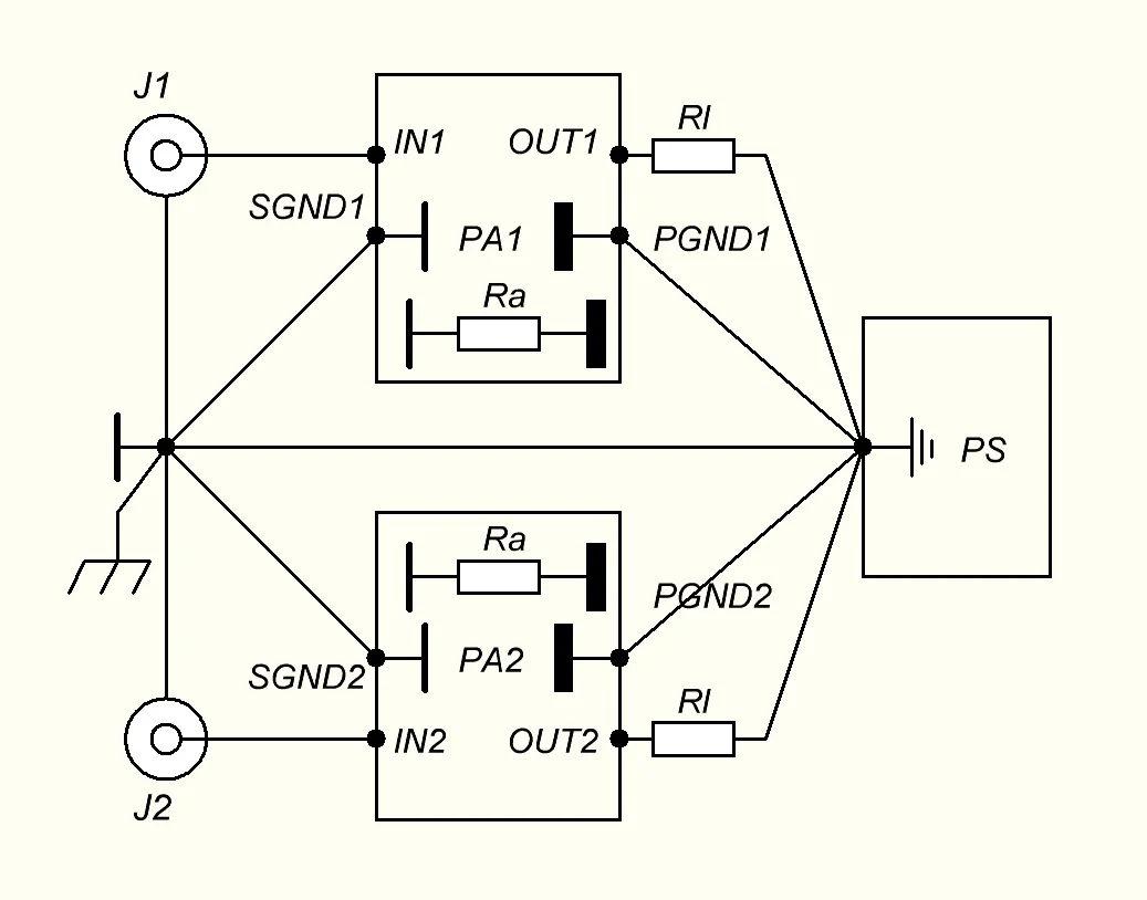
Для пояснения выкладываю несколько рисунков.
Первый иллюстрирует, какие элементы усилителя к какой земле подключаются и относятся.
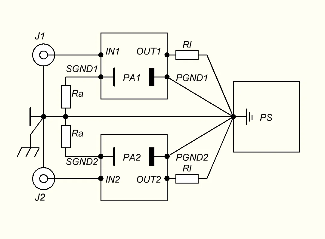
Второй - как я обычно делаю, обратите внимание как подключается нагрузка (АС).
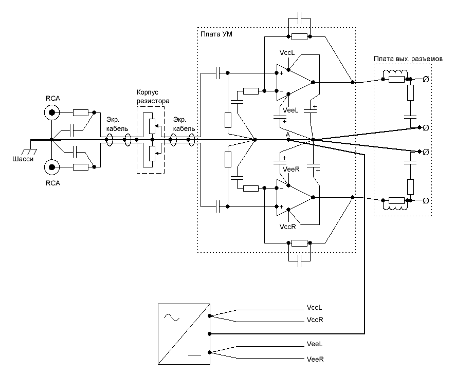
Третий - вариант предлагаемый ТС, чтобы не вносить изменения в топологию ПП, на рисунке не показан регулятор громкости.
На двух последних рисунках опущены цепи питания, дабы не перегружать рисунок лишними линиями, что в данном случае не принципиально.
 

Вложения

  • Земли.webp
    Земли.webp
    26.4 KB · Просмотры: 527
  • Змл_Одн_Пит.webp
    Змл_Одн_Пит.webp
    26.3 KB · Просмотры: 686
  • Змл_Одн_Пит1.webp
    Змл_Одн_Пит1.webp
    24.3 KB · Просмотры: 328
Это не мне надо знать, это надо ТС знать :tehnari_ru_889:. Пусть ставит резисторы.

У меня варианты предполагают полную переделку "с нуля".

Первый - общая земля.

2030c.GIF2030_2G.GIF

По печатке: силовая и сигнальная разделяется на два полигона и соединяется через GND. Здесь применять резистор не имеет смысла.

Если найдете на рисунках хоть намек на петлю, то буду вам благодарен :rolleyes:

Второй - виртуальная земля (не для всех УМЗЧ).
http://www.tehnari.ru/687514-post79.html

Хотя зачем мне объяснять, вы и так это все знаете.

Про подключение земли АС, однозначного ответа нет. Одни пишут с блока питания, другие - с платы УМЗЧ.
 
Я наблюдал за этой темой на другом сайте и в курсе даваемых Вам советов и рекомендаций, просто не хотелось вмешиваться.
По поводу виртуальной земли, Вы не учитываете связь через шины питания. Переменка с цепей питания ой как пролазит.
 
Вы не учитываете связь через шины питания
Все учитываю. Это называется разделение каналов. Другая история...
Даже поставив по отдельному трансформатору, взаимопроникновение каналов не решается полностью. Но это оффтоп, все, прекращаю.
 
автор, раздели силовую и сигнальную землю резиком пару ом.
 
Для пояснения выкладываю несколько рисунков.
Первый иллюстрирует, какие элементы усилителя к какой земле подключаются и относятся.
Второй - как я обычно делаю, обратите внимание как подключается нагрузка (АС).
Третий - вариант предлагаемый ТС, чтобы не вносить изменения в топологию ПП, на рисунке не показан регулятор громкости.
На двух последних рисунках опущены цепи питания, дабы не перегружать рисунок лишними линиями, что в данном случае не принципиально.

Подключил по предложеному Вами третьему варианту - фон усилился ((
Резисторы нашёл только на 10 ом - может надо меньше ?
 
Дайте пожалуйста рисунок, либо фотографию печатной платы со стороны дорожек. Так же хотелось бы увидеть схему усилителя.
 
Для пояснения выкладываю несколько рисунков.
Первый иллюстрирует, какие элементы усилителя к какой земле подключаются и относятся.
Второй - как я обычно делаю, обратите внимание как подключается нагрузка (АС).
Третий - вариант предлагаемый ТС, чтобы не вносить изменения в топологию ПП, на рисунке не показан регулятор громкости.
На двух последних рисунках опущены цепи питания, дабы не перегружать рисунок лишними линиями, что в данном случае не принципиально.
Решил подключить по второму варианту только не ставил резисторы Ra - фон уменьшился (почти не слышно), но хочется полной тишины в колонках - на вашей схеме АС подключены через резисторы (RI)? какой номинал резисторов, и так ли важно присутствие этих резисторов в схеме, влияет ли это на уровень фона?
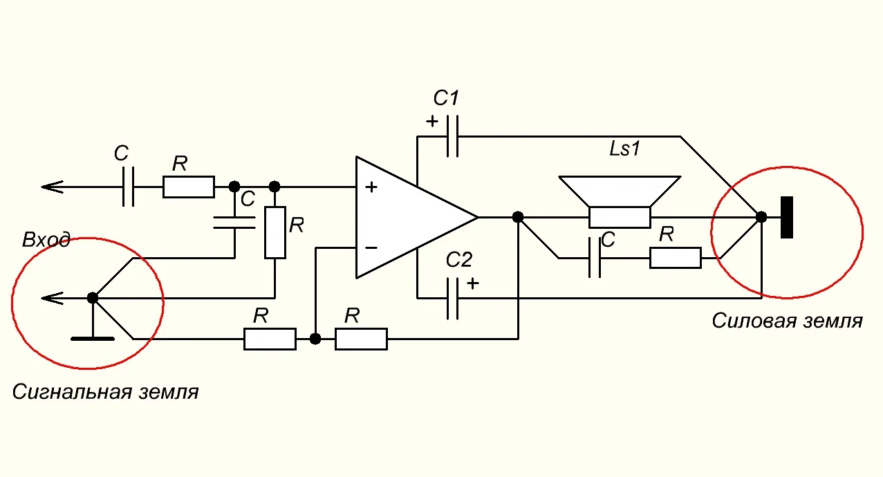
Схема усилителя выложена мною в моём первом сообщении, но на всякий случай выкладываю ещё раз.
Сделать фото платы пока не имею возможности.
 

Вложения

  • TDA7293.webp
    TDA7293.webp
    29.5 KB · Просмотры: 572
Rl - это сопротивление нагрузки, АС. Речь шла о том, что АС холодным концом подключается непосредственно к блоку питания.
 
Последнее редактирование:
Rl - это сопротивление нагрузки, АС. Речь шла о том, что АС холодным концом подключается непосредственно к блоку питания.
Холодный конец АС это "земляной" провод? Его подключать непосредственно к общему проводу БП в точке соединения конденсаторов фильтра? Решит ли это мою проблему с фоном?
 
Да, все как на рисунке.

Второй - как я обычно делаю, обратите внимание как подключается нагрузка (АС).
Если ПП разрабатывать с нуля и сразу предусмотреть разделение полигонов резистором, то что нам это дает? Ослабление влияния петли, если БП общий? Если да, то насколько сильно ослабление?
 
На вскидку около -70 дБл.
 
Еще приемлемо. Надо бы попробовать.
 
Назад
Сверху