• Добро пожаловать на компьютерный форум Tehnari.ru. Здесь разбираемся с проблемами ПК и ноутбуков: Windows, драйверы, «железо», сборка и апгрейд, софт и безопасность. Форум работает много лет, сейчас он переехал на новый движок, но старые темы и аккаунты мы постарались сохранить максимально аккуратно.

    Форум не связан с магазинами и сервисами – мы ничего не продаём и не даём «рекламу под видом совета». Отвечают обычные участники и модераторы, которые следят за порядком и качеством подсказок.

    Если вы у нас впервые, загляните на страницу о проекте, чтобы узнать больше. Чтобы создавать темы и писать сообщения, сначала зарегистрируйтесь, а затем войдите под своим логином.

    Не знаете, с чего начать? Создайте тему с описанием проблемы – подскажем и при необходимости перенесём её в подходящий раздел.
    Задать вопрос Новые сообщения Как правильно спросить
    Если пришли по ссылке со старого Tehnari.ru – вы на нужном месте, просто продолжайте обсуждение.

Греется перемотанный ТС 80

Экран не должен быть коротко замкнутой обмоткой , то есть концы экрана должны быть изолированы друг от друга.

Так вот оно что, а я его в нахлест ставил. Наверное когда в тот раз разматывал не увидел что его концы были изолированы. Спасибо за информацию :)
 
Ну а то что экран крепится на корпус надеюсь знаете.
 
А я трансформатор доделал :D Странно, но он греется если оставить экран между первичкой и вторичкой. Без него не греется вовсе :)
Посмотреть вложение 85964
Там у меня двуполярка +-20. Хочу запитать две TDA2050. Нужно один диодный мост поставить или лучше каждой микре свой?

Посмотреть вложение 85965

Думаю лучше каждую отдельно сделать.У меня наTDA7294 на каждый канал свой д.мост.
 
Ну а то что экран крепится на корпус надеюсь знаете.

Знаю :) А вот про замыкание экрана не знал к сожалению, но теперь я уже намотал и обратно перематывать не хочется. А он сильно нужен?

Думаю лучше каждую отдельно сделать.У меня наTDA7294 на каждый канал свой д.мост.

Хорошо поставлю на каждую :)
 

Вложения

  • Снимок трансформатор.webp
    Снимок трансформатор.webp
    20.9 KB · Просмотры: 86
Ребят, что-то странное с питанием. Без моста +-17 переменки, после моста +-15 постоянки. Как только подключил усилители, сразу же взорвалось по одному конденсатору, которые стоят параллельно + и GND 470мкФ 25в. Поставил на 63 вольта такой же емкости - работает. Мерию напряжение, а оно поднялось до +-22,5 вольт. Ну по идее даже если 22,5, у кондера же 25вольт? И почему не взорвался такой же, но между - и GND ?
Мультиметр врёт? Сеть он вроде правильно показывает 218вольт, и выход с бп ноутбука точно показывает.
Кстати только вспомнил, один из этих кондеров был на 35в, мне в магазине перепутали. Хотел низкопрофильные, а теперь вообще разные :(
 

Вложения

  • WP_000581.webp
    WP_000581.webp
    65.8 KB · Просмотры: 79
  • WP_000582.webp
    WP_000582.webp
    76.4 KB · Просмотры: 69
Последнее редактирование:
470мкФ это после моста,маловато будет,надо хотя бы 4700мкф,а ещё лучше 10000мкф.
 
470мкФ это после моста,маловато будет,надо хотя бы 4700мкф,а ещё лучше 10000мкф.

Ну дак это же по схеме они там стоят. А так у меня есть 4х10000мкФ 50 вольт, вот только я их убрал из питания как только взорвались маленькие. Подумал из за них напряжение поднялось.
А что насчет таких непоняток с напряжением? Постоянкие меньше переменки, а под нагрузкой она наоборот до 22 возростает.
 
А где на фото сами конденсаторы?
 
Дак убрал, побоялся что опять взорвется что-нибудь. Без них все работает, и колонки поют. Фотка после того как убрал, вот их и нету там.
 
Может конденсаторы были не правильно подключены?
 
Маленькие то? Подключены как надо были, потому что новые я ставил смотря на полярность этих.
Кстати эти кондеры по питанию желательно ставить? Просто и так работает, правда при громкости ноль слышен фон.
 
правда при громкости ноль слышен фон.Провода на входе усилителя экранированные?Я конечно не художник,но должно быть как то так.Поменяйте провода на входе усилителя на экранированные,у вас простые стоят,фон должен исчезнуть.
 

Вложения

  • сканирование0001.webp
    сканирование0001.webp
    30.9 KB · Просмотры: 113
Последнее редактирование:
Опа, а я по-другому питание развел. Вот так:
dfdf.webp

А вот с экранированными проводами проблема, может провод от антенны поставить :D Там то экран есть.
 
Кстати эти кондеры по питанию желательно ставить?Желательно 35В 4700мкф,а в общем ,чем больше,тем лучше(в разумных пределах)
 
Опа, а я по-другому питание развел. Вот так:
Посмотреть вложение 86098

А вот с экранированными проводами проблема, может провод от антенны поставить :D Там то экран есть.

Ну вот ВАм и вся проблема.Сначала должны стоять диодные мосты,а потом кондёры.Экранированный провод можно взять от аудио шнура,ну который ещё с колокольчиками идёт.От антены не пробовал,ну на крайний случай попытайтесь.:)
 
правда при громкости ноль слышен фон.Провода на входе усилителя экранированные?Я конечно не художник,но должно быть как то так.Поменяйте провода на входе усилителя на экранированные,у вас простые стоят,фон должен исчезнуть.

Можно поставить по одному кондёру на каждый канал,будет достаточно.
 
Ну вот ВАм и вся проблема.Сначала должны стоять диодные мосты,а потом кондёры.

Не, на рисунке черные прямоугольники это не кондеры, это клеммы чтобы провода соединять :) Кондеры я всегда после мостов ставлю :D
 
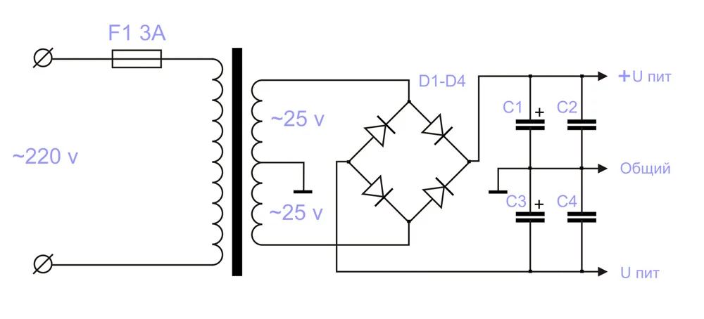
Вот у Валерия нашёл картинку получше,только напряжение другое.Если всё правильно,ставьте конденсаторы 35В и не мение4700мкф,всё должно быть нормально.
 

Вложения

  • 003.webp
    003.webp
    14.6 KB · Просмотры: 171
Хорошо :) Спасибо! Пойду на плату это дело размещу, чтобы по науке :D
 
Назад
Сверху