• Добро пожаловать на компьютерный форум Tehnari.ru. Здесь разбираемся с проблемами ПК и ноутбуков: Windows, драйверы, «железо», сборка и апгрейд, софт и безопасность. Форум работает много лет, сейчас он переехал на новый движок, но старые темы и аккаунты мы постарались сохранить максимально аккуратно.

    Форум не связан с магазинами и сервисами – мы ничего не продаём и не даём «рекламу под видом совета». Отвечают обычные участники и модераторы, которые следят за порядком и качеством подсказок.

    Если вы у нас впервые, загляните на страницу о проекте и правила – там коротко описано, как задать вопрос так, чтобы быстро получить ответ. Чтобы создавать темы и писать сообщения, сначала зарегистрируйтесь, а затем войдите под своим логином.

    Не знаете, с чего начать? Создайте тему с описанием проблемы – подскажем и при необходимости перенесём её в подходящий раздел.
    Задать вопрос Новые сообщения Как правильно спросить
    Если пришли по старой ссылке со старого Tehnari.ru – вы на нужном месте, просто продолжайте обсуждение.

Гумеля 1989. Модификации

  • Автор темы Автор темы decoder
  • Дата начала Дата начала

Вложения

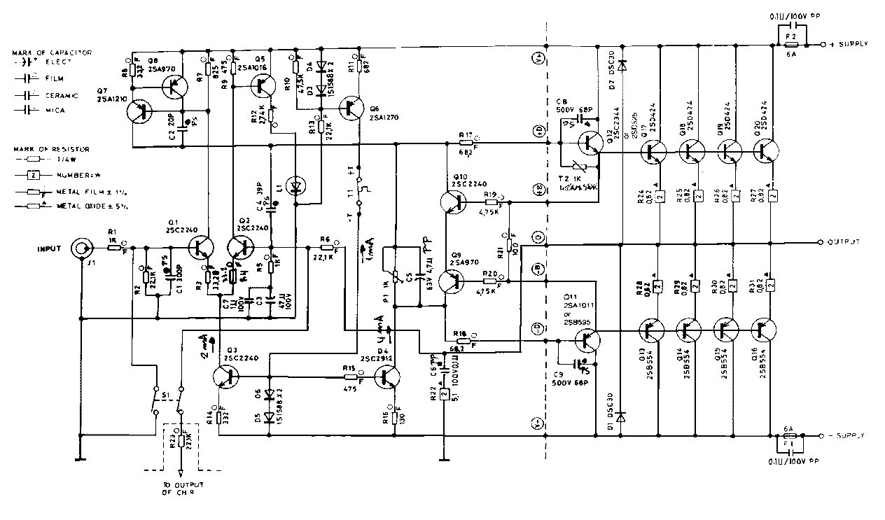
  • Аdcom 555.gif
    Аdcom 555.gif
    26.5 KB · Просмотры: 315
Тоже четыре пары выходных транзисторов:draz:
 
Зря ухмыляетесь.а я вот маленькую неточность допустил.555 МКII.схема,приведенная выше действительно,общего мало.у меня под рукой просто нет сейчас выложить.хотя вполне возможно что не только Адком применял это решение.
 
Последнее редактирование:
Хотя могу и ошибаться,давно видел уже.
 

Вложения

  • Безымянный.png.webp
    Безымянный.png.webp
    213.1 KB · Просмотры: 49
  • ....png.webp
    ....png.webp
    60.2 KB · Просмотры: 118
Собственно почему мне запомнилась зрительно эта схема и почему я вообще наткнулся на нее.давно хотел спросить,да случай не подворачивался.обратил внимание на такую вещь.хоть и не в этой теме надо,но спрошу.интересно.обратил внимание вот на такую вещь.почти вся масса усилителей строится по входу на дифф.каскаде.а вот есть довольно верхние модели,где эммитерный повторитель и дальше на симметричный усилитель.например у Акая.еще другие видел,просто не помню сейчас.заинтересовал этот вопрос на предмет что лучше.в чем минусы на э.повторителе?я посмотрю у себя в закромах эту схему.здесь тоже как-то не так.не эта схема точно.и вроде транзисторов тут больше
 
Последнее редактирование:
а вот есть довольно верхние модели,где эммитерный повторитель и дальше на симметричный усилитель.
Стесняюсь спросить,а
верхние модели
это что значит ?
например у Акая
Схема хде и какого именно
?
 
.В любом случае не бейте больно,я только спрашиваю.и вот Феноменский усилитель Митрофанова так построен.у меня товарищ собирал его,говорит звучит очень даже.хоть и на советской базе еще был собран
 
Ну и как? Меня от одного только названия, в дрожь бросает! А ведь раньше очень любил этот усь. Но после ряда неудач, с этим делом завязал. Ещё ни один усилитель, из тех, которые я собирал, так по скотски себя не вёл!
Так сквозняки убраны ,введена пассивная защита оу при вылете транзисторов с ОБ ,плюс емкости межбазовые в ВК при малом токе покоя значительно улучшили спектр сигнала. выходники можно и по одному А1943/С5200 или по паре ВД909/912 или 4 двухамперных
 
Ненравится режим В,можно и в АВ
 

Вложения

  • по мотивам  простой AB.webp
    по мотивам простой AB.webp
    114.4 KB · Просмотры: 419
А какой надо тот и ставьте. 75-120ма
 
Стесняюсь спросить, что именно Аdcom 555 напоминает ?
И рядом не стояло! ЭП и ОЭ вещи совсем разные,да и один в режиме АВ работет,а второй в режиме В ,но без отсечки
 
Назад
Сверху