• Добро пожаловать на компьютерный форум Tehnari.ru. Здесь разбираемся с проблемами ПК и ноутбуков: Windows, драйверы, «железо», сборка и апгрейд, софт и безопасность. Форум работает много лет, сейчас он переехал на новый движок, но старые темы и аккаунты мы постарались сохранить максимально аккуратно.

    Форум не связан с магазинами и сервисами – мы ничего не продаём и не даём «рекламу под видом совета». Отвечают обычные участники и модераторы, которые следят за порядком и качеством подсказок.

    Если вы у нас впервые, загляните на страницу о форуме и правила – там коротко описано, как задать вопрос так, чтобы быстро получить ответ. Чтобы создавать темы и писать сообщения, сначала зарегистрируйтесь, а затем войдите под своим логином.

    Не знаете, с чего начать? Создайте тему с описанием проблемы – подскажем и при необходимости перенесём её в подходящий раздел.
    Задать вопрос Новые сообщения Как правильно спросить
    Если пришли по старой ссылке со старого Tehnari.ru – вы на нужном месте, просто продолжайте обсуждение.

Индикатор зарядки

  • Автор темы Автор темы axell
  • Дата начала Дата начала
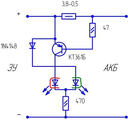
Народ что скажете о работоспособности вот такой схемки
 

Вложения

  • post-54570-0-80060700-1340863908_thumb.webp
    post-54570-0-80060700-1340863908_thumb.webp
    10.1 KB · Просмотры: 8,959
не вижу ни какой индикации
- Видишь суслика в поле?
- Нет
- А он есть.

tp4056.webp

Кстати, мне кажется или вы собираетесь заряжать литиевый аккумулятор напрямую от 5В, без контроллера?
Если так то вас не смущают последствия?
 
Последнее редактирование:
там думаю должно что то быть?
Нет, нет и еще раз нет.

Между источником питания (вашей "зарядкой") и литиевым (кстати довольно взрывоопасная вещь) АКБ должно стоять специальное устройство контролирующее процесс заряда АКБ.

И если у вас маленький опыт пайки и сборки устройств с "нуля" лучше купите готовое (пусть и китайское, за доллар, на ebay.com, на основе TP4056), слишком критичный узел, редко прощающий ошибки.
 
Последнее редактирование:
А что привесить для безопасности батареи
 
И всётаки
специальное устройство контролирующее процесс заряда АКБ.
настолько сложно в реализации,можно посмотреть схемку.А то с ибея запчасть буду долго ждать.
 
настолько сложно в реализации
Нет, не сложно, микруха, пара резисторов и светодиод.
Но микросхема настолько нежная и не любящая перегрева, что я первый раз спалил почти десяток прежде чем приноровился паять их.
Да и ножки мелкие, нужно вот такое тонкое жало с микроволной:
DSCF0616.webp
 
Последнее редактирование:
Ясно, но я наверное тоже попалю некоторое количество м/с.tehno001
 
Ясно, но я наверное тоже попалю некоторое количество м/с.
Бери с запасом. При пайке температуру не больше 280 градусов, 4 сек на ножку - остудить и только потом следующую.
 
Имеется старенький аккумулятор с обвязкой. Это обвязка не является ли контролёром зарядки, или её часть.
 

Вложения

  • Фото0224.webp
    Фото0224.webp
    13.5 KB · Просмотры: 163
Назад
Сверху