Индикатор зарядки

  • Автор темы Автор темы axell
  • Дата начала Дата начала
А транзистор любой?
 
3102 подойдет?
 
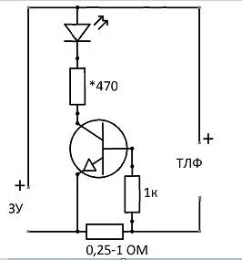
Собирал недавно зарядник для аккумулятора игрушечного вертолета, там 3,7в тоже. Светодиод ставил вот так:

Схема.gif

При полной зарядке он гаснет. Номиналы деталей использовал что на схеме.

Народ, а вот резистор обозначенный как *470, это в кило или просто Ом

Это значит 470ом и его надо подбирать.
 
Учтите без нагрузки светится не будет
Ухты, т.е. должна быть подключена и зарядка и нагрузка, а с пустым аккумулятором схема ни чего показывать не будет
 
Ухты, т.е. должна быть подключена и зарядка и нагрузка, а с пустым аккумулятором схема ни чего показывать не будет
Нагрузкой и будет аккумулятор, я это имел в виду.
 
Ясно, не подскажите по какой причине схема может не работать(диод не горит)
транзистор 3102 БМU4
 
Кт3102(p-n-p) годится для первой схемы, для второй нужен транзистор типа кт3107(n-p-n)
 

Вложения

  • Схема.gif
    Схема.gif
    4.1 KB · Просмотры: 974
  • ИнТ.webp
    ИнТ.webp
    5.1 KB · Просмотры: 923
Кт3102(p-n-p) годится для первой схемы, для второй нужен транзистор типа кт3107(n-p-n)

извините может туплю, но я правильно понял Кт3102(p-n-p) годится для первой схемы(рисунок с жёлтым фоном), для второй(белый фон) нужен транзистор типа кт3107(n-p-n)
Просто, ранее в этой ветки вы противополжное советовали. Сорри если я что то напутал.
 
Сорри если я что то напутал.
Да спасибо что заметили, это я в последнем посте ошибся, просто стал забывать советские детали. Просьба модераторов подправить если можно.
 
Короче задача такая: имеется мини АС, питается от стандартной телефонной зарядки, хочу впихнуть туды АКБ(тоже стандартное телефонное). Нужно сделать чтоб этот Акк заряжался от зарядки, и была индикация процесса зарядки.
Уважаемые как бы вы сделали в таком случае, по УМУ так сказать?
 
Уважаемые как бы вы сделали в таком случае, по УМУ так сказать?
Лично я использую готовые китайские модули типа таких:
$_57.webp

Или собираю на основе LTC4054, MCP73831, TP4056 или аналогичных.
 
Назад
Сверху