• Добро пожаловать на компьютерный форум Tehnari.ru. Здесь разбираемся с проблемами ПК и ноутбуков: Windows, драйверы, «железо», сборка и апгрейд, софт и безопасность. Форум работает много лет, сейчас он переехал на новый движок, но старые темы и аккаунты мы постарались сохранить максимально аккуратно.

    Форум не связан с магазинами и сервисами – мы ничего не продаём и не даём «рекламу под видом совета». Отвечают обычные участники и модераторы, которые следят за порядком и качеством подсказок.

    Если вы у нас впервые, загляните на страницу о проекте, чтобы узнать больше. Чтобы создавать темы и писать сообщения, сначала зарегистрируйтесь, а затем войдите под своим логином.

    Не знаете, с чего начать? Создайте тему с описанием проблемы – подскажем и при необходимости перенесём её в подходящий раздел.
    Задать вопрос Новые сообщения Как правильно спросить
    Если пришли по ссылке со старого Tehnari.ru – вы на нужном месте, просто продолжайте обсуждение.

Индикатор

  • Автор темы Автор темы sanekk
  • Дата начала Дата начала
вот датошит я делал по нему ,там вроде есть эти данные есть .Если я правильно понял то микросхема питаеться максимум 450мА.на диоды воде дает около 10 мкА.вроде так.
 

Вложения

Фиг его знает, я там ничего не понял:D
 
вот я тоже там непомойму, где че.))))может кто помочь и схемку кинуть если всетаки надо транзисторы ставить.
 
10 мкА.вроде так.
При таком токе светодиоды не горят.

Там же ясно написано, черным по белому
Output current programmable from 1 mA to 30 mA

И формулы и схемы даны, как этот ток регулировать.
Чтобы не мучаться, делайте по типовой схеме.

Я же писал, попробуйте по два-три последовательно светодиода включить, на каждый выход.
 
че то не выходит,мигают и горят все а не по очередности,а так чтобы бегал сигнал один по одному каналу неполучаеться. я не специалист, начинающий подскажите по какой схеме из поста #41, где датошит .на какой странице та схема что на первом видео.а то я последовательно подключил горят по уровню звука и дергаются и что паралельно тоже самое.9 pin закорочен на vcc и с ним и без него одинакова ,собирал по 1 схеме на датошите.
 
с мерцанием разобрался,так как добиться чтобы по два -три светодида богало как на видео:tehnari_ru_203:
 
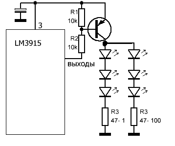
Эээээ, какие по три:D На видео к микросхеме подключениы не светодиоды а транзисторные ключи, а к ним уже подключено по три светодиода на канал!!!! Можно впринципе и на одной микрухе сделать, так даже лучше будет, к микрухе так же подключаешь транзисторные ключи но помощнее, а на каждый ключ вешаешь по 6 светодиодов, три сверху три снизу. тоесть вместо первого светодиода подключаются три и располагаются посередине столбика, вместо второго подключаются шесть и располагаются три над серединой и ри под серединой ну и т.д.
дайте схемку ту этих транзисторных ключей, как делать то вообще???
 
Да всё просто, вместо светодиодов цепляешь базу транзистора, на выход транза подключаешь сколько тебе надо светодиодов, и всё:D Мне рисовать долго и неудобно, если только в пэйнте но завтра:D
 
вот нашел в интернете
 

Вложения

  • img4e0a3fd9dc82f.gif
    img4e0a3fd9dc82f.gif
    3.2 KB · Просмотры: 544
а какой транзистор посоветуете ставить не опытному человеку.пост №49
))
 
У них у обоих максимальный ток коллектора 100мА, я бы посоветовал SS8550C,D -всё же 1,5А вполне приемлемо для ваших экспериментов и корпус как у кт3107(ТО-92)
 
Смотри внимательно схему, куда подключена третья нога.
 
Смотри внимательно схему, куда подключена третья нога.

ну в лмку подключена и две на массу и что разве микра даст ток и напряжение на 3 светика? то тогда не понимаю зачем нужен транзистор тогда
 
Она не в ЛМ-ку включена а к питанию. Сотый раз наверное повторяю, открой даташит. К третьей ноге идет питание. К питанию и подключаются эмиттеры транзисторов.
 
а ну все спасибо) еще вопрос. на каждый транзистор можно подключить только по три светодиода? если например нужно 6шт то нужно 2транзистора? и можно поставить кт814-кт817 транзисторы?
 
Как так, было три, а теперь 6 :) Один известный персонаж тоже хотел семь шапок сшить из одной овчинки. А в нашем случае это один транзистор. Может не стоит?

img4e0a3fd9dc82f.gif

Одного транзистора хватит.
 
Назад
Сверху