Смотрите видео ниже, чтобы узнать, как установить наш сайт в качестве веб-приложения на домашнем экране.
Примечание: Эта возможность может быть недоступна в некоторых браузерах.
Добро пожаловать на компьютерный форум Tehnari.ru. Здесь разбираемся с проблемами ПК и ноутбуков: Windows, драйверы, «железо», сборка и апгрейд, софт и безопасность. Форум работает много лет, сейчас он переехал на новый движок, но старые темы и аккаунты мы постарались сохранить максимально аккуратно.
Форум не связан с магазинами и сервисами – мы ничего не продаём и не даём «рекламу под видом совета». Отвечают обычные участники и модераторы, которые следят за порядком и качеством подсказок.
Если вы у нас впервые, загляните на страницу о форуме и правила – там коротко описано, как задать вопрос так, чтобы быстро получить ответ. Чтобы создавать темы и писать сообщения, сначала зарегистрируйтесь, а затем войдите под своим логином.
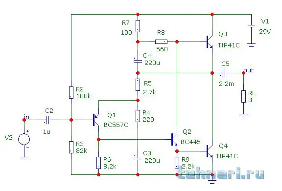
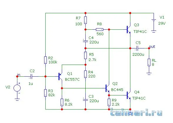
2.2m (миллиФарады) = 2200u (мкф)А выходной конденсатор 2.2мкФ это обозначение не поменял, или всё же номинал такой в схеме при симулировании?
Т.е. надо понимать так, что ток покоя меньше чем 1 А ? Не маловато будет?
P.S. Отдельное спасибо за приведённые графики!
Ок, время выберу - сделаю.Viewer, если не сложно, прогоните в микрокапе такой вариант
А то в мультисиме уж больно всё красяво.
Я тоже ставлю кондёрчик на этот транзистор. У меня как то раз появилось устойчивое возбуждение при сборке. Пробовал ставить ёмкость в ООС ( порядка 10 - 15 пф ) не помогло. А вот при установки на Q 2 - всё стало ОК. Теперь ставлю всегда.Горб на ВЧ решился установкой конденсатора в Б-К Q2.

Это априори противоречит чистому А классуВидимо придется на слух подбирать когда не совсем печка и не сильно слышно искажения.
Это априори противоречит чистому А классу
До тех пор пока амплитуда тока в нагрузке не превысит амплитуду тока в соответствующем плече выходного каскада (точнее - суммы токов каналов с учетом знака) - это будет режим А.Это априори противоречит чистому А классу![]()

Учитывая что это моделирование то такой КПД реален, на деле же если до 20% дотягивает то уже очень шикарноКПД = 21%
Моделирование - весьма точная штука. Если было бы не так - им не занимались.Учитывая что это моделирование то такой КПД реален, на деле же если до 20% дотягивает то уже очень шикарно![]()
"Прогнал" Ваш улучшенный вариант (верная корректировка, а то у меня по первому Вашему варианту вопросы появились) с небольшой корректировкой:Viewer, если не сложно, прогоните в микрокапе


Я к тому что моделирование даёт представление что и как будет, но это не 100% гарант того что так оно и будет на деле, в железе.Моделирование - весьма точная штука. Если было бы не так - им не занимались.
Есть (было) такое инженерное правило - 10%.Я к тому что моделирование даёт представление что и как будет, но это не 100% гарант того что так оно и будет на деле, в железе.