• Добро пожаловать на компьютерный форум Tehnari.ru. Здесь разбираемся с проблемами ПК и ноутбуков: Windows, драйверы, «железо», сборка и апгрейд, софт и безопасность. Форум работает много лет, сейчас он переехал на новый движок, но старые темы и аккаунты мы постарались сохранить максимально аккуратно.

    Форум не связан с магазинами и сервисами – мы ничего не продаём и не даём «рекламу под видом совета». Отвечают обычные участники и модераторы, которые следят за порядком и качеством подсказок.

    Если вы у нас впервые, загляните на страницу о проекте и правила – там коротко описано, как задать вопрос так, чтобы быстро получить ответ. Чтобы создавать темы и писать сообщения, сначала зарегистрируйтесь, а затем войдите под своим логином.

    Не знаете, с чего начать? Создайте тему с описанием проблемы – подскажем и при необходимости перенесём её в подходящий раздел.
    Задать вопрос Новые сообщения Как правильно спросить
    Если пришли по старой ссылке со старого Tehnari.ru – вы на нужном месте, просто продолжайте обсуждение.

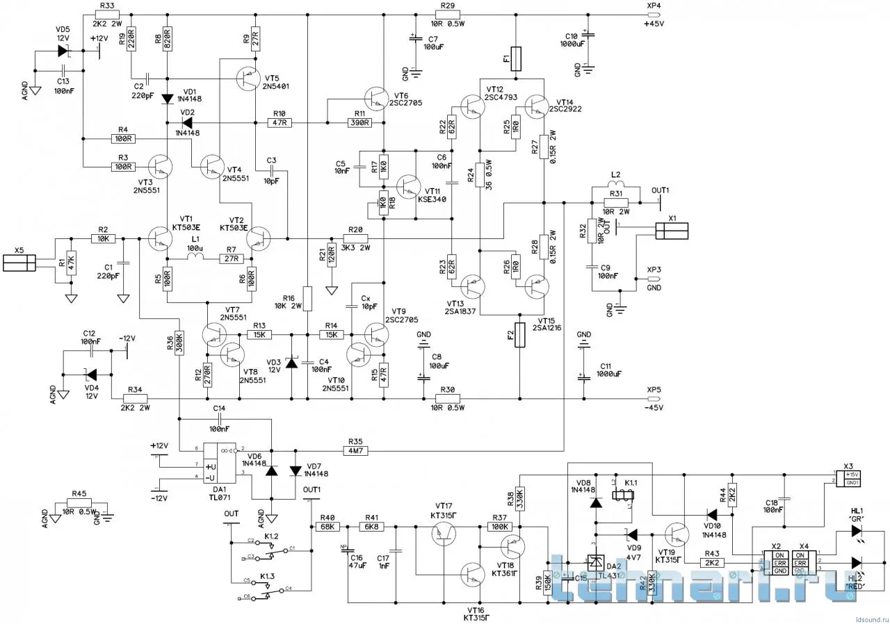
Хороший усилитель для домашнего стереокомплекса

Я понял,спасибо.чуть другое имел ввиду.где-то вычитал что 25602 рекомендует ставить в дифкаскад для Шушурина транзюки с меньшей граничной частотой.другие говорят что чем выше,тем лучше.как работают 5551,Фокус?у меня есть еще 2222,тоже аналог 3102го,интересно как они будут.
 
как работают 5551
Как Стаханов! Отлично!
у меня есть еще 2222,тоже аналог 3102го
В место 3102 и 3107 я ставлю вс 550с и 560с. Ещё у меня есть 9014. Эти ребята отлично заменяют 3102. На счёт 2222 ничего сказать не могу : если они являются аналогом 3102, то значит можно ставить. Практически все радиодетали имеют аналоги. И не будет ничего страшного, если ты заменишь один транзистор на другой. Если он подходит под определённые параметры, то почему ж нет? За частую замена бывает даже предпочтительней ! Например замена кт 502 - 503 на 5551 и 5401.
 
Вопрос второй.почему в схеме с интегратором исключен конденсатор на входе.не нужен?
 

Вложения

  • shushurin-2012mod-ldsound_ru-1.png.webp
    shushurin-2012mod-ldsound_ru-1.png.webp
    63.3 KB · Просмотры: 701
Интегратор спасает от постоянки на входе (в разумных пределах), выводя ее уровень на выходе в ноль, ну или почти в ноль, и разделительный конденсатор не нужен.
 
Спасибо.одной емкостью минус,тоже хорошо
 
Спасибо.только не уверен что они есть у меня.надо перебирать и смотреть.вообщем делаю первую плату экспериментальную.для подгонки деталей.пробую разные варианты.и уже с отработанной частью чистовой вариант.так наверное правильно будет.спешить вроде некуда.
 
Да,еще нюанс.питание усиллителя у меня меньше будет,чем на схеме.39 вольт на плечо.надо резисторы увеличить.есть 0,27 и 0.33.?
 
От номинала сопротивления эмиттерного резистора будет зависеть ток покоя оконечного каскада. Чем больше номинал, тем меньше ток покоя.
 
Еще одна замена требуется.нет у меня TL071.в моем парке микросхем только двухканальные,072 и 544УД2.а что,если один канал в воздух подвесить?распиновка не совпадает конечно,но даже на отдельной макетке выполнить или одну микруху на два канала усилителя выполнить на отдельной платке?кто знает скорость нарастания у 544уд2?может ее предпочтительнее?у ТЛ вроде 13вольт на мксек
 
Жалко ставить 544 уд 2 а в серву! Отличный ОУ. В место 071 можно поставить 544 уд 1, 140 уд 8, уд 18.
 
Фокус,нету у меня одноканальных.а уд 8 тоже с полевым входом?я временно,пока не найду 071.хотя мысль появилась,072 использовать на два канала.в чистовом варианте так и сделаю может.этих у меня много.в одной пинине их с десяток было,и 074 несколько.зачем нам пинина?нет возможности счас до Чи Д добраться.
 
Уд8 вроде с выходом полевым.ну так все равно нету.уд7 много,этих нет.пока ковырял микрухи,среди них обнаружил две сборки КТС3103.для дифа вроде должно подойти.
 
заканчиваю паять защиту.и вот с чем столкнулся.вот как можно в нете лохануться,если не знаешь сам.полез посмотреть распиновку,ну и обратил внимания.могли бы быть страдания
 

Вложения

  • 5018273810_2.png.webp
    5018273810_2.png.webp
    19.8 KB · Просмотры: 101
можно в нете лохануться,если не знаешь сам.полез посмотреть распиновку,ну и обратил внимания.
Это о чём речь ? И что это за картинки с диодами ? Так, обычно, объясняют что такое транзистор начинающим радиолюбителям.
 
да проводимость перепутана на картинке.
 
Назад
Сверху